
Sie werden per E-Mail benachrichtigt, sobald das Produkt wieder auf Lager ist.
- Beschreibung
- Anleitungen
- Zahlungsmethoden
- Garantie
TENSE 3-Phasen-Plattenmultimeter - VAHz
Beschreibung
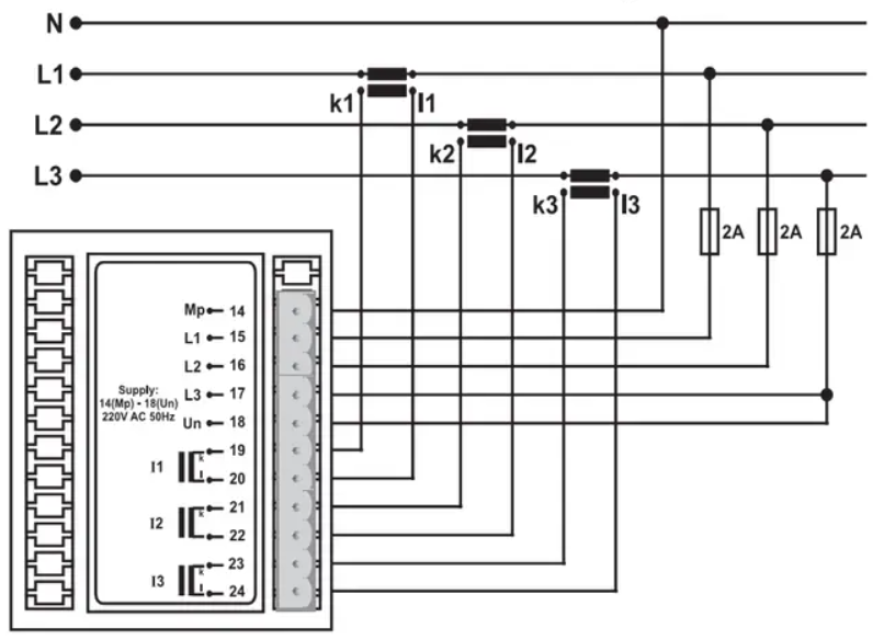
Das digitale 3-Phasen-Panel-Multimeter TENSE ist ein multifunktionales Messgerät für die Überwachung elektrischer Parameter in 3-Phasen-Systemen. Das Gerät ermöglicht die Messung von Spannung, Strom und Frequenz, die Überprüfung des korrekten Anschlusses der Phasen und eignet sich für Industrieanlagen, Maschinen und Wechselstromverteilungssysteme.
Die wichtigsten Vorteile
-
Multifunktionale Messung: I, U (L-L, L-N), Hz
-
Indirekte Messung des Stroms durch angeschlossene Stromwandler
-
Phasenüberwachung und Verdrahtungsprüfung
-
Inklusive Messwandler bei den Modellen EM-100D und EM-250D
-
Montage auf Standard-DIN-Schiene
Messbereiche
| Parameter | Modelle EM-06 / EM-72 | EM-100D | EM-250D |
|---|---|---|---|
| Stromstärke | 5/5 ... 9995/5 A (indirekt) | 1 - 100 A | 2 - 250 A |
| Spannung L-N | 1 - 300 V AC | 1 - 300 V AC | 1 - 300 V WECHSELSTROM |
| Spannung L-L | 1 - 500 V WECHSELSTROM | 1 - 500 V WECHSELSTROM | 1 - 500 V WECHSELSTROM |
| Frequenz | 40 - 60 Hz | 40 - 60 Hz | 40 - 60 Hz |
Empfehlungen
-
Für die Modelle EM-06 und EM-72 empfehlen wir die folgenden Stromwandler:
60/5, 75/5, 100/5, 150/5, 200/5, 250/5, 300/5, 400/5, 500/5, 600/5, 800/5, 1000/5, 1500/5 -
Die Transformatoren können direkt in unserem E-Shop erworben werden.
Herunterladen auf
Online-Zahlung mit Karte – nach Abschluss der Bestellung werden Sie auf das Zahlungsportal weitergeleitet. Die Zahlungsbestätigung erhalten Sie per E-Mail.
Zahlung per Nachnahme – den auf dem Zahlungsauftrag angegebenen Betrag zahlen Sie dem Kurier des Lieferdienstes.
Zahlung per Banküberweisung – Sie erhalten spätestens am nächsten Werktag eine Proforma-Rechnung per E-Mail, auf der die Kontonummer angegeben ist, die Sie bei der Zahlung eingeben müssen.
Zahlung auf Rechnung – diese Möglichkeit haben Partner, die mit unserem Unternehmen einen Rahmenvertrag abgeschlossen haben.
Wenn Sie die letzten beiden Optionen nutzen möchten, kontaktieren Sie bitte unseren Leiter, der Ihnen Anweisungen gibt, wie Sie eine Rechnung mit oder ohne Mehrwertsteuer erhalten können.
Die elektrischen Geräte, die wir liefern, erfüllen hohe Qualitätsstandards, haben eine 24-monatige Garantie und entsprechen allen Anforderungen der EU.
Wir bieten auch kostenlosen Versand (bei Bestellungen über 100 EUR), ein flexibles Rabattsystem und Aktionen an. Das technische Wissen und die Erfahrung unserer Mitarbeiter ermöglichen es uns, qualitativ hochwertige Beratung anzubieten und bei Bedarf Alternativen zu elektrischen Produkten anzubieten.
Die von uns gelieferte Elektroausrüstung erfüllt hohe Qualitätsstandards, ist mit einer 24‑Monate‑Garantie versehen und entspricht allen EU‑Anforderungen.
Im Falle einer Reklamation ist die Rücksendung der Ware kostenlos.
