
Sie werden per E-Mail benachrichtigt, sobald das Produkt wieder auf Lager ist.
Vorbestelltes Produkt
- Beschreibung
- Anleitungen
- Zahlungsmethoden
- Garantie
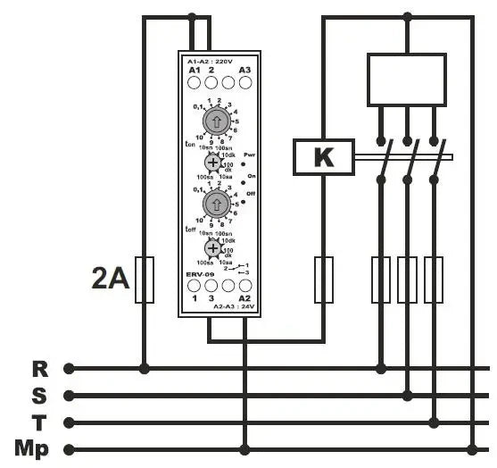
Zeitrelais - Zyklisches Relais / Blinkr (symmetrischer / asymmetrischer Zyklus)
Beschreibung des Produkts
Das zyklische Zeitrelais ist für das periodische Ein- und Ausschalten von elektrischen Lasten wie Leuchten, Ventilatoren, Pumpen oder Signalgebern konzipiert. Es ermöglicht die unabhängige Einstellung der Impuls- und Pausenlänge und den Betrieb im symmetrischen oder asymmetrischen Modus. Er eignet sich für die Automatisierung von Steuerungen, Lüftungen, zeitgesteuerte Beleuchtung oder Werbeanwendungen.
Wichtigste Merkmale
-
Zyklischer Betrieb mit einstellbarer Einschalt- und Pausenzeit
-
Blinkmodus: zu Beginn eines Impulses oder zu Beginn einer Pause
-
Symmetrische / asymmetrische Einschaltdauer
-
Schaltbarer Ausgangskontakt
-
Möglichkeit, den Zyklus mit einem Impuls oder einer Pause zu starten
-
Stabiler Betrieb für die automatische Steuerung von Anlagen
-
Montage auf DIN-Schiene 35 mm
Anwendung
-
Regelmäßige Raumlüftung
-
Zyklische Feuchtigkeitstrocknung
-
Steuerung von Werbebeleuchtung, Blinkschildern
-
Steuerung von Umwälzpumpen
-
Periodisches Schalten von Lüftung oder Heizung
-
Notsignallicht oder -ton
-
Stufenweises Einschalten von elektrischen Geräten bei Stromausfall
Vorteile
-
Einfache Einstellung der Zeiten
-
Vielseitiger Einsatz
-
Sichere und zuverlässige Steuerung von Stromkreisen
-
Geeignet für Haushalts- und Industrieschaltschränke
Einbau
-
Montage auf Standard 35 mm DIN-Schiene
Online-Zahlung mit Karte – nach Abschluss der Bestellung werden Sie auf das Zahlungsportal weitergeleitet. Die Zahlungsbestätigung erhalten Sie per E-Mail.
Zahlung per Nachnahme – den auf dem Zahlungsauftrag angegebenen Betrag zahlen Sie dem Kurier des Lieferdienstes.
Zahlung per Banküberweisung – Sie erhalten spätestens am nächsten Werktag eine Proforma-Rechnung per E-Mail, auf der die Kontonummer angegeben ist, die Sie bei der Zahlung eingeben müssen.
Zahlung auf Rechnung – diese Möglichkeit haben Partner, die mit unserem Unternehmen einen Rahmenvertrag abgeschlossen haben.
Wenn Sie die letzten beiden Optionen nutzen möchten, kontaktieren Sie bitte unseren Leiter, der Ihnen Anweisungen gibt, wie Sie eine Rechnung mit oder ohne Mehrwertsteuer erhalten können.
Die elektrischen Geräte, die wir liefern, erfüllen hohe Qualitätsstandards, haben eine 24-monatige Garantie und entsprechen allen Anforderungen der EU.
Wir bieten auch kostenlosen Versand (bei Bestellungen über 100 EUR), ein flexibles Rabattsystem und Aktionen an. Das technische Wissen und die Erfahrung unserer Mitarbeiter ermöglichen es uns, qualitativ hochwertige Beratung anzubieten und bei Bedarf Alternativen zu elektrischen Produkten anzubieten.
Die von uns gelieferte Elektroausrüstung erfüllt hohe Qualitätsstandards, ist mit einer 24‑Monate‑Garantie versehen und entspricht allen EU‑Anforderungen.
Im Falle einer Reklamation ist die Rücksendung der Ware kostenlos.
