
Sie werden per E-Mail benachrichtigt, sobald das Produkt wieder auf Lager ist.
- Beschreibung
- Anleitungen
- Zahlungsmethoden
- Garantie
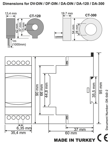
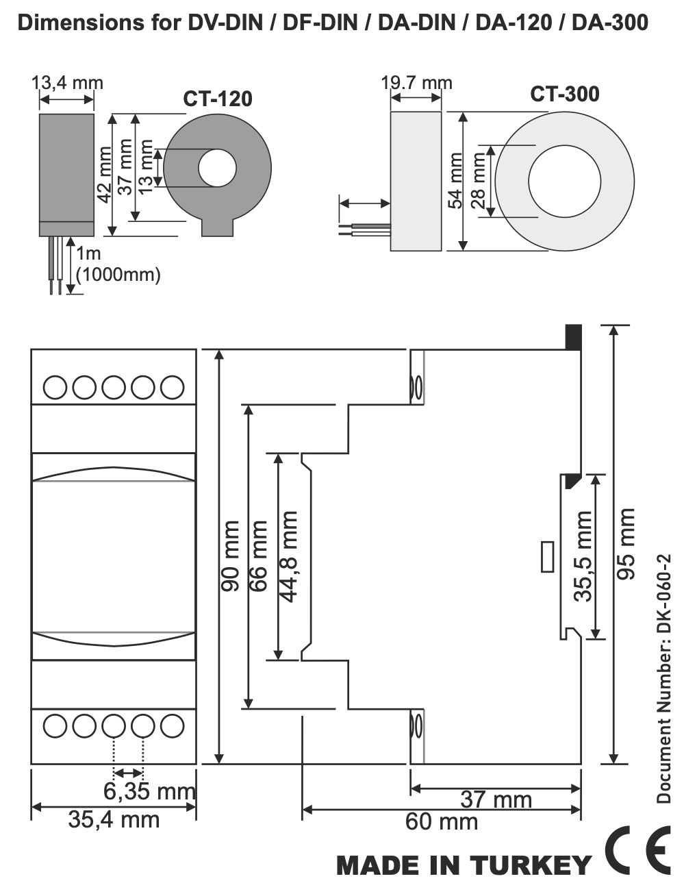
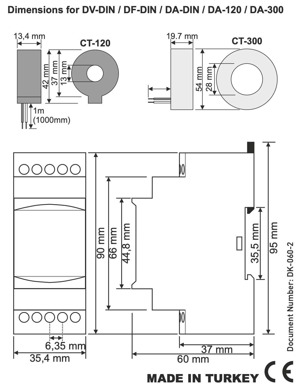
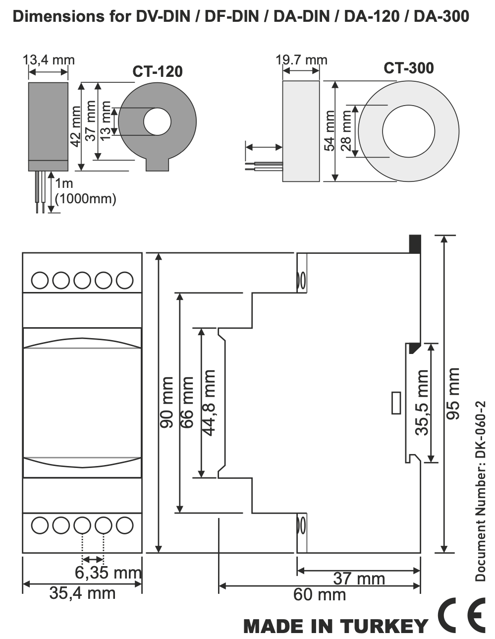
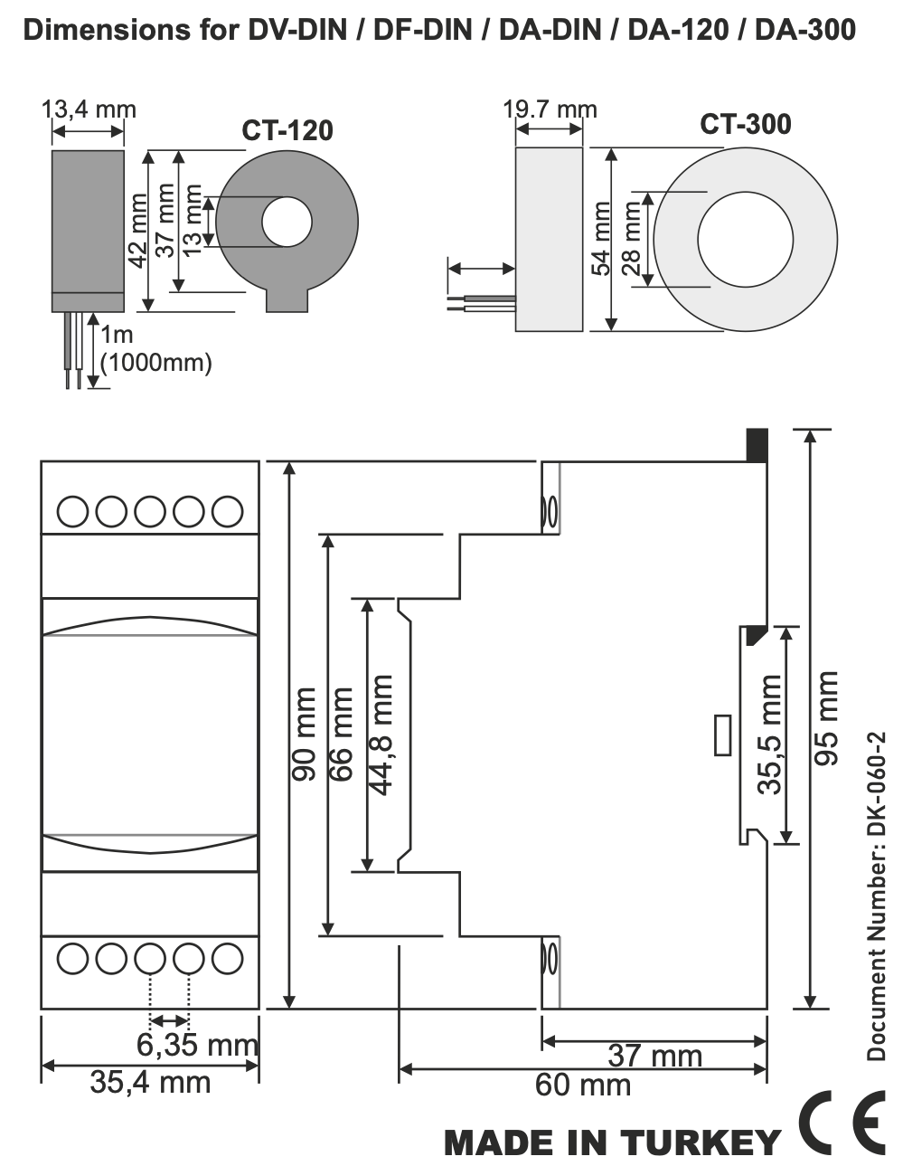
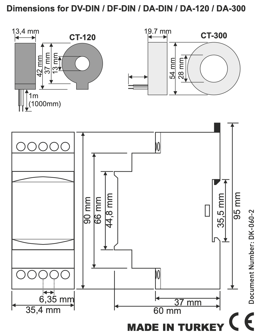
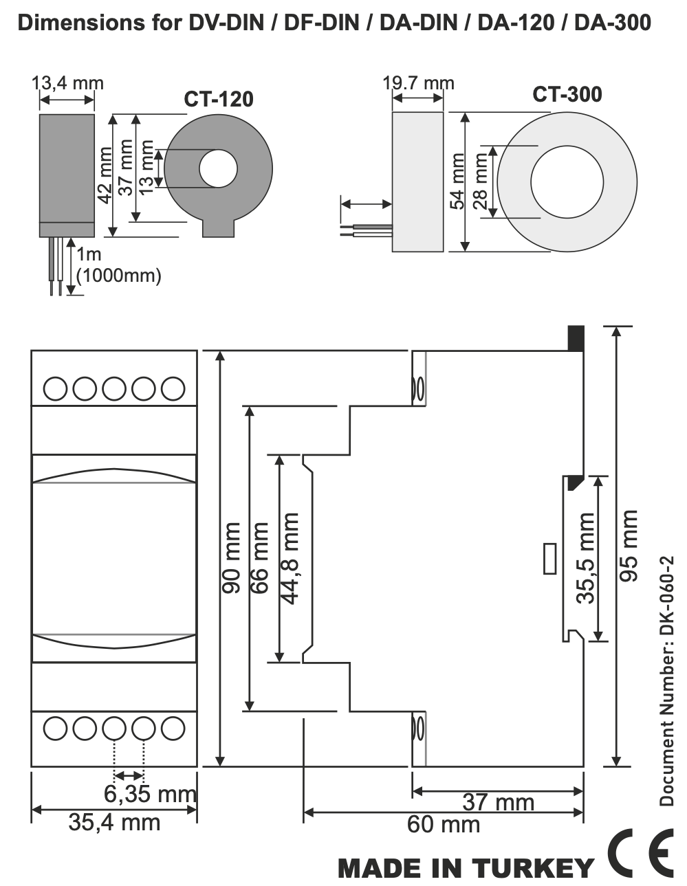
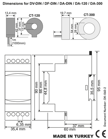
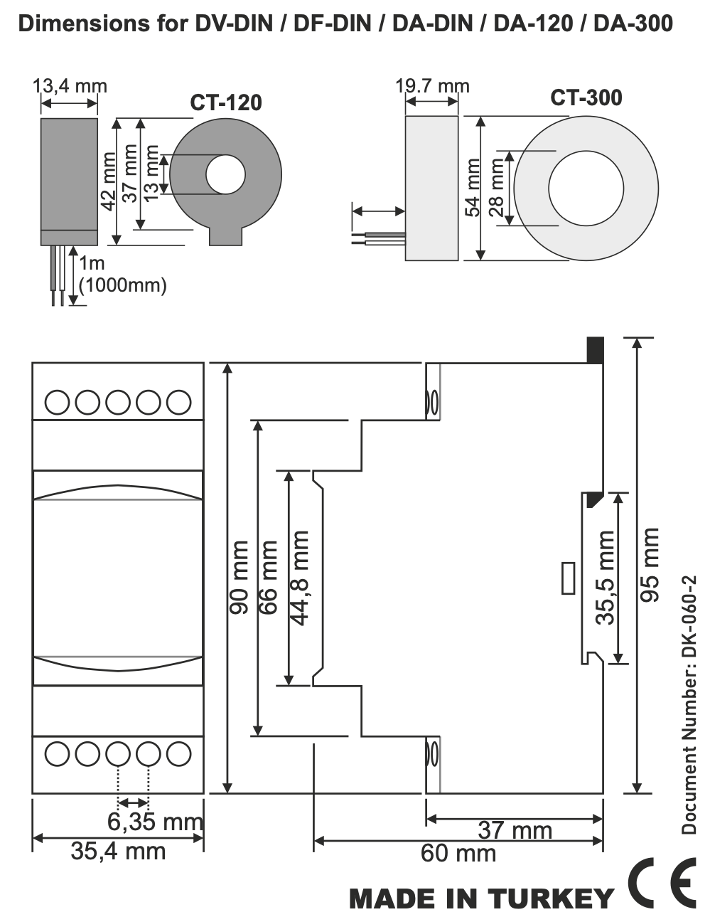
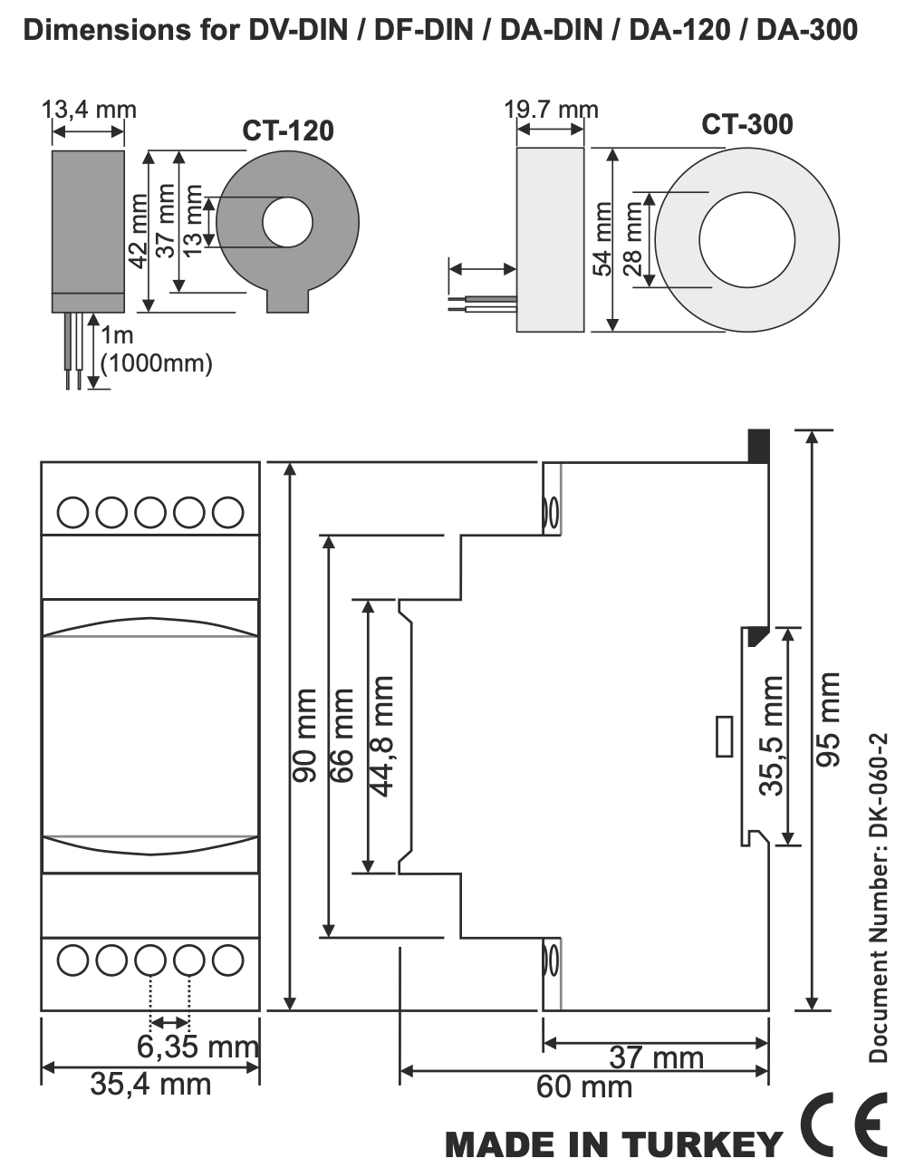
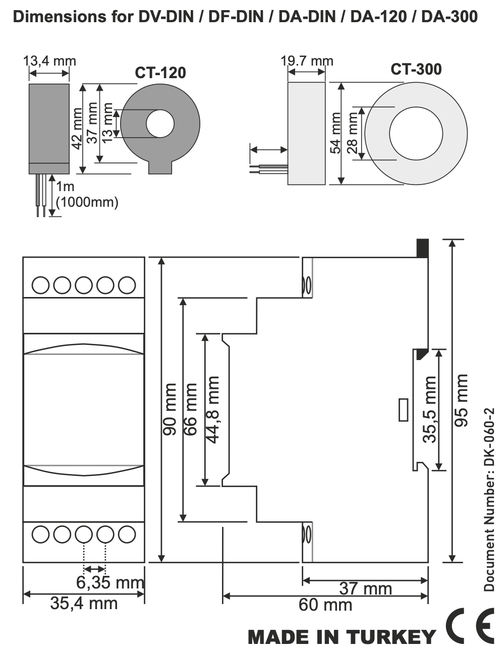
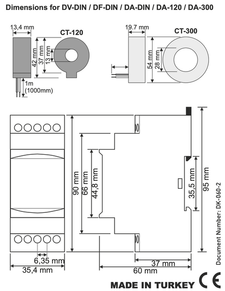
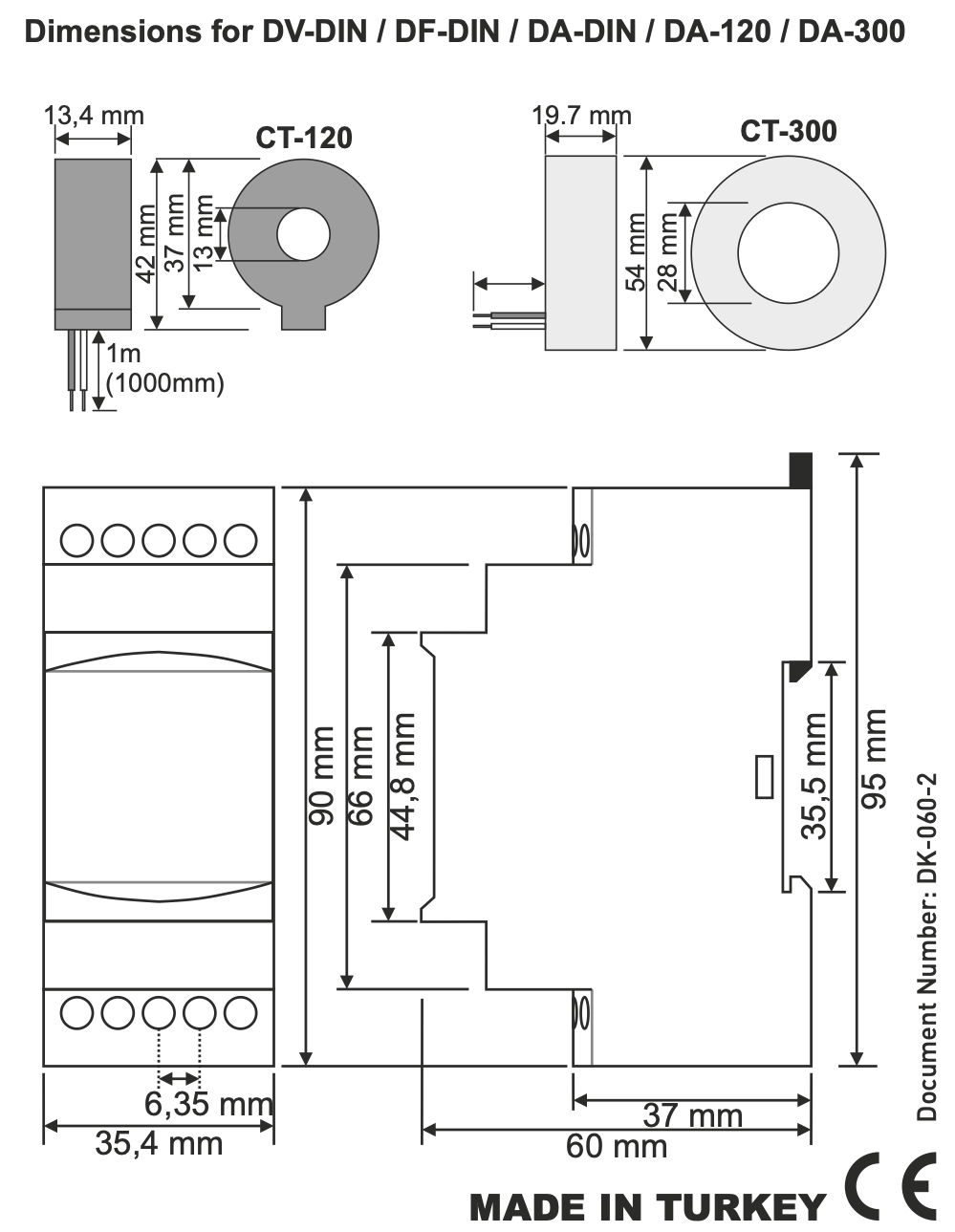
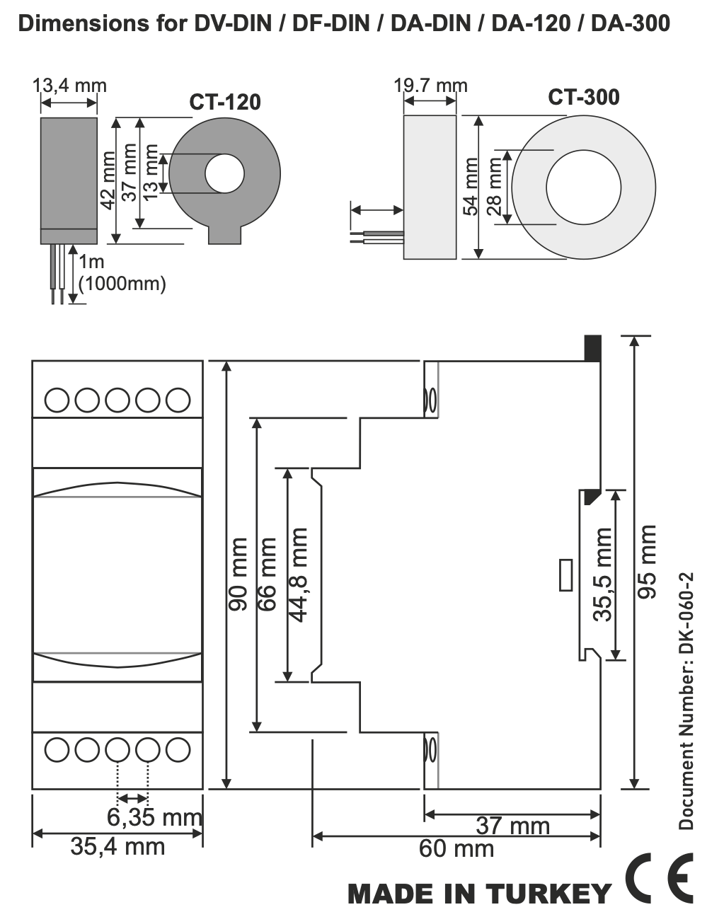
Einphasiges Echt-Effektivwert-Messgerät mit Stromwandler 120/5 A - DA-120 (TENSE)
Messung von bis zu 120 A - True RMS - DIN-Schiene - CT-120 inklusive
Das digitale Einphasen-Amperemeter DA-120 von TENSE ist ein Präzisionsmessgerät zur Überwachung des elektrischen Stroms in einphasigen Stromkreisen bis zu 120 A. Das Gerät arbeitet mit True RMS-Messung, die auch bei verzerrten Stromkurven, nichtlinearen Lasten oder Oberschwingungen genaue Ergebnisse gewährleistet.
Das Strommessgerät arbeitet mit dem mitgelieferten externen Stromwandler CT-120 (120/5 A). Für genaue Messungen ist ein richtig gewählter Wandler erforderlich - es wird daher nicht empfohlen, Stromwandler verschiedener Typen oder von verschiedenen Herstellern zu kombinieren.
Merkmale und Funktionen
-
Genaue Strommessung mit True RMS-Technologie
-
Inklusive Stromwandler CT-120 (120/5 A)
-
Geeignet für die Lastüberwachung in einphasigen Anlagen
-
Übersichtliche 3-stellige LED-Anzeige
-
Einfache Montage auf DIN-Schiene
-
Schnelle und zuverlässige Anzeige des Stromflusses
Verwendung
-
Schließen Sie den Stromwandler CT-120 an den zu messenden Leiter an.
-
Schließen Sie den Ausgang des Stromwandlers an die Eingangsklemmen des Amperemeters an.
-
Wenn das Gerät eingeschaltet wird, zeigt das Display den von der Last aufgenommenen Strom an.
Technische Daten
| Parameter | Wert |
|---|---|
| Produkt-Code | DA-120 |
| Messbereich | bis zu 120 A (mit Stromwandler 120/5) |
| Art der Messung | Echteffektivwert |
| Anzeige | 3-stellige LED-Anzeige |
| Frequenz | 50/60 Hz |
| Einbau | DIN-Schiene |
| Stromwandler | CT-120 (mitgeliefert) |
Herunterladen auf
Online-Zahlung mit Karte – nach Abschluss der Bestellung werden Sie auf das Zahlungsportal weitergeleitet. Die Zahlungsbestätigung erhalten Sie per E-Mail.
Zahlung per Nachnahme – den auf dem Zahlungsauftrag angegebenen Betrag zahlen Sie dem Kurier des Lieferdienstes.
Zahlung per Banküberweisung – Sie erhalten spätestens am nächsten Werktag eine Proforma-Rechnung per E-Mail, auf der die Kontonummer angegeben ist, die Sie bei der Zahlung eingeben müssen.
Zahlung auf Rechnung – diese Möglichkeit haben Partner, die mit unserem Unternehmen einen Rahmenvertrag abgeschlossen haben.
Wenn Sie die letzten beiden Optionen nutzen möchten, kontaktieren Sie bitte unseren Leiter, der Ihnen Anweisungen gibt, wie Sie eine Rechnung mit oder ohne Mehrwertsteuer erhalten können.
Die elektrischen Geräte, die wir liefern, erfüllen hohe Qualitätsstandards, haben eine 24-monatige Garantie und entsprechen allen Anforderungen der EU.
Wir bieten auch kostenlosen Versand (bei Bestellungen über 100 EUR), ein flexibles Rabattsystem und Aktionen an. Das technische Wissen und die Erfahrung unserer Mitarbeiter ermöglichen es uns, qualitativ hochwertige Beratung anzubieten und bei Bedarf Alternativen zu elektrischen Produkten anzubieten.
Die von uns gelieferte Elektroausrüstung erfüllt hohe Qualitätsstandards, ist mit einer 24‑Monate‑Garantie versehen und entspricht allen EU‑Anforderungen.
Im Falle einer Reklamation ist die Rücksendung der Ware kostenlos.
