
Sie werden per E-Mail benachrichtigt, sobald das Produkt wieder auf Lager ist.
- Beschreibung
- Anleitungen
- Zahlungsmethoden
- Garantie
Digitales Einbau-Multimeter 72x72 mm - TENSE (DAV-72D)
Produktbeschreibung:
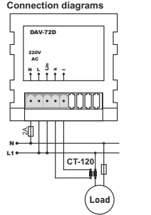
Das DAV-72D ist ein 1-phasiges digitales kombiniertes Voltmeter-Amperemeter, das für die kontinuierliche Überwachung der Wechselspannung zwischen Phase und Nullleiter und des entnommenen Laststroms, gemessen durch einen externen Stromwandler (CT-120, im Lieferumfang enthalten), konzipiert ist. Das Gerät eignet sich für elektrische Schalttafeln, Produktionsanlagen und Energieverteilungs- oder Überwachungssysteme.
Funktionsprinzip und Anwendung:
-
Anschluss an den zu messenden Phasen- und Neutralleiter über die Spannungsmessklemmen.
-
Strommessung über einen externen Stromwandler CT-120, dessen Sekundärleiter an die Klemmen K und L auf der Rückseite des Geräts angeschlossen werden.
-
Bei Anlegen der Spannung wird Folgendes angezeigt:
-
Tatsächliche Phasenspannung (V)
-
Laststrom (A)
-
Installation und Einrichtung:
-
Frontplattenmontage (Ausschnitt 68 × 68 mm)
-
Verdrahtung des CT-120 wie im Diagramm gezeigt, Lastleitung durch den Wandler geführt
-
Es dürfen keine anderen Stromwandler verwendet werden - das Gerät ist speziell für den CT-120 kalibriert.
Technische Daten:
-
Betriebsspannung: 140-270 VAC.
-
Netzfrequenz: 50/60 Hz
-
Angezeigter Spannungsbereich: 5-300 V AC
-
Gemessener Strombereich: 1-100 A (über CT-120)
-
Messgenauigkeit:
-
Spannung: ±1%
-
Strom: ±3 %
-
-
Anzeige: 2 Zeilen, 3 Ziffern, Zeichenhöhe 14 mm
-
Geräteleistung: <6 VA
-
Betriebstemperatur: -20 °C bis +55 °C
-
Höhenlage: bis zu 2000 m
-
Anschluss: steckbare Klemmen, Kabelquerschnitt bis 1,5 mm²
-
Montage: Schalttafel, frontseitig
-
Gewicht: bis zu 220 g
Online-Zahlung mit Karte – nach Abschluss der Bestellung werden Sie auf das Zahlungsportal weitergeleitet. Die Zahlungsbestätigung erhalten Sie per E-Mail.
Zahlung per Nachnahme – den auf dem Zahlungsauftrag angegebenen Betrag zahlen Sie dem Kurier des Lieferdienstes.
Zahlung per Banküberweisung – Sie erhalten spätestens am nächsten Werktag eine Proforma-Rechnung per E-Mail, auf der die Kontonummer angegeben ist, die Sie bei der Zahlung eingeben müssen.
Zahlung auf Rechnung – diese Möglichkeit haben Partner, die mit unserem Unternehmen einen Rahmenvertrag abgeschlossen haben.
Wenn Sie die letzten beiden Optionen nutzen möchten, kontaktieren Sie bitte unseren Leiter, der Ihnen Anweisungen gibt, wie Sie eine Rechnung mit oder ohne Mehrwertsteuer erhalten können.
Die elektrischen Geräte, die wir liefern, erfüllen hohe Qualitätsstandards, haben eine 24-monatige Garantie und entsprechen allen Anforderungen der EU.
Wir bieten auch kostenlosen Versand (bei Bestellungen über 100 EUR), ein flexibles Rabattsystem und Aktionen an. Das technische Wissen und die Erfahrung unserer Mitarbeiter ermöglichen es uns, qualitativ hochwertige Beratung anzubieten und bei Bedarf Alternativen zu elektrischen Produkten anzubieten.
Die von uns gelieferte Elektroausrüstung erfüllt hohe Qualitätsstandards, ist mit einer 24‑Monate‑Garantie versehen und entspricht allen EU‑Anforderungen.
Im Falle einer Reklamation ist die Rücksendung der Ware kostenlos.
