
Sie werden per E-Mail benachrichtigt, sobald das Produkt wieder auf Lager ist.
Vorbestelltes Produkt
- Beschreibung
- Anleitungen
- Zahlungsmethoden
- Garantie
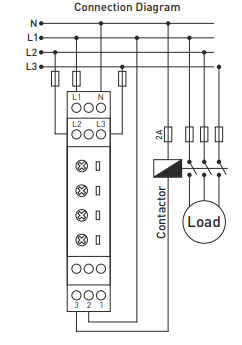
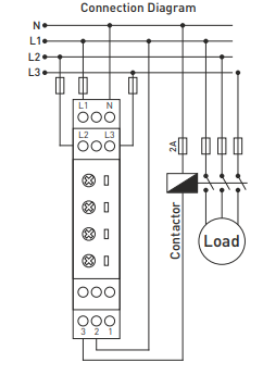
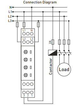
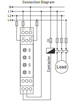
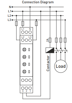
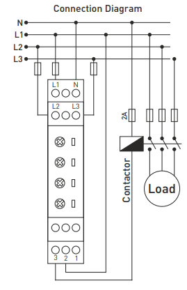
Spannungsüberwachungsrelais mit Zeitverzögerung für die Rückkehr in den Betriebszustand, Überwachung von Spannungsanstieg und -abfall, Einstellung des minimalen und maximalen Spannungswertes, mit Phasenfolgekontrolle GKV-12F, TENSE
Der Funktionsalgorithmus des Spannungsüberwachungsrelais ist wie folgt:
Wenn das Relais an die Versorgungsspannung angeschlossen ist und die Spannungswerte den eingestellten Werten entsprechen, wird das Relais aktiviert und die Relais-LED () leuchtet auf. Wenn die Spannungswerte die eingestellten Werte überschreiten, leuchtet die entsprechende Fehler-LED auf, wartet eine Verzögerungszeit (DT) ab, wonach das Relais deaktiviert wird und die Relais-LED erlischt. Wenn die Spannung wieder normale Werte erreicht, wartet das Gerät eine Rückstellzeit (RT) ab, nach der das Relais aktiviert wird und die Relais-LED aufleuchtet.
Erforderliche Einstellungen und Fehlermeldungen
-
HV: Hochspannungseinstellung, wenn die Spannung über diesen Wert ansteigt, leuchtet die HV-LED.
-
LV: Niederspannungseinstellung, wenn die Spannung unter diesen Wert fällt, leuchtet die LV-LED auf.
-
DT: Verzögerungszeit, Wartezeit vor Eintritt des Fehlers.
-
RT: Rückstellzeit, die Zeit, die gewartet wird, bevor das Relais anspricht, wenn die Spannung wieder normal wird.
Relais aktiviert: Kontakte 2 und 3 geschlossen, 1 und 2 offen.
Relais deaktiviert: Kontakte 2 und 1 geschlossen, 3 und 2 offen.
Technische Daten
-
Betriebsspannung: 3×380 VAC, 50/60 Hz
-
Nennbetriebsspannung: 220 VAC, 50/60 Hz
-
Hochspannung: 230 V-300 V
-
Niederspannung: 140 V-210 V
-
Verzögerungszeit: 0,1 s - 20 s
-
Rückstellzeit: 0,1 s - 20 s
-
Betriebsleistung: < 6 VA
-
Betriebstemperatur: -20 °C bis +55 °C
-
Anzeige: 4 LEDs
-
Gewicht: 0,210 kg
-
Kontakt: 5 A / 250 VAC (ohmsche Last)
-
Betriebshöhe: < 2000 m
-
Kabeldurchmesser: 1,5 mm²
Online-Zahlung mit Karte – nach Abschluss der Bestellung werden Sie auf das Zahlungsportal weitergeleitet. Die Zahlungsbestätigung erhalten Sie per E-Mail.
Zahlung per Nachnahme – den auf dem Zahlungsauftrag angegebenen Betrag zahlen Sie dem Kurier des Lieferdienstes.
Zahlung per Banküberweisung – Sie erhalten spätestens am nächsten Werktag eine Proforma-Rechnung per E-Mail, auf der die Kontonummer angegeben ist, die Sie bei der Zahlung eingeben müssen.
Zahlung auf Rechnung – diese Möglichkeit haben Partner, die mit unserem Unternehmen einen Rahmenvertrag abgeschlossen haben.
Wenn Sie die letzten beiden Optionen nutzen möchten, kontaktieren Sie bitte unseren Leiter, der Ihnen Anweisungen gibt, wie Sie eine Rechnung mit oder ohne Mehrwertsteuer erhalten können.
Die elektrischen Geräte, die wir liefern, erfüllen hohe Qualitätsstandards, haben eine 24-monatige Garantie und entsprechen allen Anforderungen der EU.
Wir bieten auch kostenlosen Versand (bei Bestellungen über 100 EUR), ein flexibles Rabattsystem und Aktionen an. Das technische Wissen und die Erfahrung unserer Mitarbeiter ermöglichen es uns, qualitativ hochwertige Beratung anzubieten und bei Bedarf Alternativen zu elektrischen Produkten anzubieten.
Die von uns gelieferte Elektroausrüstung erfüllt hohe Qualitätsstandards, ist mit einer 24‑Monate‑Garantie versehen und entspricht allen EU‑Anforderungen.
Im Falle einer Reklamation ist die Rücksendung der Ware kostenlos.
