
Sie werden per E-Mail benachrichtigt, sobald das Produkt wieder auf Lager ist.
- Beschreibung
- Anleitungen
- Zahlungsmethoden
- Garantie
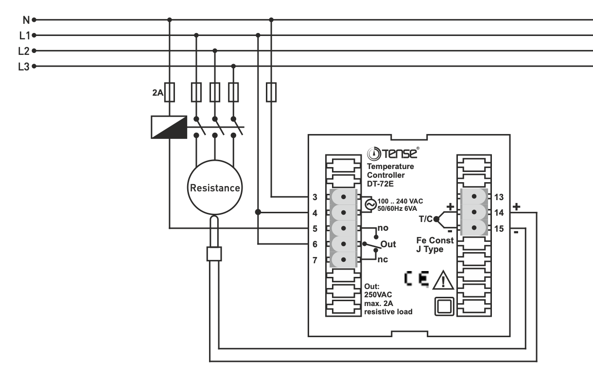
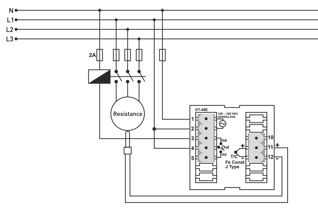
Schaltschrank-Temperaturregler DT48-EM - ON/OFF
Produktbeschreibung:
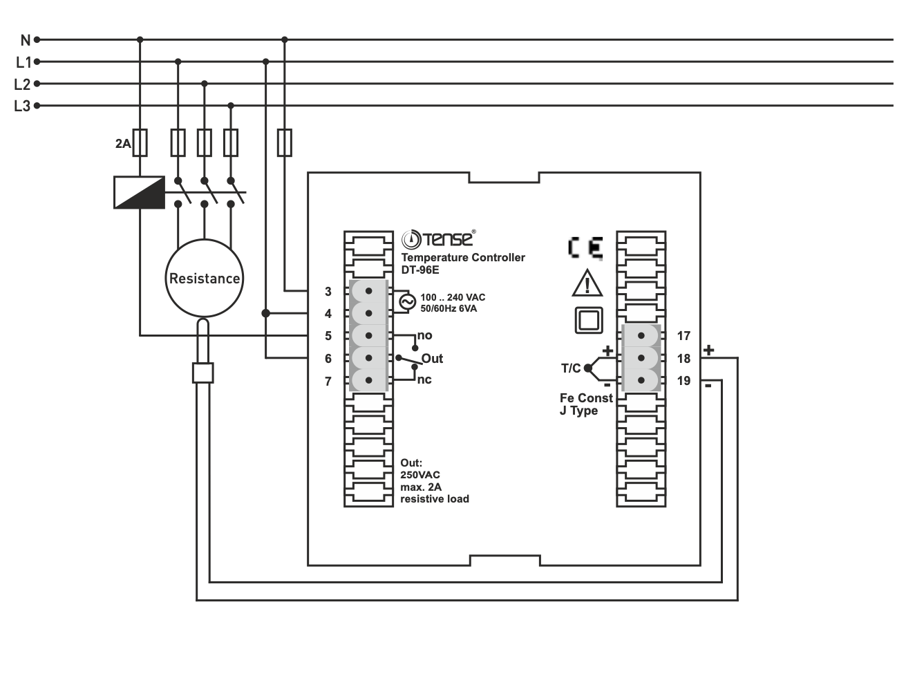
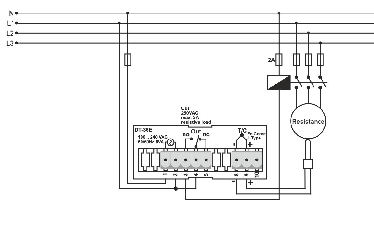
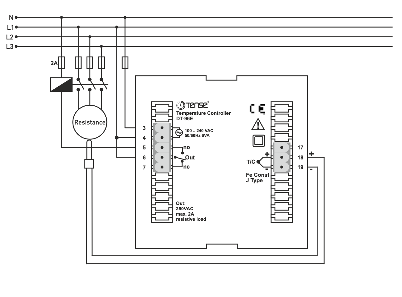
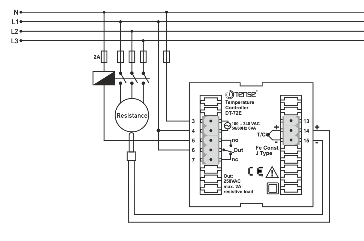
DT48-EM ist ein einkanaliger Schaltschrank-Temperaturregler für Heizungen mit Universaleingang. Er wird zur präzisen Temperaturregelung in industriellen Anwendungen, leichten Industriemaschinen, in der Lebensmittelverarbeitung, in Öfen und anderen Systemen eingesetzt, in denen eine präzise Heizungsregelung erforderlich ist.
Eingänge:
-
Pt100-Widerstandsfühler
-
Thermoelemente (T/C) Typ J, K, T, R, S
Ausgänge:
-
SPDT-Relais 2A / 250VAC für ohmsche Last
-
Digitaler Ausgang 12VDC / 20mA für SSR-Relaissteuerung
Abmessungen:
-
230VAC Stromversorgung.
Funktionen und Eigenschaften
-
Regelung: PID und ON/OFF, optional P, PI, PD
-
Rampenmodus: kontinuierlicher Temperaturanstieg beim Einschalten
-
Anti-Windup: Schutz gegen den Anstieg des Regelausgangs bei PID/PI
-
Obere und untere Grenze: zur Einstellung der gewünschten SOLL-Temperatur
-
Zweizeilige Anzeige: Sv (Sollwert) und Pv (Istwert)
-
Kompensation: Vergleichsstelle für T/C, Leitungswiderstand für Pt100
-
Lineare Umrechnung: °C/mV und °C/Ohm Tabellen
-
Offset: Offset der Werte über den gesamten Bereich
-
Passwortschutz: verhindert ungewollte Änderung der Einstellungen
-
EEPROM-Speicher: behält die Einstellungen auch nach dem Trennen der Stromversorgung
-
Einfacher Anschluss: 5,08 mm Steckverbinder
Messbereiche je nach Fühlertyp
| Bereich (°C) | Sensortyp | Code INPt |
|---|---|---|
| -100 ... 600 | TLC, Typ J T/C | J |
| -100 ... 1300 | TXA, Typ K T/C | K |
| -100 ... 400 | TMKn, Typ T/C | T |
| 0 ... 1750 | Typ S T/C TPP | S |
| 0 ... 1750 | TPP, Typ R T/C | R |
| -100 ... 600 | Pt100 | Pt |
| -99.9 ... 600.0 | Pt100 | Pt.0 |
Hinweis:
Auch wenn der Regler Temperaturen unter -20 °C und über +55 °C messen kann, muss das Gerät selbst in einer Umgebung mit einer Temperatur von -20 ... +55 °C installiert werden, da es sonst zu einer Verformung des Kunststoffgehäuses und zum Ausfall des Thermostats kommen kann.
Online-Zahlung mit Karte – nach Abschluss der Bestellung werden Sie auf das Zahlungsportal weitergeleitet. Die Zahlungsbestätigung erhalten Sie per E-Mail.
Zahlung per Nachnahme – den auf dem Zahlungsauftrag angegebenen Betrag zahlen Sie dem Kurier des Lieferdienstes.
Zahlung per Banküberweisung – Sie erhalten spätestens am nächsten Werktag eine Proforma-Rechnung per E-Mail, auf der die Kontonummer angegeben ist, die Sie bei der Zahlung eingeben müssen.
Zahlung auf Rechnung – diese Möglichkeit haben Partner, die mit unserem Unternehmen einen Rahmenvertrag abgeschlossen haben.
Wenn Sie die letzten beiden Optionen nutzen möchten, kontaktieren Sie bitte unseren Leiter, der Ihnen Anweisungen gibt, wie Sie eine Rechnung mit oder ohne Mehrwertsteuer erhalten können.
Die elektrischen Geräte, die wir liefern, erfüllen hohe Qualitätsstandards, haben eine 24-monatige Garantie und entsprechen allen Anforderungen der EU.
Wir bieten auch kostenlosen Versand (bei Bestellungen über 100 EUR), ein flexibles Rabattsystem und Aktionen an. Das technische Wissen und die Erfahrung unserer Mitarbeiter ermöglichen es uns, qualitativ hochwertige Beratung anzubieten und bei Bedarf Alternativen zu elektrischen Produkten anzubieten.
Die von uns gelieferte Elektroausrüstung erfüllt hohe Qualitätsstandards, ist mit einer 24‑Monate‑Garantie versehen und entspricht allen EU‑Anforderungen.
Im Falle einer Reklamation ist die Rücksendung der Ware kostenlos.
