
Sie werden per E-Mail benachrichtigt, sobald das Produkt wieder auf Lager ist.
Vorbestelltes Produkt
- Beschreibung
- Anleitungen
- Zahlungsmethoden
- Garantie
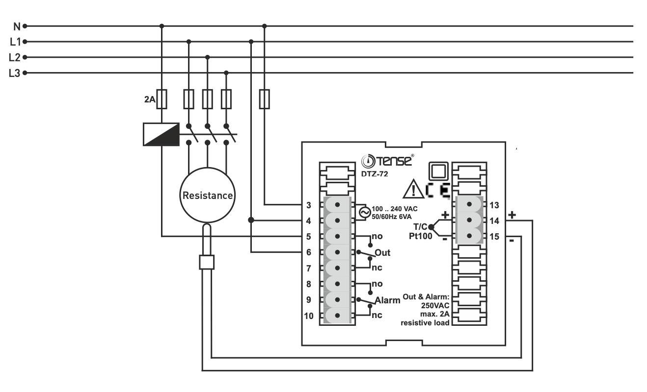
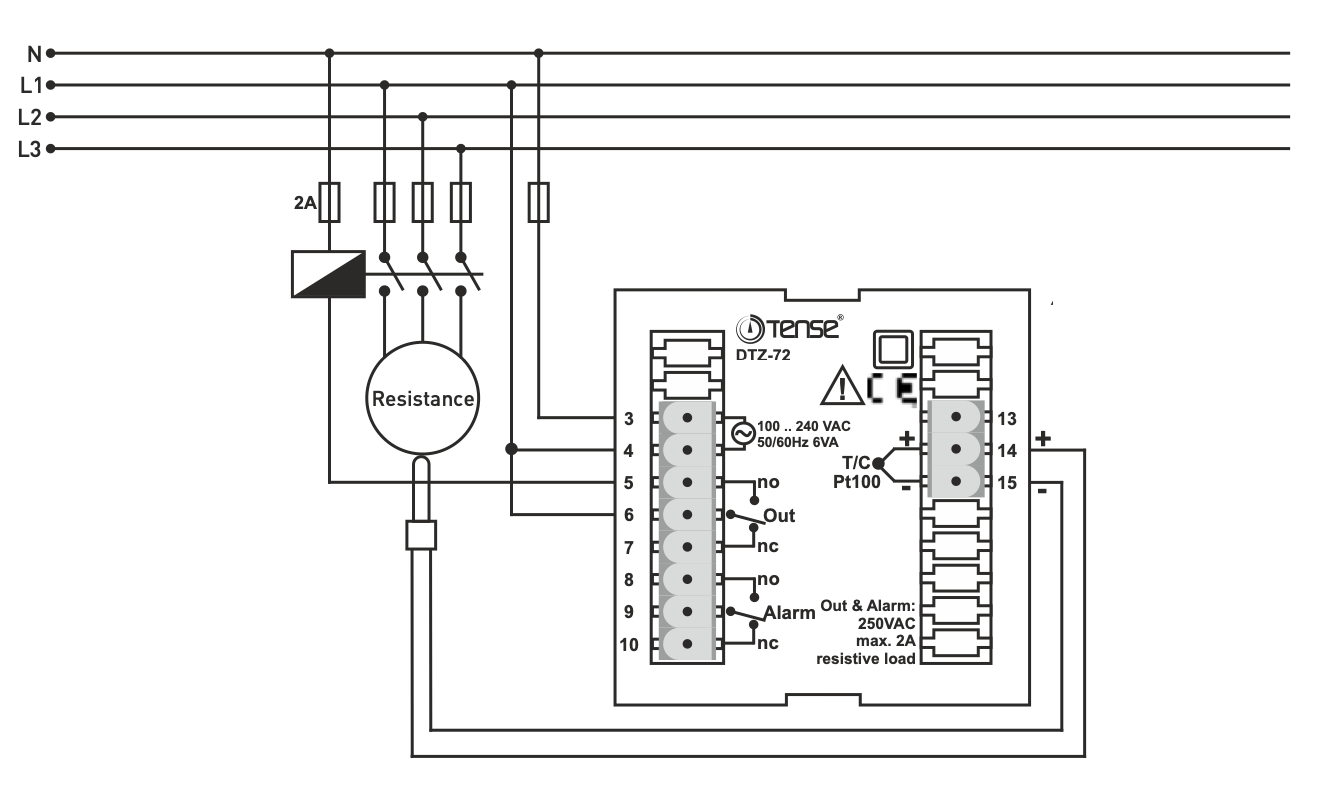
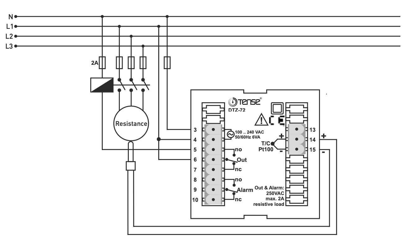
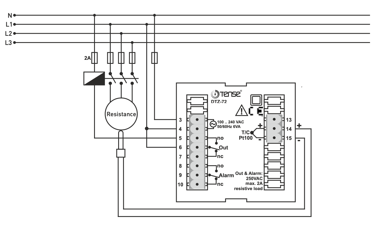
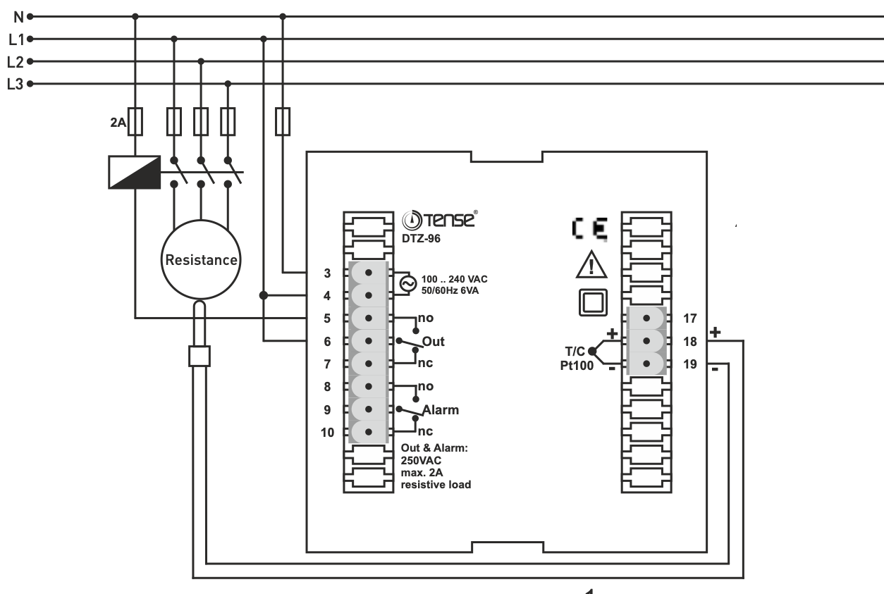
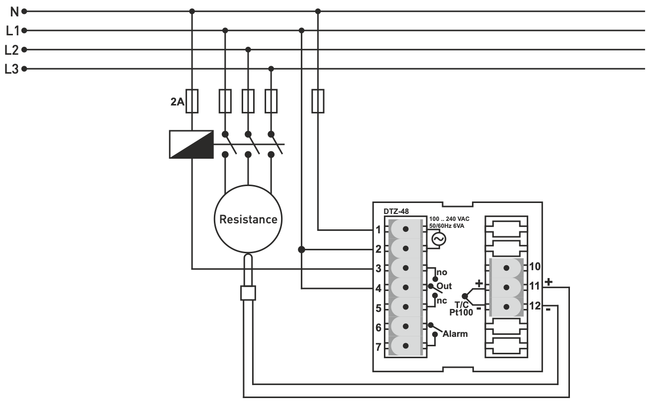
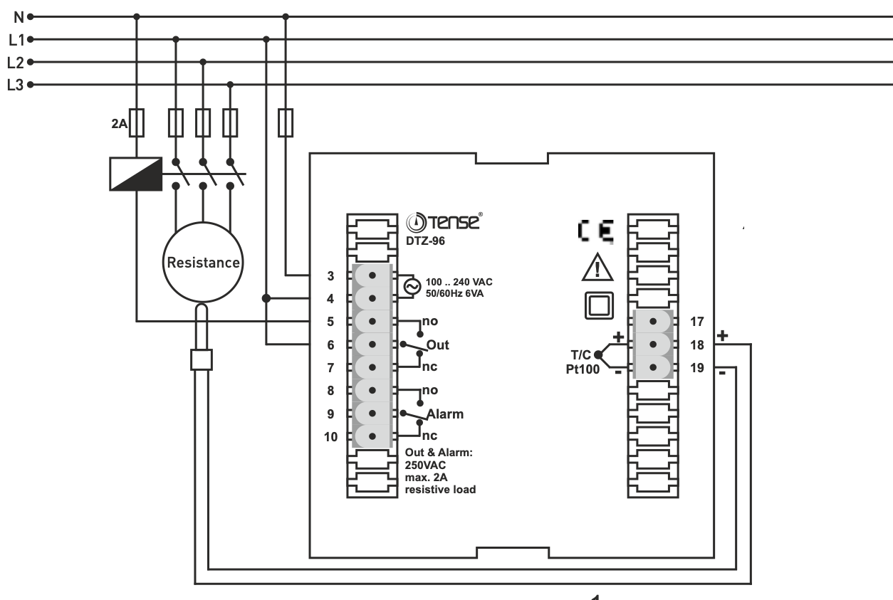
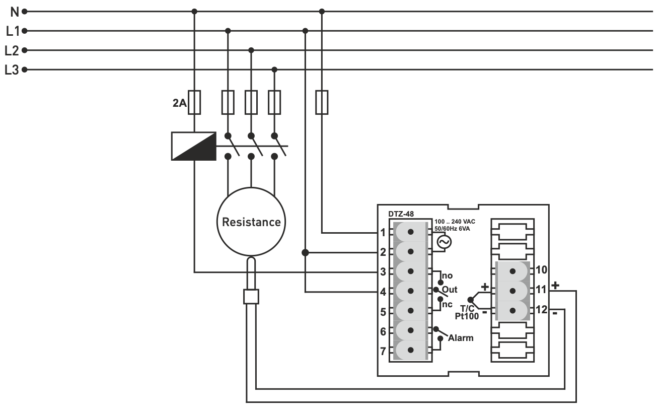
PID-Paneel-Temperaturregler - TENSE DTZ-48
Der DTZ-48 ist ein Schaltschrank-Temperaturregler mit eingebauter Zeitschaltuhr, der für die präzise Regelung von thermischen Prozessen in der Industrie, in Heizungs-, Klima- und Lüftungsanlagen sowie in der Gebäudeautomation entwickelt wurde.
Die Regelung erfolgt entweder im klassischen ON/OFF-Modus oder durch eine fortschrittliche PID-Regelung mit Selbstoptimierung und Istwertüberschreitungsbegrenzung.
Wichtigste Merkmale
-
Temperaturmessbereich: -100 °C bis +1750 °C (je nach Sensortyp)
-
Fühlertyp: T/C-Thermoelemente (J, K, T, S, R) oder Pt100-Widerstandsfühler
-
Regelungsart: P, PI, PD, PID oder ON-OFF
-
Eingebauter Timer für die Prozesssteuerung
-
Automatische Einstellung der PID-Parameter
-
Anti-Windup - verhindert, dass der Regelausgang während der Sättigung ansteigt
-
Einschaltverzögerung des Ausgangs bei Kühlbetrieb
-
Passwortschutz
-
EEPROM-Speicher für die Speicherung von Einstellungen
-
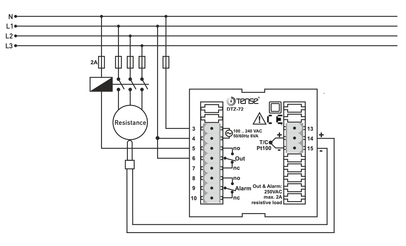
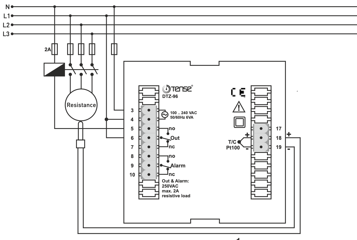
Regelausgang: Relais OUT (NO+NC) 250 VAC, 2A
-
Alarmausgang: Relais ALARM (NO+NC) 250 VAC, 2A, aktiv bei Über- oder Unterschreitung (ON nur bei DTZ-48)
-
Anzeige: Kontrastreich, auch bei schlechten Lichtverhältnissen gut ablesbar
Funktionen
-
Präzise Temperaturregelung mit sensorspezifischer Messbereichseinstellung
-
Regler ermöglicht gleichzeitige Anzeige von Soll- und Istwert
-
Eingebaute Zeitschaltuhr ermöglicht die zeitliche Steuerung von Heiz- oder Kühlvorgängen
-
Alarmrelais alarmiert bei Über- oder Unterschreitung des Wertes
Empfohlener Sensor
-
Thermoelement Typ J Fe-Const (6/8 Meter)
-
Messskala: -100 °C bis +600 °C
-
Kabellängen: 1 m, 1,5 m, 2 m, 2,5 m, 3 m, 4 m und 5 m
Anwendung
-
Heiz- und Kühlregelung in Industrieöfen und -anlagen
-
Temperaturregelung von Maschinen und Anlagen in der Lebensmittel-, Chemie- und Leichtindustrie
-
Gebäudeautomation und Klimatisierungssysteme
-
Anwendungen, bei denen ein zuverlässiger Alarmausgang erforderlich ist
Herunterladen auf
Online-Zahlung mit Karte – nach Abschluss der Bestellung werden Sie auf das Zahlungsportal weitergeleitet. Die Zahlungsbestätigung erhalten Sie per E-Mail.
Zahlung per Nachnahme – den auf dem Zahlungsauftrag angegebenen Betrag zahlen Sie dem Kurier des Lieferdienstes.
Zahlung per Banküberweisung – Sie erhalten spätestens am nächsten Werktag eine Proforma-Rechnung per E-Mail, auf der die Kontonummer angegeben ist, die Sie bei der Zahlung eingeben müssen.
Zahlung auf Rechnung – diese Möglichkeit haben Partner, die mit unserem Unternehmen einen Rahmenvertrag abgeschlossen haben.
Wenn Sie die letzten beiden Optionen nutzen möchten, kontaktieren Sie bitte unseren Leiter, der Ihnen Anweisungen gibt, wie Sie eine Rechnung mit oder ohne Mehrwertsteuer erhalten können.
Die elektrischen Geräte, die wir liefern, erfüllen hohe Qualitätsstandards, haben eine 24-monatige Garantie und entsprechen allen Anforderungen der EU.
Wir bieten auch kostenlosen Versand (bei Bestellungen über 100 EUR), ein flexibles Rabattsystem und Aktionen an. Das technische Wissen und die Erfahrung unserer Mitarbeiter ermöglichen es uns, qualitativ hochwertige Beratung anzubieten und bei Bedarf Alternativen zu elektrischen Produkten anzubieten.
Die von uns gelieferte Elektroausrüstung erfüllt hohe Qualitätsstandards, ist mit einer 24‑Monate‑Garantie versehen und entspricht allen EU‑Anforderungen.
Im Falle einer Reklamation ist die Rücksendung der Ware kostenlos.
