
Sie werden per E-Mail benachrichtigt, sobald das Produkt wieder auf Lager ist.
- Beschreibung
- Anleitungen
- Zahlungsmethoden
- Garantie
Schalttafel-Zeitrelais ERD-48M - Universeller digitaler Timer für die Industrie- und Heimautomatisierung
Das Schalttafel-Zeitrelais ERD-48M ist ein vielseitig einsetzbares digitales Zeitrelais, das für die Steuerung von Zeitzyklen, Industrieprozessen, Einzweckmaschinen und die Heimautomatisierung entwickelt wurde. Es bietet 13 verschiedene Betriebsarten, eine präzise Programmierung und eine breite Palette von Steuerungsmöglichkeiten.
Das Gerät ermöglicht die einfache Einstellung von Zeitabläufen zwischen 0,1 Sekunden und 99,59 Stunden über die Tasten auf der Vorderseite. Das doppelte LED-Display macht die Anzeige der Werte auch aus der Ferne klar und deutlich lesbar.
Hauptmerkmale:
-
Digitale Multifunktions-Zeitschaltuhr mit START / RESET / GATE-Steuereingängen
-
13 programmierbare Modi für eine breite Palette von Anwendungen
-
Zeiteinheiten: Stunden (99:59) / Minuten (99:59) / Sekunden (599,9 s)
-
Speicher für letzten Status - speichert Einstellungen und Ausgangsstatus bei Stromausfall
-
Doppelte LED-Anzeige:
-
Obere Zeile (rot): Sollwert
-
untere Zeile (gelb): aktuell gemessene Zeit oder Status
-
-
Anzeige des Schließens des Relais OUT mit einer roten LED
-
Eingebaute Spannungsversorgung für Sensoren: 12 V DC, max. 50 mA
-
Kompatibel mit 24 VDC-Signalen (PNP) oder kundenspezifischem 12-V-Ausgang von Klemme 9
-
Robuste Konstruktion, 48×48 mm Schalttafeleinbau
Funktionen und Bedienelemente
Das Gerät verfügt über 13 verschiedene Betriebsmodi, die volle Flexibilität bei der Steuerung ermöglichen:
-
Zeitverzögerung EIN
-
Zeitverzögerung AUS
-
zyklisch ein/aus
-
einmalige Zeitsteuerung
-
sequentielle Logiksteuerung
-
Zeitrelais mit Pause (GATE)
-
andere spezielle Zeitsteuerungsmodi
(Eine Liste von 13 Modi kann auf Anfrage hinzugefügt werden.)
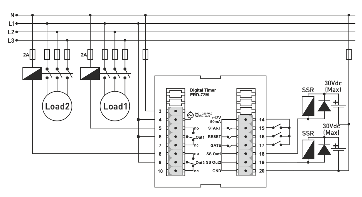
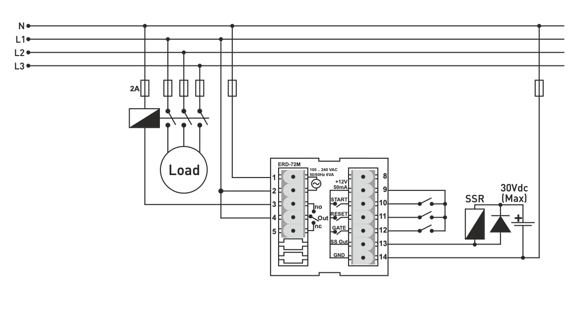
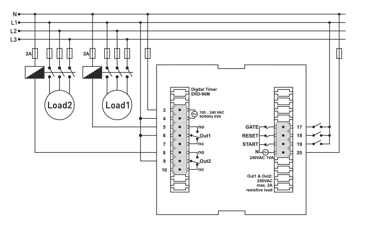
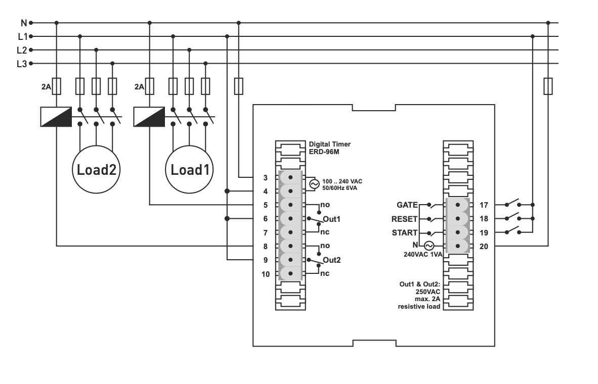
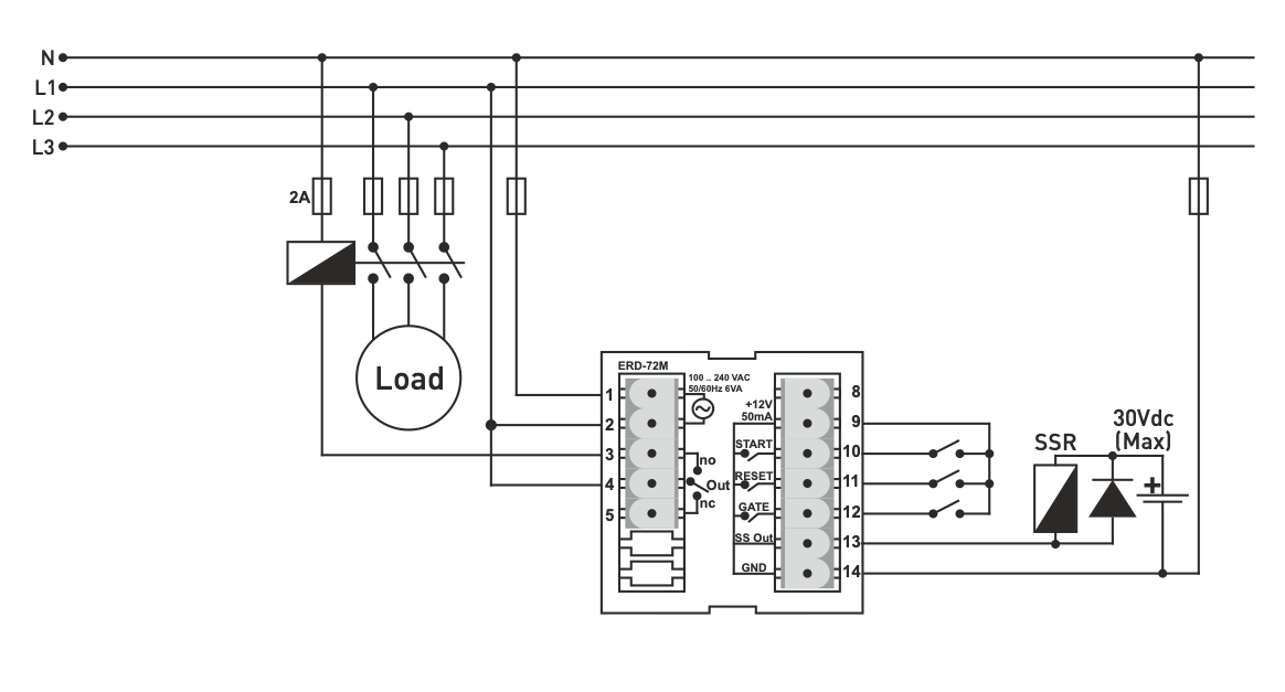
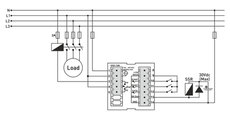
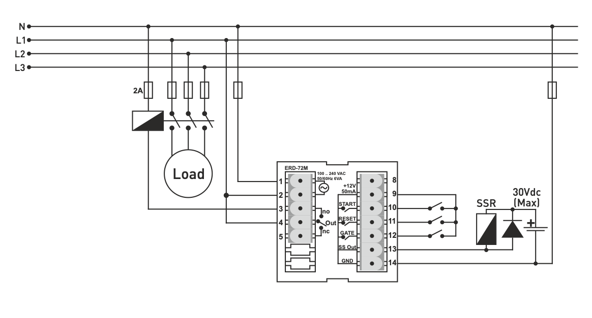
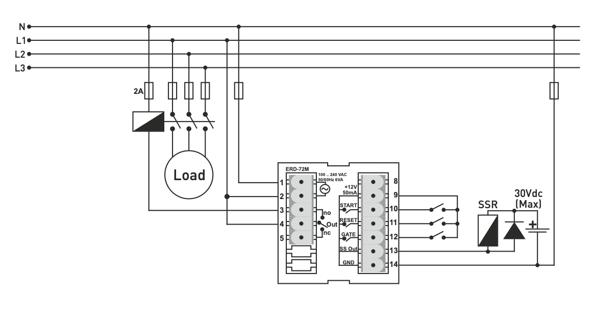
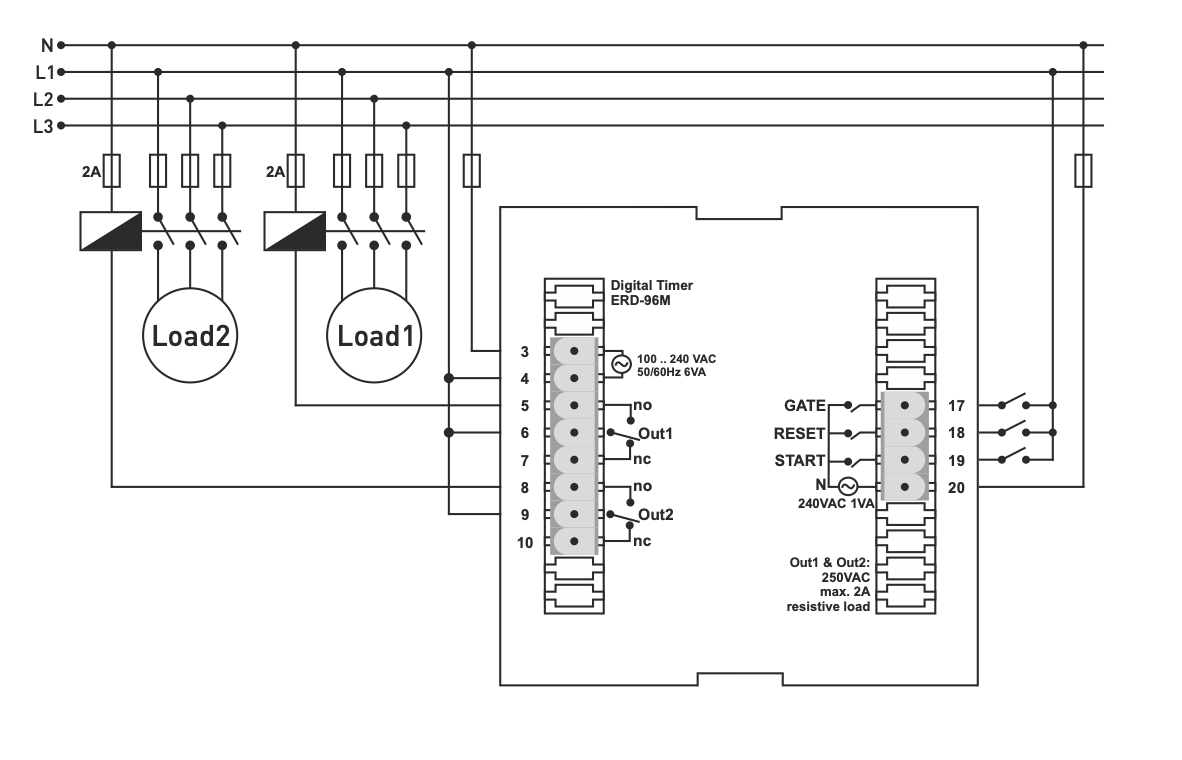
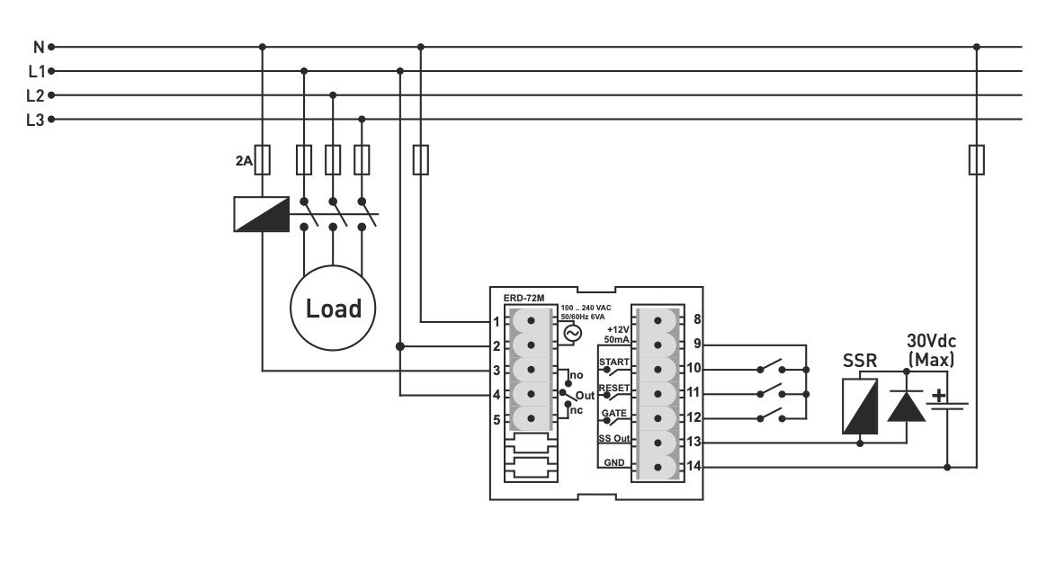
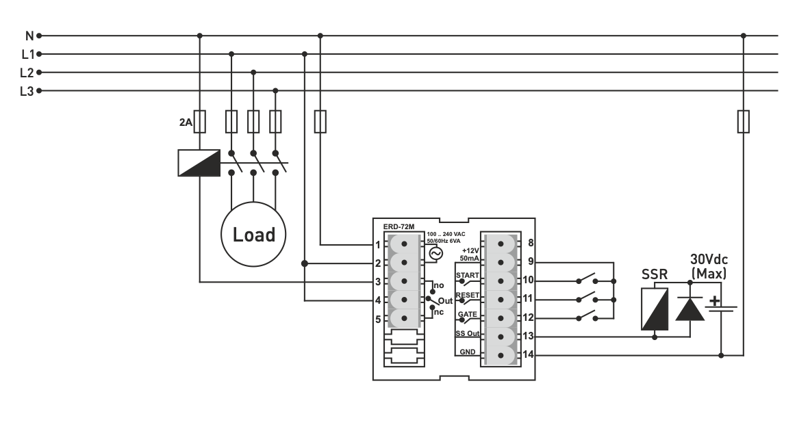
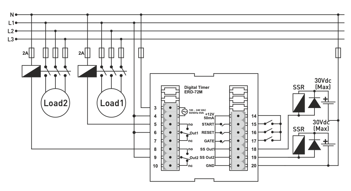
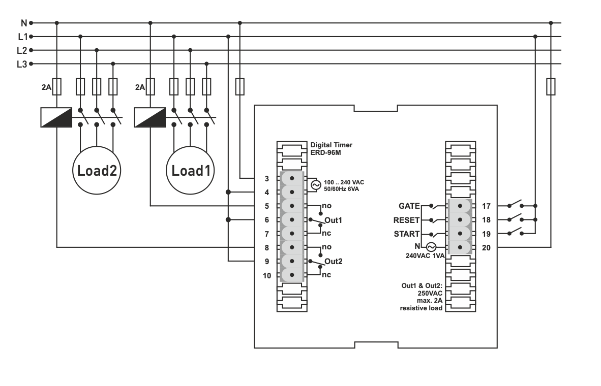
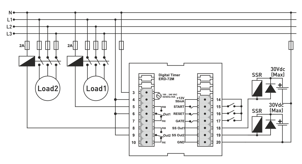
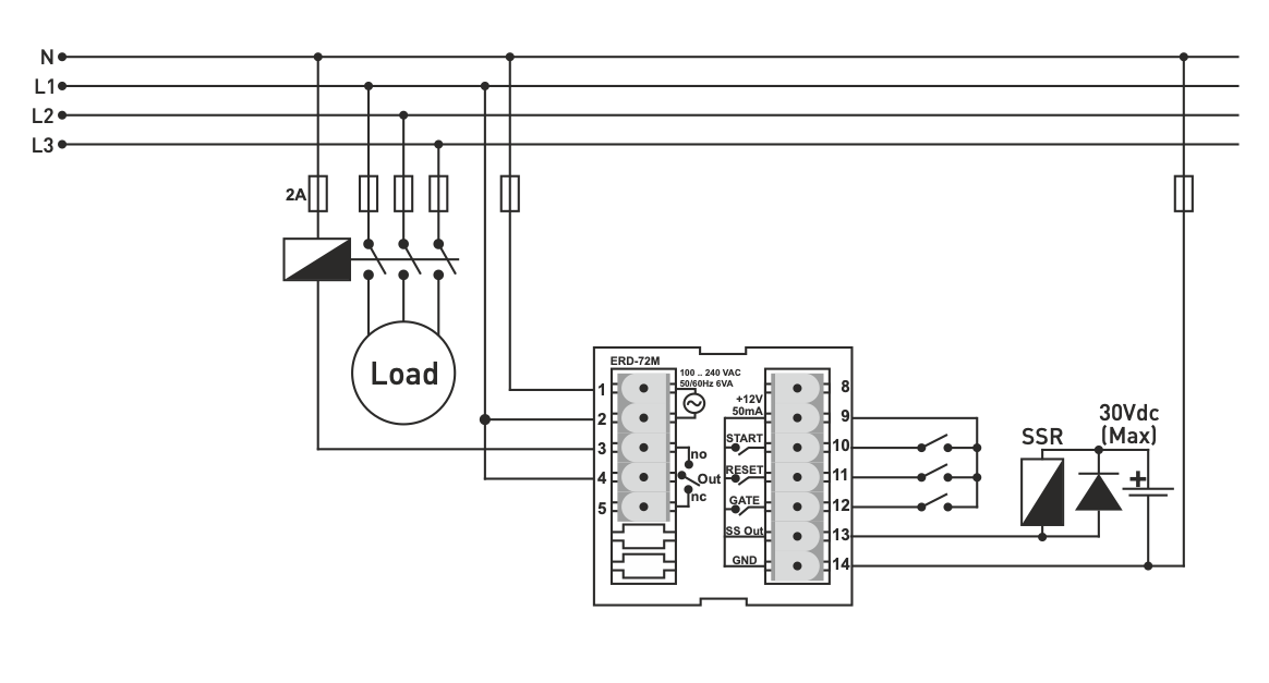
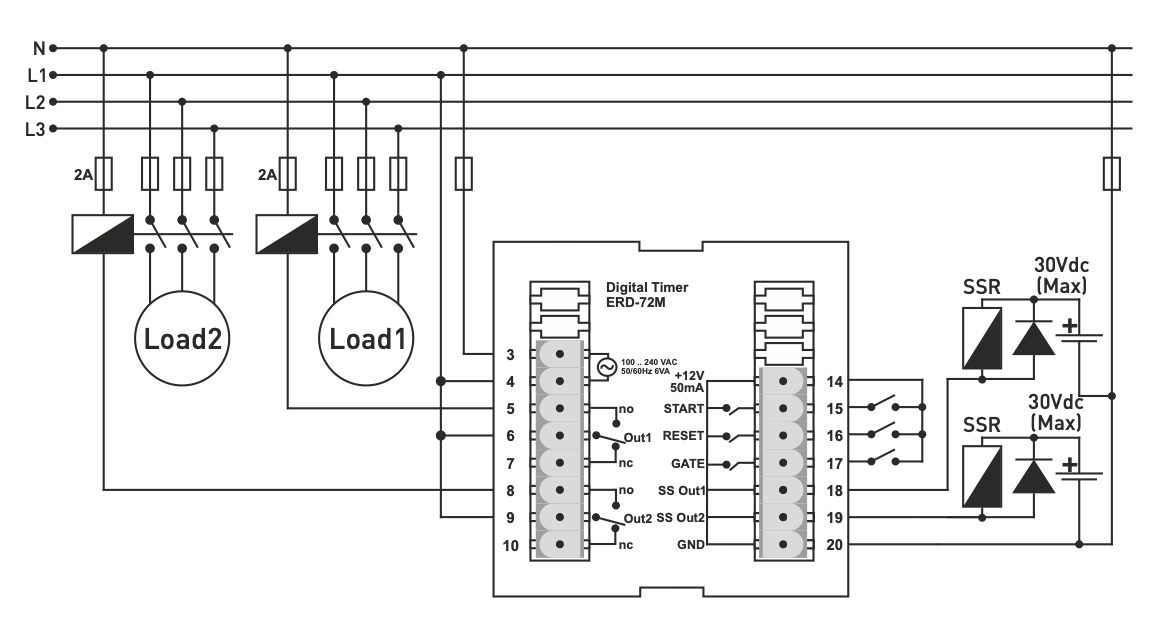
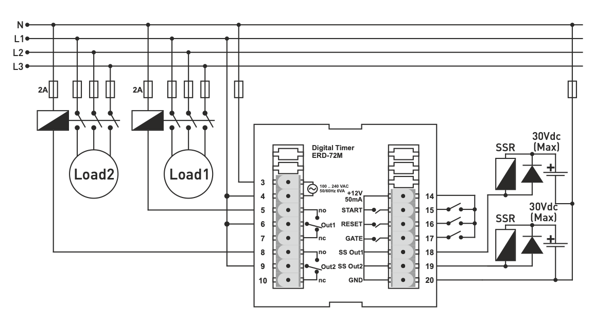
Steuereingänge:
-
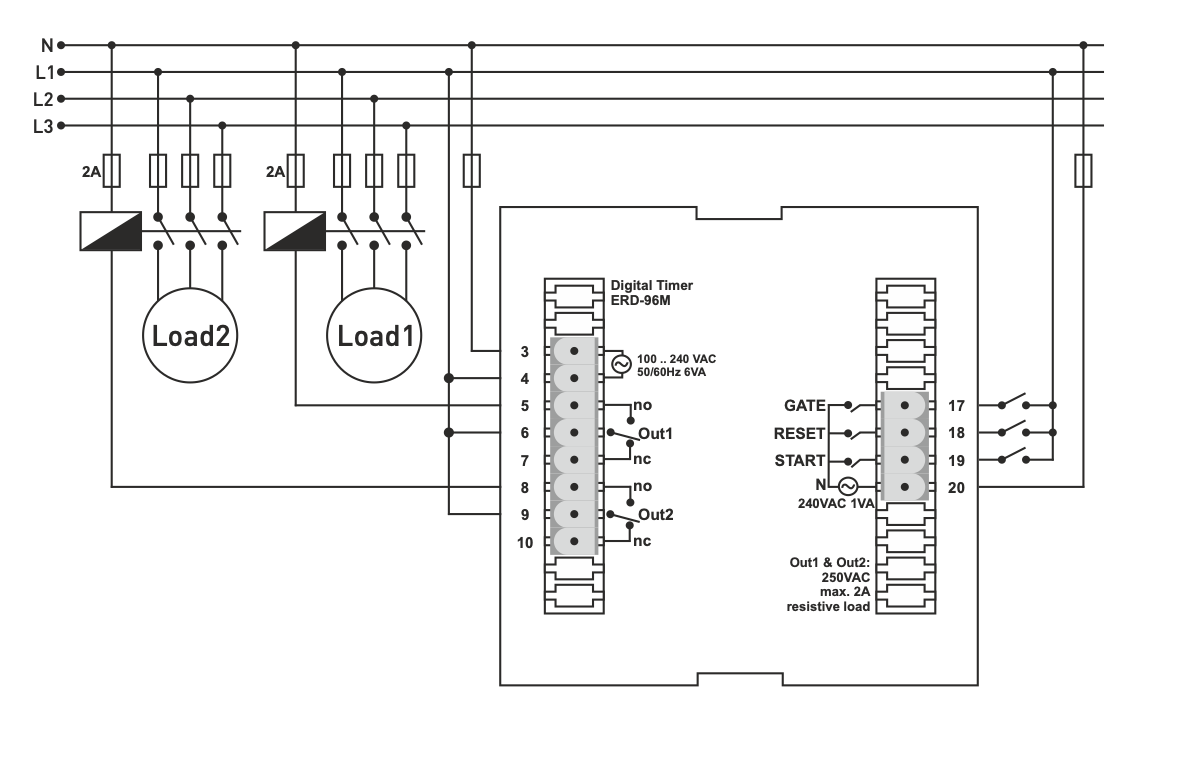
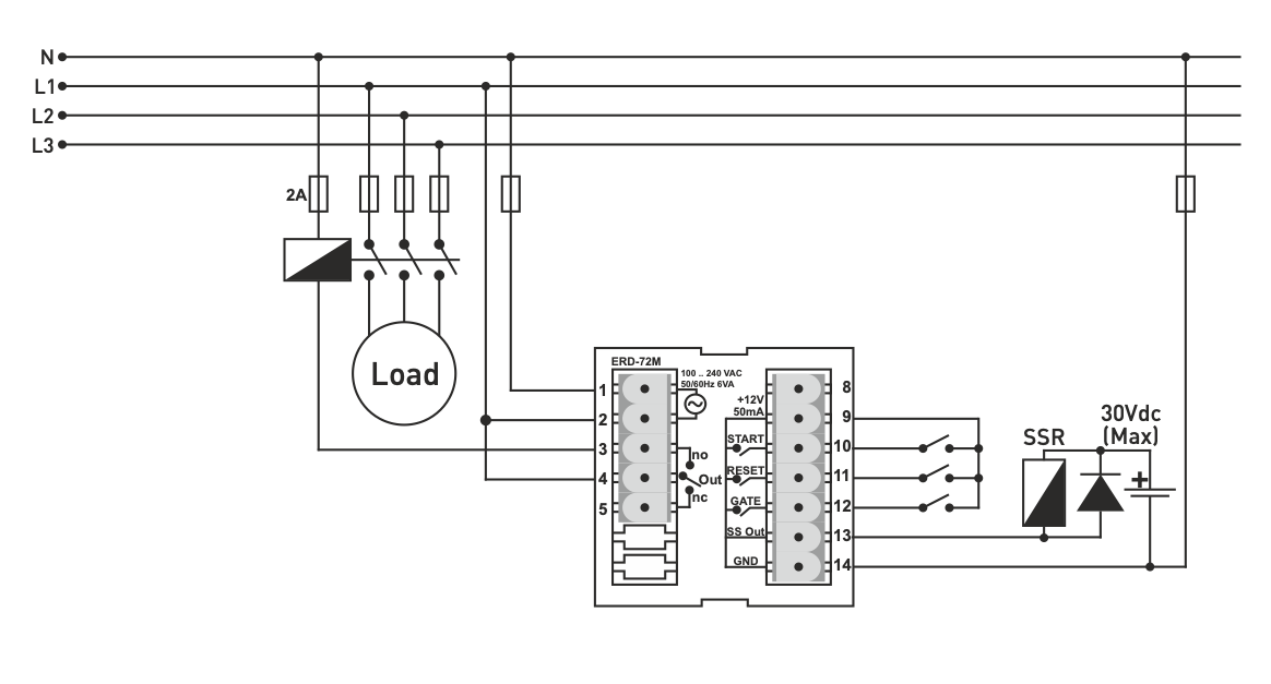
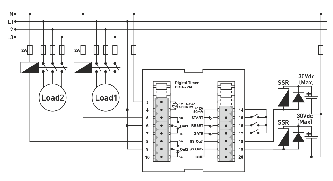
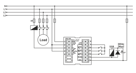
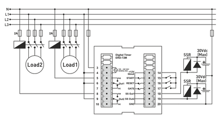
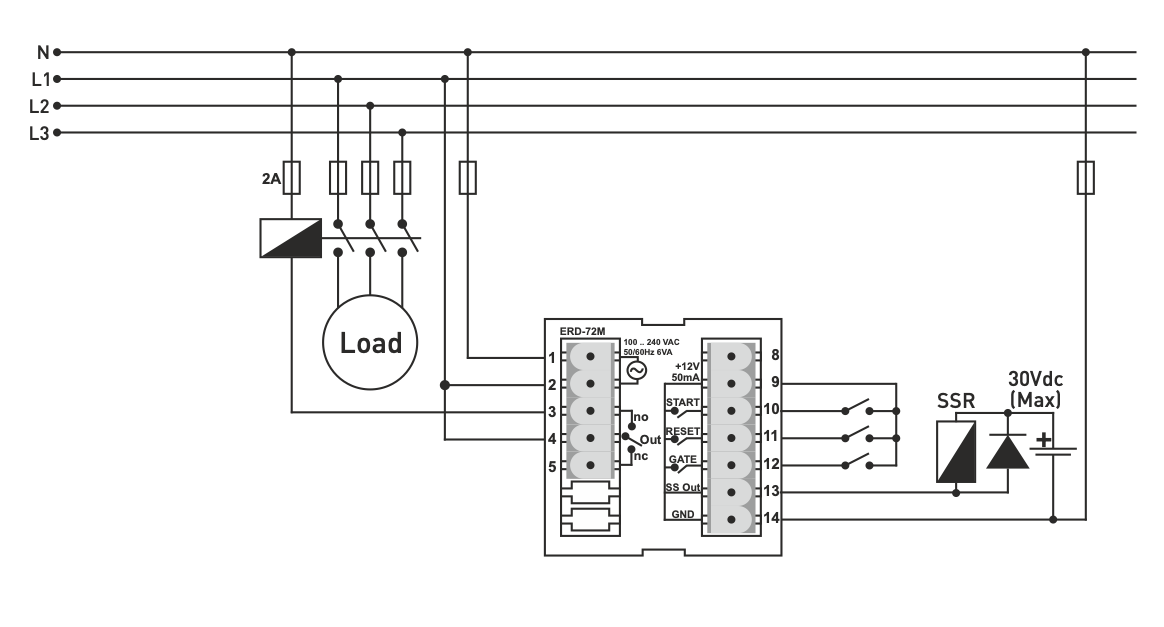
START (Klemme 10): Startet die Zeitschaltuhr.
-
RESET (Klemme 11): setzt die Zeit zurück
-
GATE (Klemme 12): Pausiert den Countdown (PAUSE)
-
Klemme 9: integrierte +12 V DC für Sensoren/Bedientasten (max. 50 mA)
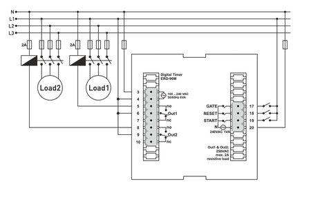
Ausgänge
Relaisausgang OUT1 (Klemmen 4-3-5):
-
Typ: SPDT-Schalter (NO-COM-NC)
-
Belastung: 250 VAC / 2 A, ohmsche Last
SSR-Ausgang OUT2 (Klemmen 13 und 14):
-
Steuersignal für Halbleiterrelais
-
Max. Ausgangspegel: 30 V DC
Technische Daten
-
Versorgungsspannung: 100...240 V AC, 50/60 Hz
-
Leistungsaufnahme: < 8 VA
-
Zeitlicher Bereich:
-
0,1 s bis 599,9 s
-
0 bis 99:59 min
-
0 bis 99:59 h
-
-
START/RESET/GATE-Eingänge: 7-32 V DC (EIN), 0-2 V DC (AUS)
-
Anzeige: 2×4-stellig, 7-Segment-LED (rot + gelb)
-
Betriebstemperatur: -20 °C bis +55 °C
-
Schalttafeleinbauausschnitt: 44 × 44 mm
-
Gesamtabmessungen: 48 × 48 × 99 mm
-
Betriebshöhe: < 2000 m
-
Montage: Schalttafeleinbau, Frontmontage
Herunterladen auf
Online-Zahlung mit Karte – nach Abschluss der Bestellung werden Sie auf das Zahlungsportal weitergeleitet. Die Zahlungsbestätigung erhalten Sie per E-Mail.
Zahlung per Nachnahme – den auf dem Zahlungsauftrag angegebenen Betrag zahlen Sie dem Kurier des Lieferdienstes.
Zahlung per Banküberweisung – Sie erhalten spätestens am nächsten Werktag eine Proforma-Rechnung per E-Mail, auf der die Kontonummer angegeben ist, die Sie bei der Zahlung eingeben müssen.
Zahlung auf Rechnung – diese Möglichkeit haben Partner, die mit unserem Unternehmen einen Rahmenvertrag abgeschlossen haben.
Wenn Sie die letzten beiden Optionen nutzen möchten, kontaktieren Sie bitte unseren Leiter, der Ihnen Anweisungen gibt, wie Sie eine Rechnung mit oder ohne Mehrwertsteuer erhalten können.
Die elektrischen Geräte, die wir liefern, erfüllen hohe Qualitätsstandards, haben eine 24-monatige Garantie und entsprechen allen Anforderungen der EU.
Wir bieten auch kostenlosen Versand (bei Bestellungen über 100 EUR), ein flexibles Rabattsystem und Aktionen an. Das technische Wissen und die Erfahrung unserer Mitarbeiter ermöglichen es uns, qualitativ hochwertige Beratung anzubieten und bei Bedarf Alternativen zu elektrischen Produkten anzubieten.
Die von uns gelieferte Elektroausrüstung erfüllt hohe Qualitätsstandards, ist mit einer 24‑Monate‑Garantie versehen und entspricht allen EU‑Anforderungen.
Im Falle einer Reklamation ist die Rücksendung der Ware kostenlos.
