
Sie werden per E-Mail benachrichtigt, sobald das Produkt wieder auf Lager ist.
Vorbestelltes Produkt
- Beschreibung
- Anleitungen
- Zahlungsmethoden
- Garantie
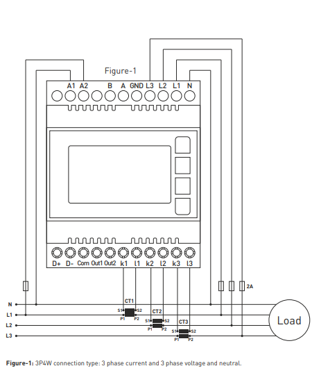
3-Phasen-Netzanalysator / Netzwerkanalysator / Netzwerkanalysator - Multifunktions-Digital-Panelmeter, Strom, Spannung, Frequenz und Gesamtleistungsanzeige, mit Relaisausgang, RS485 ModBus RTU - TPM-04SHDL Hersteller TENSE (Türkei) Panel Meter.
Die Leistungsanalysatoren sind für die Messung und Überwachung elektrischer Werte konzipiert. Dank der Kommunikationsfunktion können die gemessenen Energiewerte unabhängig überwacht und gemeldet werden. Mit den Leistungsanalysatoren können Analysen wie Netzqualität, Wirkungsgrad und Stückkostenberechnung durchgeführt werden.
Wichtigste Vorteile:
- RS485 Modbus RTU (1200-19200b/s)
- Dreiphasiger Spannungswandler und dreiphasiger Stromwandler.
-
Zeigt die Oberschwingungsanteile von Spannung und Strom bis zur 31.
-
Anzeige der Wirkleistung pro Phase (P)
-
Anzeige der Blindleistung pro Phase (Q, induktiv und kapazitiv)
-
Anzeige der Scheinleistung pro Phase (S)
-
Anzeige der Cosφ- und Leistungsfaktorwerte jeder Phase.
-
Anzeige der Spannungs- (V) und Stromwerte (I) zwischen den Phasen und den neutralen Phasen und Messung der Frequenz.
-
Anzeige der Gesamtwerte der importierten und exportierten Wirkenergie (ΣkWh)
-
Anzeige der Gesamtwerte der induktiven und kapazitiven Blindenergie (ΣkVArh).
-
Anzeige von Minimal- und Maximalwerten, max.
-
2 Relaisausgänge, 1 Digitaleingang
-
Ereignisprotokolle (hohe/niedrige Spannung/Strom, Spannungs-/Stromasymmetrie, THD-I)
-
Das Menü ist passwortgeschützt.
Üblicherweise wird dieser Netzanalysator mit Strommesswandlern - 60/5 75/5 100/5 150/5 200/5 250/5 300/5 400/5 500/5 600/5 800/5 1000/5 1500/5 oder ähnlich - verwendet. Wenn Sie den Analysator an den ModBus anschließen wollen, senden wir Ihnen auf Anfrage eine "Registration Table" mit ModBus-Adressen zu.
Online-Zahlung mit Karte – nach Abschluss der Bestellung werden Sie auf das Zahlungsportal weitergeleitet. Die Zahlungsbestätigung erhalten Sie per E-Mail.
Zahlung per Nachnahme – den auf dem Zahlungsauftrag angegebenen Betrag zahlen Sie dem Kurier des Lieferdienstes.
Zahlung per Banküberweisung – Sie erhalten spätestens am nächsten Werktag eine Proforma-Rechnung per E-Mail, auf der die Kontonummer angegeben ist, die Sie bei der Zahlung eingeben müssen.
Zahlung auf Rechnung – diese Möglichkeit haben Partner, die mit unserem Unternehmen einen Rahmenvertrag abgeschlossen haben.
Wenn Sie die letzten beiden Optionen nutzen möchten, kontaktieren Sie bitte unseren Leiter, der Ihnen Anweisungen gibt, wie Sie eine Rechnung mit oder ohne Mehrwertsteuer erhalten können.
Die elektrischen Geräte, die wir liefern, erfüllen hohe Qualitätsstandards, haben eine 24-monatige Garantie und entsprechen allen Anforderungen der EU.
Wir bieten auch kostenlosen Versand (bei Bestellungen über 100 EUR), ein flexibles Rabattsystem und Aktionen an. Das technische Wissen und die Erfahrung unserer Mitarbeiter ermöglichen es uns, qualitativ hochwertige Beratung anzubieten und bei Bedarf Alternativen zu elektrischen Produkten anzubieten.
Die von uns gelieferte Elektroausrüstung erfüllt hohe Qualitätsstandards, ist mit einer 24‑Monate‑Garantie versehen und entspricht allen EU‑Anforderungen.
Im Falle einer Reklamation ist die Rücksendung der Ware kostenlos.
