
Sie werden per E-Mail benachrichtigt, sobald das Produkt wieder auf Lager ist.
Vorbestelltes Produkt
- Beschreibung
- Anleitungen
- Zahlungsmethoden
- Garantie
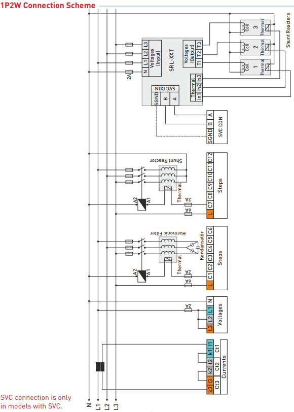
Blindleistungsregler 12 Stufen + TCR mit 2,9" Grafik-LCD-Display (TENSE) - RGT-12E
Der Blindleistungsregler RGT-12E von TENSE ist ein vollautomatischer und hochpräziser Regler für die optimale Steuerung von Kompensationsstufen in Stromnetzen. Mit digitaler Messwerterfassung, intelligenten Algorithmen und einem grafischen LCD-Display gewährleistet er einen stabilen Leistungsfaktor, eine effiziente Blindleistungsregelung und den Schutz der Kompensationsanlagen.
Hauptmerkmale und Funktionen
Automatische Erkennung von Kompensationsanlagen
Der Regler konfiguriert sich nach dem Einschalten selbst:
-
Er erkennt automatisch die Größe der angeschlossenen Kondensatorstufen
-
es ist auch möglich, die Parameter manuell einzugeben
-
das System prüft kontinuierlich den Status jeder Stufe
Intelligente Schaltsteuerung
Der Regler schaltet die Stufen so ein und aus, dass:
-
ein stabiler Leistungsfaktor mit einer minimalen Anzahl von Schaltungen erreicht wird
-
die einzelnen Stufen gleichmäßig belastet werden
-
die Kondensatoren mit der geringsten Restladung bevorzugt werden
-
der Zustand jeder Stufe gleichzeitig überprüft wird (Ausfälle, Leistungsänderungen, Herausnehmen und Wiedereinschalten)
TCR (Thyristor Switched Reactor) Unterstützung
Der Regler ermöglicht die Kompensationsregelung mit thyristorgeschalteten Drosseln, was ideal ist für:
-
Industrielle Anwendungen
-
dynamische Kompensation
-
Systeme mit häufigen Lastwechseln
Erweiterte Messung und Analyse
-
Messung von Oberschwingungsspannungen und -strömen bis zur 31. Oberschwingung
-
Überwachung der Gesamtenergie (Import/Export)
-
Messung von THD-V und THD-I für jede Phase
-
Generierung von Leistungsanalysen (20 Stichproben von 9999 min) - sehr nützlich bei der Planung von KompensationsanlagenFlexibleVerdrahtung von Kompensationselementen
Anwendungsmöglichkeiten:
-
einphasige Kondensatoren
-
zweiphasige Kondensatoren
-
dreiphasige Kondensatoren
-
Nebenschlussdrosseln
Einstellbare Zeitfunktionen
Kann eingestellt werden:
-
Einschaltzeit
-
Entladezeit
-
Einschwingzeit
Dies ermöglicht eine genaue Anpassung der Steuerung an die Art des Betriebs.
Generatorfunktionen
Der Regler verfügt über:
-
Steuereingang für den Generator
-
Generatorversorgungs-Kompensationsfunktion
Technische Merkmale (Kurzübersicht)
-
12 Relais-Kompensationsausgänge
-
TCR-Unterstützung
-
Grafische LCD-Anzeige 2,9"
-
Automatische Stufenerkennung
-
Oberwellenmessung bis zur 31. Ordnung
-
Energiestatistik und Historie
-
THD-V / THD-I
-
Unterstützung für einphasige, zweiphasige und dreiphasige Stufen
-
Programmierbare Aus-, Einschalt- und Entladezeit
-
Störungsschutz in Stufen
Online-Zahlung mit Karte – nach Abschluss der Bestellung werden Sie auf das Zahlungsportal weitergeleitet. Die Zahlungsbestätigung erhalten Sie per E-Mail.
Zahlung per Nachnahme – den auf dem Zahlungsauftrag angegebenen Betrag zahlen Sie dem Kurier des Lieferdienstes.
Zahlung per Banküberweisung – Sie erhalten spätestens am nächsten Werktag eine Proforma-Rechnung per E-Mail, auf der die Kontonummer angegeben ist, die Sie bei der Zahlung eingeben müssen.
Zahlung auf Rechnung – diese Möglichkeit haben Partner, die mit unserem Unternehmen einen Rahmenvertrag abgeschlossen haben.
Wenn Sie die letzten beiden Optionen nutzen möchten, kontaktieren Sie bitte unseren Leiter, der Ihnen Anweisungen gibt, wie Sie eine Rechnung mit oder ohne Mehrwertsteuer erhalten können.
Die elektrischen Geräte, die wir liefern, erfüllen hohe Qualitätsstandards, haben eine 24-monatige Garantie und entsprechen allen Anforderungen der EU.
Wir bieten auch kostenlosen Versand (bei Bestellungen über 100 EUR), ein flexibles Rabattsystem und Aktionen an. Das technische Wissen und die Erfahrung unserer Mitarbeiter ermöglichen es uns, qualitativ hochwertige Beratung anzubieten und bei Bedarf Alternativen zu elektrischen Produkten anzubieten.
Die von uns gelieferte Elektroausrüstung erfüllt hohe Qualitätsstandards, ist mit einer 24‑Monate‑Garantie versehen und entspricht allen EU‑Anforderungen.
Im Falle einer Reklamation ist die Rücksendung der Ware kostenlos.
