
Sie werden per E-Mail benachrichtigt, sobald das Produkt wieder auf Lager ist.
Vorbestelltes Produkt
- Beschreibung
- Anleitungen
- Zahlungsmethoden
- Garantie
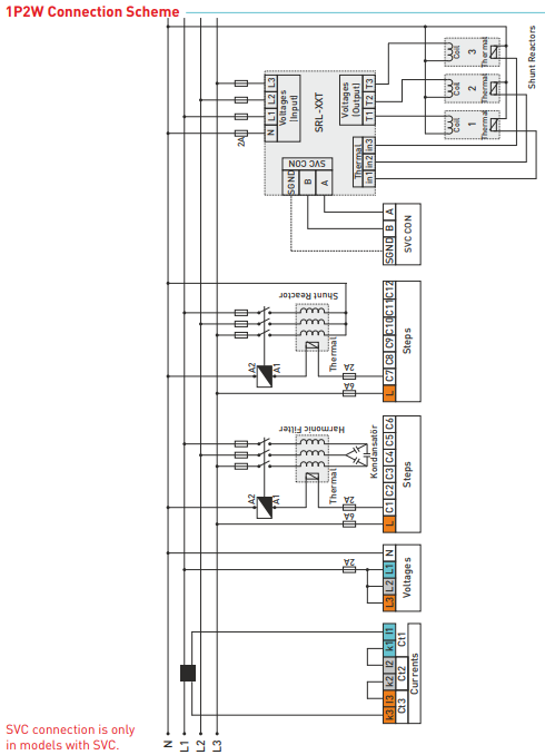
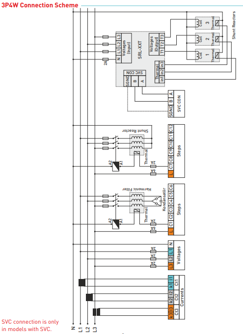
Blindleistungsregler RGT-12 SVC - 12 Stufen + SVC, LCD, RS485 MODBUS RTUAbmessungen 147 × 147 mmHersteller TENSE (Türkei)
Beschreibung des Geräts
Der RGT-12 SVC ist ein 12-stufiger dreiphasiger Blindleistungskompensationsregler mit grafischem LCD-Display, kompatibel mit SVC (Static VAR Compensation).
-
Er wird zur Kompensation sowohl induktiver als auch kapazitiver Blindleistung eingesetzt.
-
Wenn die induktive Blindleistung aus dem Netz kommt, → schaltet der Regler Kondensatoren zu.
-
Wenn die kapazitive Blindleistung aus dem Netz kommt → schaltet der Regler eine Shunt-Drossel ein.
-
Dadurch wird das Verhältnis zwischen induktiver und kapazitiver Energie wirksam reduziert und der Leistungsfaktor optimiert.
-
Ermöglicht eine effiziente Stufenkompensation für unsymmetrische Systeme.
Was ist ein SVC (TCR)?
SVC ist ein statisches Blindleistungskompensationssystem mit thyristorgesteuerten Drosseln, das eine gleichmäßige und schnelle Kompensation der kapazitiven Leistung im System ermöglicht.
Wichtigste Merkmale
-
12 Relaisausgänge + SVC (TCR)-Ausgang
-
Kann mit einem oder drei Stromwandlern verwendet werden
-
2,9"-LCD-Display + 17 LED-Anzeigen für einfache Einrichtung und Steuerung
-
RS485 MODBUS RTU - Fernsteuerung, SCADA-kompatibel
-
Separater programmierbarer Relaisausgang für Alarme (Überspannung, Oberschwingungen, cosφ)
-
Passwortschutz für Parametereinstellungen
-
Anzeige der angeschlossenen Kompensationsstufen
-
Automatische und manuelle Einstellung der Kondensatorwerte
-
Steuerung des gleichmäßigen Betriebs der einzelnen Stufen
-
Einstellung der Reaktionszeit auf Änderungen, Entladezeit und Aktivierung der Stufen
-
Kompensation von induktiven und kapazitiven Anteilen
-
Eingebaute Wirk-/Blindenergiezähler (Import/Export)
-
Anzeige von bis zu 31 Oberschwingungen von Spannung und Strom
-
Messung der gesamten harmonischen Verzerrung (THD)
-
Eingebauter Blindenergieanalysator mit Protokoll (20 Datensätze mit 9999 Min.)
-
Anschluss von ein-, zwei- und dreiphasigen Kondensatoren und Shunt-Drosseln
-
Regelungsmöglichkeit mit Generatorversorgung
-
Max. kvar pro Stufe: 100 kVA, max. für Regler: 1200 kVA
Technische Daten
-
Betriebsspannung: 100-300 VAC
-
Messgenauigkeit: Strom/Spannung ±0,5%, Wirkleistung ±1%, Blindleistung ±2%.
-
Stromwandlerbereich: 5/5 ... 5000/5
-
Anschluss: Schnelltrennblock
-
Schutzart: IP41 (Frontplatte), IP20 (Rückseite)
-
Abmessungen des Schalttafelausschnitts: 140 × 140 mm
-
Befestigung: zuverlässige 4-Punkt-Befestigung (2 Druck- + 2 Schraubklemmen)
Display und Anzeige
-
Grafisches LCD-Display 2,9"
-
17 LEDs zur klaren Überwachung der Betriebsparameter
-
Anzeige der angeschlossenen Stufen
-
Anzeige von Gesamt- und Einzelleistung, Oberschwingungen und Leistungsfaktor
Der Regler ist geeignet für:
Industrielle und zivile Anlagen: Fabriken, Werkstätten, Bauernhöfe, Hotels, Tankstellen, Einkaufszentren, Schulen, Krankenhäuser, Banken.
Online-Zahlung mit Karte – nach Abschluss der Bestellung werden Sie auf das Zahlungsportal weitergeleitet. Die Zahlungsbestätigung erhalten Sie per E-Mail.
Zahlung per Nachnahme – den auf dem Zahlungsauftrag angegebenen Betrag zahlen Sie dem Kurier des Lieferdienstes.
Zahlung per Banküberweisung – Sie erhalten spätestens am nächsten Werktag eine Proforma-Rechnung per E-Mail, auf der die Kontonummer angegeben ist, die Sie bei der Zahlung eingeben müssen.
Zahlung auf Rechnung – diese Möglichkeit haben Partner, die mit unserem Unternehmen einen Rahmenvertrag abgeschlossen haben.
Wenn Sie die letzten beiden Optionen nutzen möchten, kontaktieren Sie bitte unseren Leiter, der Ihnen Anweisungen gibt, wie Sie eine Rechnung mit oder ohne Mehrwertsteuer erhalten können.
Die elektrischen Geräte, die wir liefern, erfüllen hohe Qualitätsstandards, haben eine 24-monatige Garantie und entsprechen allen Anforderungen der EU.
Wir bieten auch kostenlosen Versand (bei Bestellungen über 100 EUR), ein flexibles Rabattsystem und Aktionen an. Das technische Wissen und die Erfahrung unserer Mitarbeiter ermöglichen es uns, qualitativ hochwertige Beratung anzubieten und bei Bedarf Alternativen zu elektrischen Produkten anzubieten.
Die von uns gelieferte Elektroausrüstung erfüllt hohe Qualitätsstandards, ist mit einer 24‑Monate‑Garantie versehen und entspricht allen EU‑Anforderungen.
Im Falle einer Reklamation ist die Rücksendung der Ware kostenlos.
