
Sie werden per E-Mail benachrichtigt, sobald das Produkt wieder auf Lager ist.
Vorbestelltes Produkt
- Beschreibung
- Anleitungen
- Zahlungsmethoden
- Garantie
Blindleistungsregler RGT-MT18 - 18 Stufen + SVC, Touchscreen, RS485 MODBUS RTU
Die Neuentwicklung von TENSE erfüllt alle aktuellen Anforderungen an moderne Blindleistungskompensationsanlagen, die in industriellen und zivilen Einrichtungen installiert sind: Fabriken, Werkstätten, Bauernhöfe, Hotels, Tankstellen, Einkaufszentren, Schulen, Krankenhäuser, Banken.
Über das Gerät
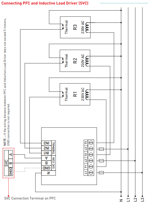
Der RGT-MT18 ist ein 18-stufiger, dreiphasiger, SVC-kompatibler (TCR) Blindleistungskompensationsregler mit Touchscreen.
-
Er wird zur Blindleistungskompensation (induktiv und kapazitiv) eingesetzt.
-
Wenn die induktive Blindleistung aus dem Netz stammt, schaltet der Regler Kondensatoren zu.
-
Kommt die kapazitive Blindleistung aus dem Netz, schaltet der Regler eine Shunt-Drossel ein.
-
Ziel ist es, das Verhältnis zwischen induktiver und kapazitiver sowie Wirk- und Blindenergie im System zu verringern.
-
Er ermöglicht eine effektive Stufenkompensation für unsymmetrische Systeme.
Was ist ein SVC (TCR)?
SVC - Static VAR Compensation ist ein statisches Blindleistungskompensationssystem, das thyristorgesteuerte Drosseln verwendet, um die kapazitive Leistung im System gleichmäßig und schnell zu kompensieren.
Wichtigste Vorteile und Merkmale
-
18 Relaisausgänge + SVC (TCR)
-
5-Zoll-Touchscreen - einfache Installation und vollständige Systemsteuerung
-
Alarmausgang: Spannung, Oberschwingungsstrom/-spannung, induktive und kapazitive Leistung
-
Generatoreingang und Generatorkompensation
-
Fernkommunikation über RS485 (MODBUS RTU)
-
Manuelle Stufenwerteinstellung
-
Anschluss von ein-, zwei- und dreiphasigen Kondensatoren und Nebenschlussdrosseln
-
Überwachung von Spannungs- und Stromoberschwingungen bis zur 61sten Oberschwingung
-
Temperatur-Alarmausgang
-
Grafische Anzeige: Leistungsfaktor, cosφ jeder Phase
-
Grafische Anzeige: Verhältnis von kapazitiver/Blindenergie und induktiver/Blindenergie
-
Überwachung der Gesamtenergie (Import/Export)
-
Überwachung von THD-V und THD-I für jede Phase
-
Erstellung von Leistungsanalysen (20 Stichproben, 9999 Min.)
-
Erfassung der Leistungsaufnahme (Wirk-, Blind-, Schein- und Stromleistung)
-
Überwachung der minimalen, maximalen und durchschnittlichen Strom- und Spannungswerte jeder Phase
-
Echtzeit (RTC)
-
Passwortgeschütztes Menü
Technische Daten
-
Versorgungsspannung: 100-300 VAC
-
Frequenz: 50/60 Hz
-
Leistungsaufnahme: < 12 VA
-
Betriebstemperatur: -20 °C bis +55 °C
-
Spannungsmessbereich: 5-280 V AC
-
Strommessbereich: 5 mA - 5,5 A (ohne Stromwandler)
-
Anschließbarer TTI: 5/5 A ... 10000/5 A
-
Anzahl der Oberschwingungen: 2-61
-
Echtzeituhr: > 5 Jahre
-
Messgenauigkeit: ±1 %
-
Anzeige: 5-Zoll-Farb-Touchscreen
-
Anschlussart: Klemmleiste
-
Kontakte der Endstufen: 3 A/250 VAC
-
Anzahl der Stufen: 18 + SVC
-
Schnittstelle: RS485 MODBUS RTU
-
Kabeldurchmesser: 2,5 mm²
-
Gewicht: max. 900 g
-
Montage: versenkt in der Schalttafel
-
Arbeitshöhe: < 2000 m
-
Schutzart: IP41 (Frontplatte), IP20 (Gehäuse)
-
Abmessungen des Schalttafelausschnitts: 140 × 140 mm
Online-Zahlung mit Karte – nach Abschluss der Bestellung werden Sie auf das Zahlungsportal weitergeleitet. Die Zahlungsbestätigung erhalten Sie per E-Mail.
Zahlung per Nachnahme – den auf dem Zahlungsauftrag angegebenen Betrag zahlen Sie dem Kurier des Lieferdienstes.
Zahlung per Banküberweisung – Sie erhalten spätestens am nächsten Werktag eine Proforma-Rechnung per E-Mail, auf der die Kontonummer angegeben ist, die Sie bei der Zahlung eingeben müssen.
Zahlung auf Rechnung – diese Möglichkeit haben Partner, die mit unserem Unternehmen einen Rahmenvertrag abgeschlossen haben.
Wenn Sie die letzten beiden Optionen nutzen möchten, kontaktieren Sie bitte unseren Leiter, der Ihnen Anweisungen gibt, wie Sie eine Rechnung mit oder ohne Mehrwertsteuer erhalten können.
Die elektrischen Geräte, die wir liefern, erfüllen hohe Qualitätsstandards, haben eine 24-monatige Garantie und entsprechen allen Anforderungen der EU.
Wir bieten auch kostenlosen Versand (bei Bestellungen über 100 EUR), ein flexibles Rabattsystem und Aktionen an. Das technische Wissen und die Erfahrung unserer Mitarbeiter ermöglichen es uns, qualitativ hochwertige Beratung anzubieten und bei Bedarf Alternativen zu elektrischen Produkten anzubieten.
Die von uns gelieferte Elektroausrüstung erfüllt hohe Qualitätsstandards, ist mit einer 24‑Monate‑Garantie versehen und entspricht allen EU‑Anforderungen.
Im Falle einer Reklamation ist die Rücksendung der Ware kostenlos.
