
Sie werden per E-Mail benachrichtigt, sobald das Produkt wieder auf Lager ist.
- Beschreibung
- Anleitungen
- Zahlungsmethoden
- Garantie
Thermostat / 2-Punkt-Temperaturregler TENSE
Produkt-Beschreibung:
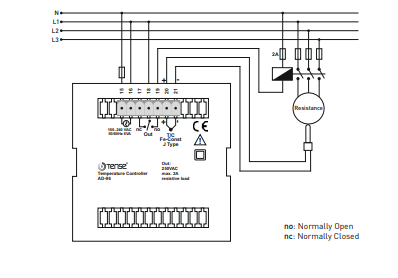
Der Temperaturregler ist für die EIN/AUS- (ON/OFF) oder proportionale Regelung von Temperaturprozessen konzipiert. Geeignet für Heizungs-, Klima- und Lüftungsanlagen, Gebäudeautomation und Industrieanlagen.
Funktionen und Merkmale:
-
ON/OFF (Zweipunkt-) oder Proportionalregelung.
-
Fühlertyp: T/C (Typ J, Fe-Const)
-
Relaisausgänge: OUT (NO + NC), 250VAC, 2A
-
Einstellbare Hysterese
-
EEPROM-Speicher zum Speichern von Einstellungen
-
Übersichtliches Display mit gewünschter Temperatureinstellung
Messbereich und Genauigkeit:
-
Messbereich: 0 °C ... +400 °C
-
Auflösung/Schrittweite: 1 °C
Empfohlenes Zubehör:
-
Typ J Fe-Const Temperatursensoren (6/8 Meter), Bereich -100 °C ... +600 °C
-
Lieferbar mit Kabel: 1 m, 1,5 m, 2 m, 2,5 m, 3 m, 4 m oder 5 m
Anwendung:
-
Heizungs-, Klima- und Lüftungstemperaturregelung
-
Industrielle Anlagen und Maschinen, bei denen eine präzise Temperaturregelung erforderlich ist
-
Überwachung und Schutz von Geräten
Vorteile:
-
Zuverlässiges türkisches TENSE-Produkt
-
Einfacher Anschluss und Einrichtung
-
Speicher, der die Einstellungen auch nach einem Stromausfall beibehält
Online-Zahlung mit Karte – nach Abschluss der Bestellung werden Sie auf das Zahlungsportal weitergeleitet. Die Zahlungsbestätigung erhalten Sie per E-Mail.
Zahlung per Nachnahme – den auf dem Zahlungsauftrag angegebenen Betrag zahlen Sie dem Kurier des Lieferdienstes.
Zahlung per Banküberweisung – Sie erhalten spätestens am nächsten Werktag eine Proforma-Rechnung per E-Mail, auf der die Kontonummer angegeben ist, die Sie bei der Zahlung eingeben müssen.
Zahlung auf Rechnung – diese Möglichkeit haben Partner, die mit unserem Unternehmen einen Rahmenvertrag abgeschlossen haben.
Wenn Sie die letzten beiden Optionen nutzen möchten, kontaktieren Sie bitte unseren Leiter, der Ihnen Anweisungen gibt, wie Sie eine Rechnung mit oder ohne Mehrwertsteuer erhalten können.
Die elektrischen Geräte, die wir liefern, erfüllen hohe Qualitätsstandards, haben eine 24-monatige Garantie und entsprechen allen Anforderungen der EU.
Wir bieten auch kostenlosen Versand (bei Bestellungen über 100 EUR), ein flexibles Rabattsystem und Aktionen an. Das technische Wissen und die Erfahrung unserer Mitarbeiter ermöglichen es uns, qualitativ hochwertige Beratung anzubieten und bei Bedarf Alternativen zu elektrischen Produkten anzubieten.
Die von uns gelieferte Elektroausrüstung erfüllt hohe Qualitätsstandards, ist mit einer 24‑Monate‑Garantie versehen und entspricht allen EU‑Anforderungen.
Im Falle einer Reklamation ist die Rücksendung der Ware kostenlos.
