
Sie werden per E-Mail benachrichtigt, sobald das Produkt wieder auf Lager ist.
Vorbestelltes Produkt
- Beschreibung
- Anleitungen
- Zahlungsmethoden
- Garantie
Messstromwandler TK40 - TENSE
Beschreibung des Produkts:
Das Messfenster des Stromwandlers TK40 ist für die indirekte Wechselstrommessung in Niederspannungsanlagen und industriellen Anwendungen bestimmt. Der Wandler wandelt einen hohen Primärstrom in einen Standard-Sekundärstrom um, der zum Messen, Steuern oder Schützen von Geräten geeignet ist.
Merkmale:
-
Präzisionsstromwandlung mit 0,5S Genauigkeitsklasse
-
Kompaktes und langlebiges Gehäuse aus nicht brennbarem, flammhemmendem ABS
-
Klemmenblock mit nicht abnehmbarem Deckel, geeignet für Leiter mit hohem Querschnitt
-
Widerstand gegen Kurzschlussstrom: Ith = 60 × In
-
Widerstand gegen Konstantstrom: Id = 1 × In
-
Betriebstemperatur: -25 °C ... +85 °C
-
Befestigung: KK0001 oder KK0002
-
Prüfspannung: 3 kV für 1 Minute
-
Max. Systemspannung: 0,72 kV
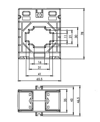
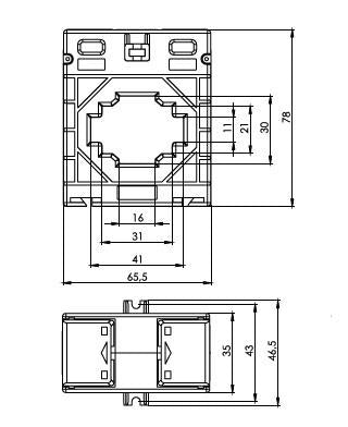
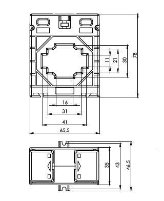
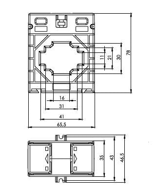
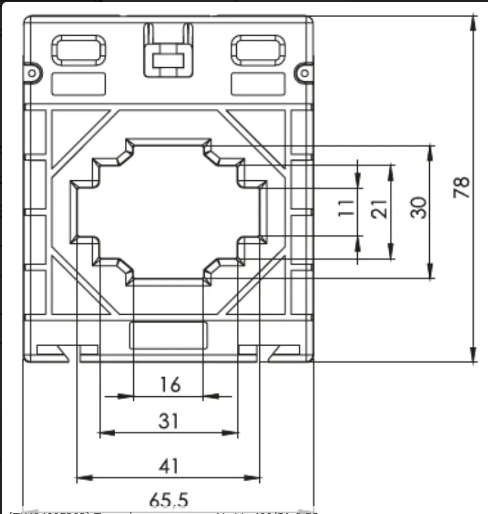
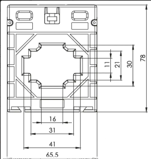
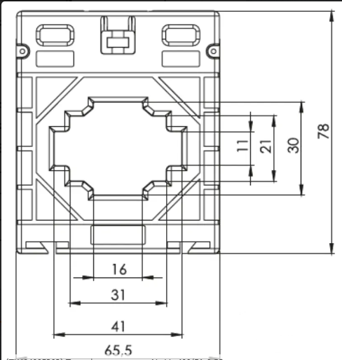
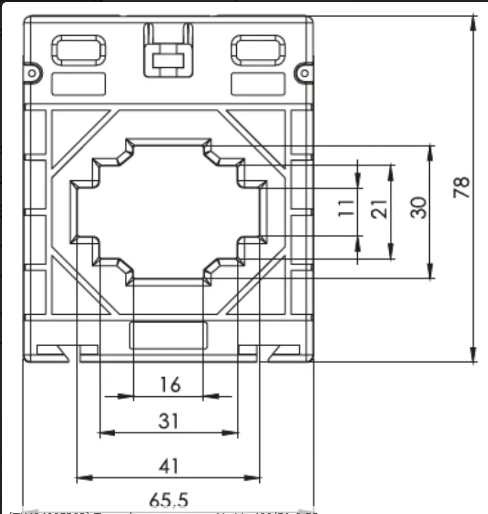
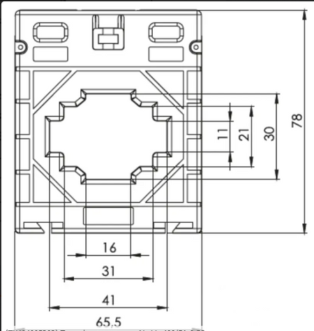
Technische Parameter
| Parameter | Wert |
|---|---|
| Verfügbare Varianten | 300/5A, 400/5A, 500/5A, 600/5A, 800/5A |
| Belastbarkeit | 3,75 VA |
| Genauigkeitsklasse | 0,5S |
| Primäre Wicklung | 40 × 10 mm |
| Innenloch (Leiterdurchmesser) | Ø 30 mm |
| Nennfrequenz | 50-60 Hz |
| Stoßstrombegrenzung | FS 5 |
| Einbau | KK0001 / KK0002 |
| Material des Gehäuses | Nicht brennbares, flammhemmendes ABS |
Normen:
IEC 60044-1, IEC 61869-2, VDE 0414-1, DIN 57414, BS3938, BS7626, EN 61869-2
Qualitätskontrolle:
Jeder Transformator wird im Werk einzeln geprüft, die Ergebnisse werden in einem Prüfbericht festgehalten und dem Transformator beigefügt.
Herunterladen auf
Technische Informationen über Stromwandler (996 kB) - wird auf Anfrage zugesandt
Online-Zahlung mit Karte – nach Abschluss der Bestellung werden Sie auf das Zahlungsportal weitergeleitet. Die Zahlungsbestätigung erhalten Sie per E-Mail.
Zahlung per Nachnahme – den auf dem Zahlungsauftrag angegebenen Betrag zahlen Sie dem Kurier des Lieferdienstes.
Zahlung per Banküberweisung – Sie erhalten spätestens am nächsten Werktag eine Proforma-Rechnung per E-Mail, auf der die Kontonummer angegeben ist, die Sie bei der Zahlung eingeben müssen.
Zahlung auf Rechnung – diese Möglichkeit haben Partner, die mit unserem Unternehmen einen Rahmenvertrag abgeschlossen haben.
Wenn Sie die letzten beiden Optionen nutzen möchten, kontaktieren Sie bitte unseren Leiter, der Ihnen Anweisungen gibt, wie Sie eine Rechnung mit oder ohne Mehrwertsteuer erhalten können.
Die elektrischen Geräte, die wir liefern, erfüllen hohe Qualitätsstandards, haben eine 24-monatige Garantie und entsprechen allen Anforderungen der EU.
Wir bieten auch kostenlosen Versand (bei Bestellungen über 100 EUR), ein flexibles Rabattsystem und Aktionen an. Das technische Wissen und die Erfahrung unserer Mitarbeiter ermöglichen es uns, qualitativ hochwertige Beratung anzubieten und bei Bedarf Alternativen zu elektrischen Produkten anzubieten.
Die von uns gelieferte Elektroausrüstung erfüllt hohe Qualitätsstandards, ist mit einer 24‑Monate‑Garantie versehen und entspricht allen EU‑Anforderungen.
Im Falle einer Reklamation ist die Rücksendung der Ware kostenlos.
