
Notified by email when this product becomes available
Pre-order product
- Description
- Instructions
- Payment methods
- Warranty
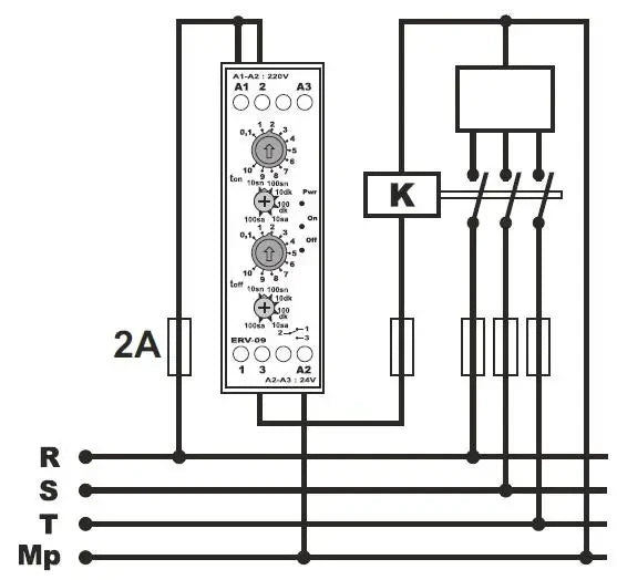
Zeitrelais - Zyklisches Relais / Blinkr (symmetrischer / asymmetrischer Zyklus)
Beschreibung des Produkts
Das zyklische Zeitrelais ist für das periodische Ein- und Ausschalten von elektrischen Lasten wie Leuchten, Ventilatoren, Pumpen oder Signalgebern konzipiert. Es ermöglicht die unabhängige Einstellung der Impuls- und Pausenlänge und den Betrieb im symmetrischen oder asymmetrischen Modus. Er eignet sich für die Automatisierung von Steuerungen, Lüftungen, zeitgesteuerte Beleuchtung oder Werbeanwendungen.
Wichtigste Merkmale
-
Zyklischer Betrieb mit einstellbarer Einschalt- und Pausenzeit
-
Blinkmodus: zu Beginn eines Impulses oder zu Beginn einer Pause
-
Symmetrische / asymmetrische Einschaltdauer
-
Schaltbarer Ausgangskontakt
-
Möglichkeit, den Zyklus mit einem Impuls oder einer Pause zu starten
-
Stabiler Betrieb für die automatische Steuerung von Anlagen
-
Montage auf DIN-Schiene 35 mm
Anwendung
-
Regelmäßige Raumlüftung
-
Zyklische Feuchtigkeitstrocknung
-
Steuerung von Werbebeleuchtung, Blinkschildern
-
Steuerung von Umwälzpumpen
-
Periodisches Schalten von Lüftung oder Heizung
-
Notsignallicht oder -ton
-
Stufenweises Einschalten von elektrischen Geräten bei Stromausfall
Vorteile
-
Einfache Einstellung der Zeiten
-
Vielseitiger Einsatz
-
Sichere und zuverlässige Steuerung von Stromkreisen
-
Geeignet für Haushalts- und Industrieschaltschränke
Einbau
-
Montage auf Standard 35 mm DIN-Schiene
Online payment by card – after completing your order, you will be redirected to the payment portal. You will receive payment confirmation by email.
Payment by cash on delivery – you pay the amount specified on the payment order to the courier of the delivery service.
Payment by bank transfer – You will receive a pro forma invoice by email no later than the next working day, which will include the account number that you must enter when making the payment.
Payment by invoice – this option is available to partners who have concluded a framework agreement with our company.
If you wish to use the last two options, please contact our manager who will give you instructions on how to obtain an invoice with or without VAT.
The electrical appliances we supply meet high quality standards, have a 24-month warranty and comply with all EU requirements.
We also offer free shipping (for orders over €100), a flexible discount system, and special offers. The technical knowledge and experience of our staff enable us to provide high-quality advice and, if needed, offer alternatives to electrical products.
The electrical equipment we supply meets high quality standards, comes with a 24-month warranty and complies with all EU requirements.
In the event of a complaint, the return of the goods is free of charge.
