
Notified by email when this product becomes available
- Description
- Instructions
- Payment methods
- Warranty
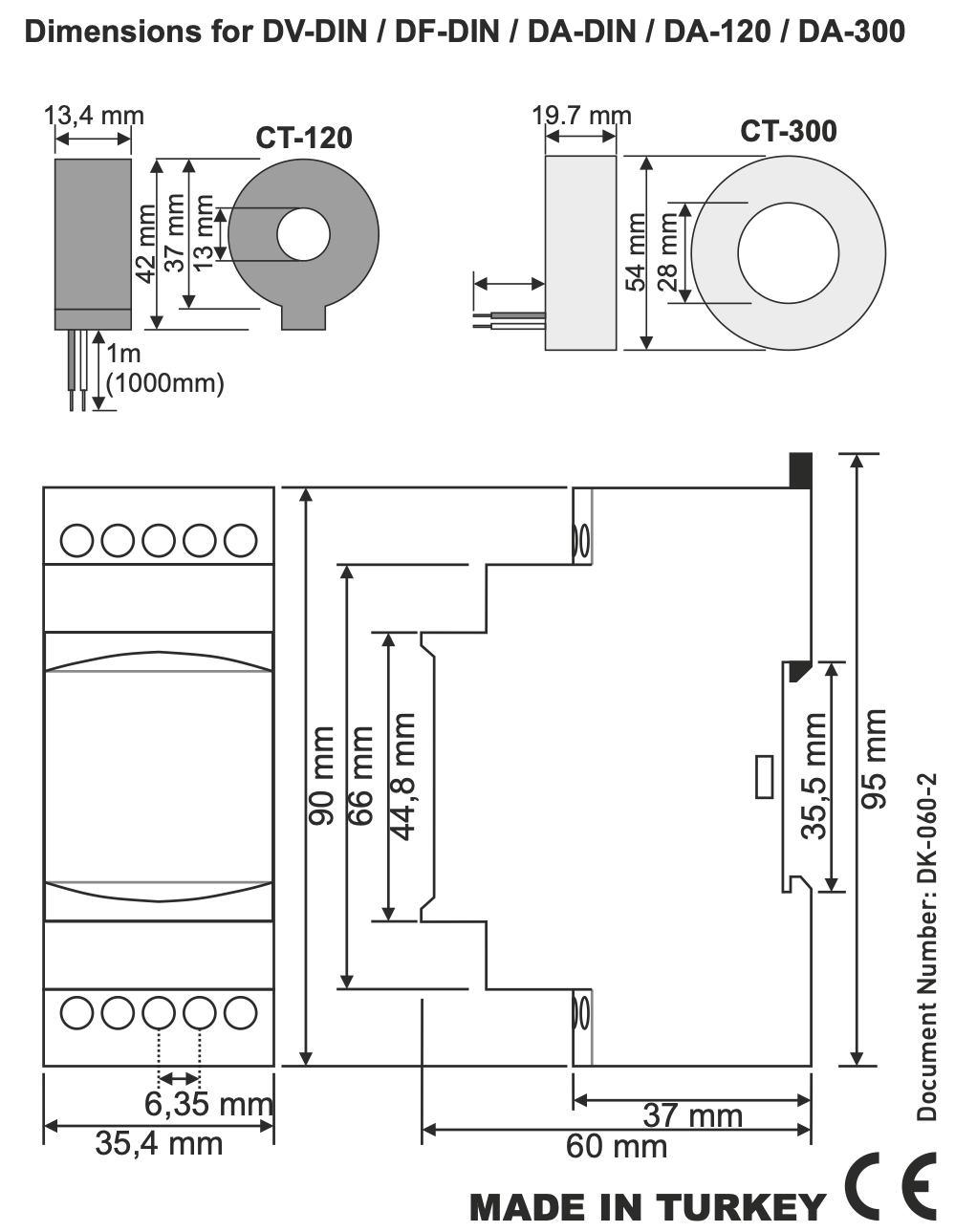
Single-phase digital voltmeter True RMS for DIN rail - DV-DIN (TENSE)
Measuring range 0-500 V - True RMS - Operating voltage 140-280 V AC - DIN mounting
The TENSE DV-DIN single-phase voltage meter is a digital precision instrument for voltage monitoring in single-phase networks. Thanks to True RMS technology, it delivers reliable and accurate readings even with distorted or non-standard sine waveforms, making it suitable for modern installations where harmonic or non-linear loads may be present.
The device can measure voltages between phase and neutral or between two phases . When the power supply is connected, the measured value is automatically displayed on a clear digital display.
Features and functions
-
Accurate True RMS voltage measurement
-
Universal application: Phase-to-phase or phase-to-zero measurement
-
Bright 3-digit LED display
-
Fast response and reliable display
-
Low power consumption (<3 VA)
-
Simple DIN rail mounting in the control cabinet
Technical data
| parameter | Value |
|---|---|
| Measuring range | 0-500 V AC |
| Operating voltage | 140-280 V AC |
| Opinion | 3-digit LED display |
| Measurement technology | True RMS |
| Operating frequency | 50/60 Hz |
| Power consumption | < 3 VA |
| Installation | DIN rail |
| Product code | DV-DIN |
Online payment by card – after completing your order, you will be redirected to the payment portal. You will receive payment confirmation by email.
Payment by cash on delivery – you pay the amount specified on the payment order to the courier of the delivery service.
Payment by bank transfer – You will receive a pro forma invoice by email no later than the next working day, which will include the account number that you must enter when making the payment.
Payment by invoice – this option is available to partners who have concluded a framework agreement with our company.
If you wish to use the last two options, please contact our manager who will give you instructions on how to obtain an invoice with or without VAT.
The electrical appliances we supply meet high quality standards, have a 24-month warranty and comply with all EU requirements.
We also offer free shipping (for orders over €100), a flexible discount system, and special offers. The technical knowledge and experience of our staff enable us to provide high-quality advice and, if needed, offer alternatives to electrical products.
The electrical equipment we supply meets high quality standards, comes with a 24-month warranty and complies with all EU requirements.
In the event of a complaint, the return of the goods is free of charge.
