
Notified by email when this product becomes available
Pre-order product
- Description
- Instructions
- Payment methods
- Warranty
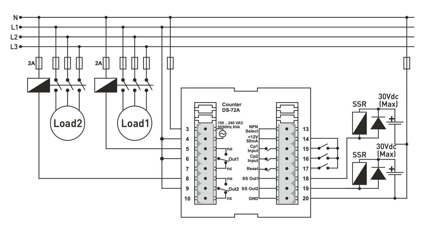
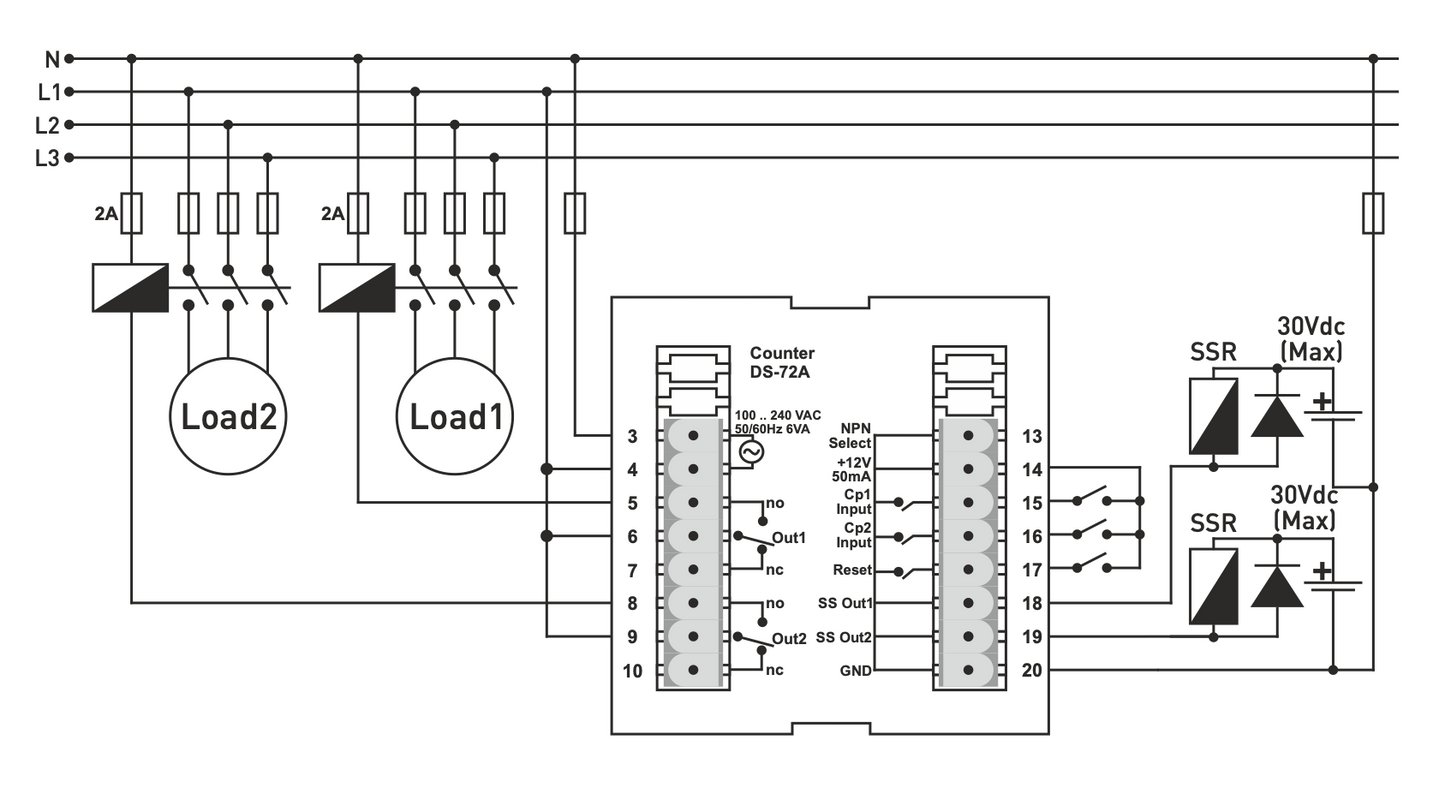
DS-72A Impulszähler - 2×6-stellige LED-Anzeige, 2× Relais, 2× SSR-Ausgang
Beschreibung des Produkts
Der Impulszähler DS-72A ist ein professionelles Gerät, das für die genaue Zählung von Impulsen von mechanischen Schaltern, Endschaltern, induktiven PNP/NPN-Sensoren und Inkrementalgebern entwickelt wurde. Er unterstützt sowohl Vorwärts- als auch Rückwärtszählung, bietet eine Kombination von Eingangsfunktionen und eine flexible Ausgangskonfiguration.
Mit zwei 6-stelligen LED-Anzeigen und der Möglichkeit, PRESET1- und PRESET2-Werte einzustellen, bietet er einen klaren Überblick über den Zählwert und den Zielwert. Der EEPROM-Speicher ermöglicht die Beibehaltung der Einstellungen auch nach einem Stromausfall.
Wichtigste Funktionen
-
2× 6-stelliges LED-Display zur Anzeige des aktuellen Wertes und PRESET
-
2× Ausgangsrelais (SPDT)
-
2× SSR-Ausgang (NPN, max. 30 V / 100 mA)
-
Vorwärts-/Rückwärtszählen
-
Passwortschutz
-
Einstellbare Eingangsfrequenz: 20, 50, 2500, 7500 Hz
-
Kalibrierungskonstante: 0,00001 bis 9,99999
-
Wählbarer Dezimalpunkt: 0 / 0.0 / 0.00 / 0.000
-
Mögliche Kombination von Funktionen: Addition, Subtraktion, Pause, Eingangsnegation, Flankenkombination
-
Einstellbare "OFFSET"-Werte
-
PRESET1 mit Absolut-/Relativwert-Option
-
Speichert Status und Wert des Ausgangsrelais nach Stromausfall
Technische Parameter
-
Abmessungen / Öffnung: 72×72×94 mm / 67×67 mm
-
LED-Anzeige: 2× 6-stelliges 7-Segment
-
LED-Anzeige: 5× (OUT1, OUT2, Finger1, Finger2, Batch)
-
Eingänge: 2× (5-30 V, max. 7500 Hz)
-
Eingangstypen: mechanischer Schalter, PNP/NPN induktiver Sensor, NPN/PNP/Totalpol-Encoder
-
Rücksetzeingang: PNP, min. 10 ms, 5-30 V
-
Relaisausgänge: 2× SPDT 250 VAC, 2 A (ohmsche Last)
-
SSR-Ausgänge: 2× NPN, max. 30 V / 100 mA
-
Sensor-Stromversorgung: 12 VDC, max. 50 mA
-
Geräteversorgung: 100-240 VAC, 50-60 Hz
-
Leistungsaufnahme: < 8 VA
-
Betriebstemperatur: -20°C ... +55°C
-
Höhenlage: < 2000 m
Anwendung
-
Zählen von Impulsen aus mechanischen und elektrischen Geräten
-
Produktions- und Maschinenüberwachung
-
Steuerung von Drehgebern und mechanischen Prozessen
-
Industrielle Anwendungen, die genaue Messungen und Relais-/SSR-Ausgänge erfordern
Installation und Sicherheit
-
Schalttafeleinbau / Schaltschrankmontage
-
Verwenden Sie abgeschirmte und verdrillte Signalkabel, erden Sie die Abschirmung
-
Halten Sie die Kabel von den Auswirkungen von elektrischem Rauschen, Leistungsschaltern und induktiven Lasten fern
-
Schützen Sie die Geräte vor Feuchtigkeit, Vibration, Schmutz und extremen Temperaturen
-
Verwenden Sie eine F250 mA / 250 VAC-Sicherung am Stromeingang
-
Beachten Sie die Sicherheitsvorschriften und verwenden Sie geeignete Kabel
Online payment by card – after completing your order, you will be redirected to the payment portal. You will receive payment confirmation by email.
Payment by cash on delivery – you pay the amount specified on the payment order to the courier of the delivery service.
Payment by bank transfer – You will receive a pro forma invoice by email no later than the next working day, which will include the account number that you must enter when making the payment.
Payment by invoice – this option is available to partners who have concluded a framework agreement with our company.
If you wish to use the last two options, please contact our manager who will give you instructions on how to obtain an invoice with or without VAT.
The electrical appliances we supply meet high quality standards, have a 24-month warranty and comply with all EU requirements.
We also offer free shipping (for orders over €100), a flexible discount system, and special offers. The technical knowledge and experience of our staff enable us to provide high-quality advice and, if needed, offer alternatives to electrical products.
The electrical equipment we supply meets high quality standards, comes with a 24-month warranty and complies with all EU requirements.
In the event of a complaint, the return of the goods is free of charge.
