
Notified by email when this product becomes available
Pre-order product
- Description
- Instructions
- Payment methods
- Warranty
DS-48 Impulszähler - 2× Display, 2 Eingänge, Relaisausgang
Beschreibung des Produkts
Der Impulszähler DS-48 ist ein universeller Schaltschrankzähler mit zwei Eingängen und zwei 4-stelligen LED-Anzeigen (Istwert + Sollwert). Er kann Signale von mechanischen Schaltern, PNP/NPN-Induktivsensoren und Inkrementalgebern zählen, subtrahieren und verarbeiten. Durch die große Auswahl an Eingangs- und Ausgangsfunktionen eignet er sich für industrielle Automatisierungssysteme, Produktionslinien, Messstationen und Prozesssteuerungen.
Wichtigste Merkmale
-
2× 4-stellige 7-Segment-LED-Anzeige
-
1× OUT Relaisausgang + SSR-Ausgang
-
Mehrere Modi: Zählen, Countdown, Addition von mehreren Eingängen, Steuerung über zweiten Eingang
-
Unterstützung für mechanische Schalter, PNP/NPN-Sensoren und Encoder
-
Wählbare Eingangsfrequenz: 20 / 50 / 2500 / 7500 Hz
-
Schutz der Hesla-Einstellung
-
EEPROM-Speicher - Datenerhalt bei Stromausfall
-
Möglichkeit zur Einstellung von OFFSET und Dezimalpunkt
-
Automatische Wiederherstellung des letzten Wertes nach Stromausfall
Funktion
Eingabefunktion (7 Modi):
-
Aufwärtszählen
-
Abwärtszählen
-
Addieren von zwei Eingängen gleichzeitig
-
Pause gesteuert durch zweiten Eingang
-
Negation des Eingangs
-
Zählen ab der steigenden/fallenden Flanke
-
Kombinationen: Addition von einer Flanke, Subtraktion von der anderen, Negation, etc.
Ausgangsfunktionen (9 Modi):
-
Relaisauslösung nach Erreichen des Ziels
-
Halten bis RESET
-
Impulsausgang 0,1-999,9 s
-
Steuerung über SSR-Ausgang (NPN)
Technische Parameter
Anzeige und Abmessungen
-
Abmessungen: 48 × 48 × 96 mm
-
Montageöffnung: 44 × 44 mm
-
Anzeige: 2 × 4-stellige LED
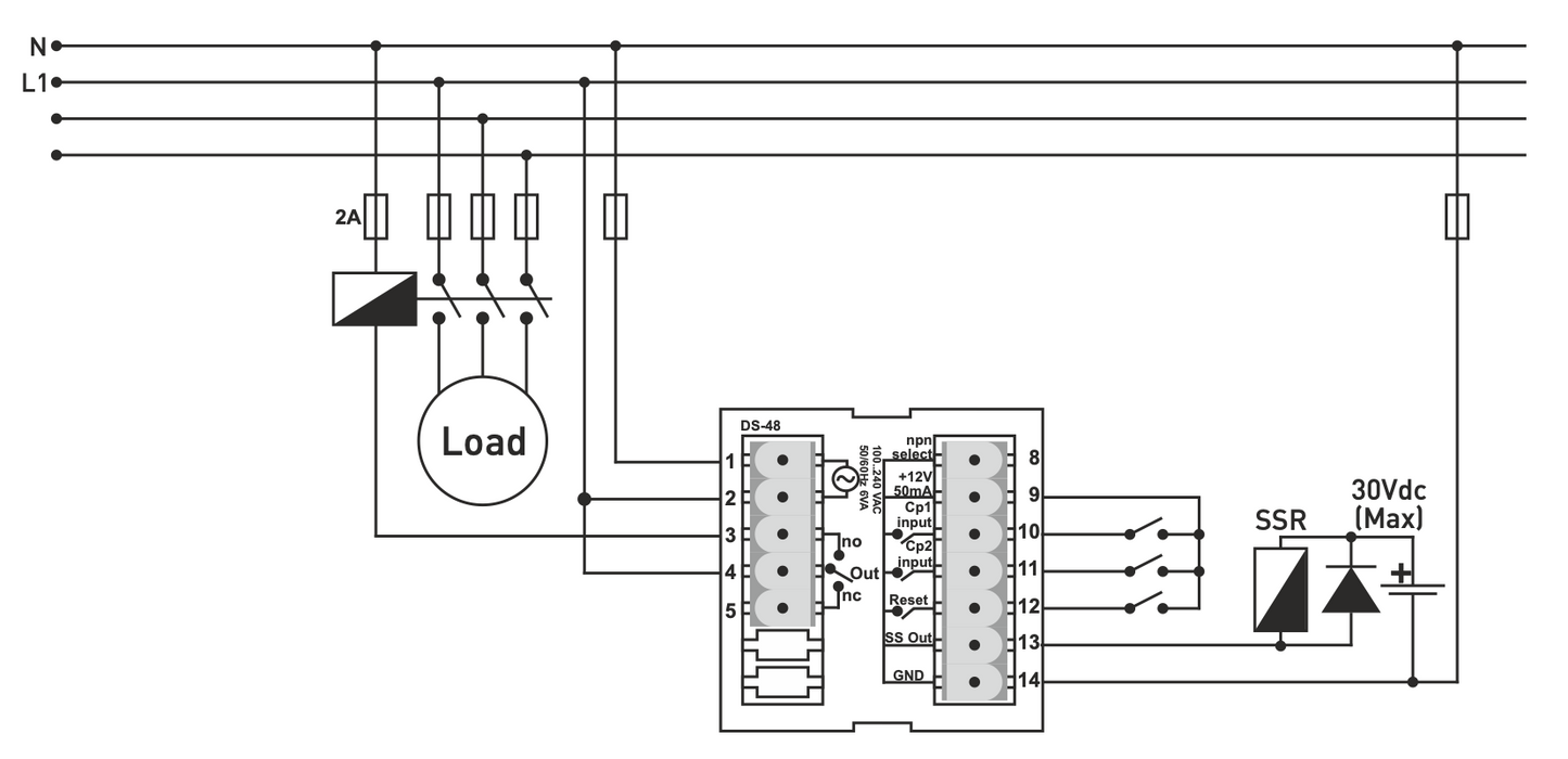
Eingänge:
-
Anzahl der Eingänge: 2
-
Eingangsarten: mechanischer Schalter, PNP/NPN-Sensor, NPN/PNP/Totalpol-Encoderausgang
-
Eingangsspannung: 5-30 V
-
Max. Eingangsfrequenz: 7500 Hz
-
Wählbare Frequenzen: 20 / 50 / 2500 / 7500 Hz
-
Rücksetzeingang: PNP, min. 10 ms, Klemme 12
-
Geberversorgung: 12 VDC / 50 mA (max)
Ausgänge
-
1× SPDT-Relais 250 VAC, 2 A (ohmsche Last) - COM (4), NO (3), NC (5)
-
1× SSR-Steuerung (NPN, max. 100 mA, 30 V) - Klemmen 13 (SSout), 14 (GND)
Spannungsversorgung
-
100-240 V AC, 50/60 Hz
-
Leistungsaufnahme: < 8 VA
Betriebsbedingungen
-
Betriebstemperatur: -20 °C bis +55 °C
-
Max. Höhe: 2000 m
Besondere Merkmale
-
EEPROM-Speicher speichert alle Einstellungen und aktuellen Zählwerte nach Stromausfall
-
Einstellbarer OFFSET des Zählwertes
-
Passwortschutz gegen unerwünschte Parameteränderungen
-
Wählbarer Dezimalpunkt (0 / 0.0 / 0.00 / 0.000)
Empfehlungen für die Installation
-
Verwenden Sie abgeschirmte und verdrillte Signalkabel, erden Sie die Abschirmung
-
Trennen Sie die Signalkabel von den Strom- und Leistungskabeln
-
Verwenden Sie eine F250 mA / 250 VAC-Sicherung am Stromeingang
-
Schützen Sie die Geräte vor Feuchtigkeit, Vibrationen, Staub und extremen Temperaturen.
-
Bei mechanischen Schaltern empfiehlt es sich, die Eingangsfrequenz auf 20 Hz einzustellen.
-
Bei Verwendung von zwei Eingängen:
Modus Phs4 → max. ¼ Eingangsfrequenz
Modi 1u2u, 1u2d, Phs2 → max. ½ Eingangsfrequenz
Online payment by card – after completing your order, you will be redirected to the payment portal. You will receive payment confirmation by email.
Payment by cash on delivery – you pay the amount specified on the payment order to the courier of the delivery service.
Payment by bank transfer – You will receive a pro forma invoice by email no later than the next working day, which will include the account number that you must enter when making the payment.
Payment by invoice – this option is available to partners who have concluded a framework agreement with our company.
If you wish to use the last two options, please contact our manager who will give you instructions on how to obtain an invoice with or without VAT.
The electrical appliances we supply meet high quality standards, have a 24-month warranty and comply with all EU requirements.
We also offer free shipping (for orders over €100), a flexible discount system, and special offers. The technical knowledge and experience of our staff enable us to provide high-quality advice and, if needed, offer alternatives to electrical products.
The electrical equipment we supply meets high quality standards, comes with a 24-month warranty and complies with all EU requirements.
In the event of a complaint, the return of the goods is free of charge.
