
Notified by email when this product becomes available
Pre-order product
- Description
- Instructions
- Payment methods
- Warranty
TENSE MDK-02 Single-phase submersible pump controller, 140-280 V AC, 60 A
Product description
The TENSE MDK-02 control unit is designed for the protection and control of submersible pumps for boreholes and wells.
It offers protection against voltage and current spikes, water shortages, and pump overload.
Integrated functions also allow monitoring of the tank level, setting of the time delay and control of the surge current .
Key features
-
Single-phase power supply, range: 140-280 VAC
-
Maximum current: 60 A
-
Microprocessor control with LED display
-
Protective functions:
-
Overvoltage/Undervoltage
-
Overcurrent/Undercurrent
-
Well/tank water level monitoring
-
-
Operating parameter settings: P1-P10 (e.g., maximum/minimum voltage, current, response delay, switch-on interval, automatic reset time)
-
Operating modes: START / STOP
-
Built-in pump delay timer to extend the pump's lifespan
-
Pump status indicator via LED displays
Technical parameters
-
Operating voltage: 140-280 V AC
-
Frequency: 50 Hz
-
Current range: 0.5-60 A
-
Power consumption: < 4 W
-
Liquid sensitivity: < 50 kΩ
-
Protection rating: IP40
-
Operating temperature: -5 °C to +55 °C
-
Max. cable cross-section: 1.5 mm²
-
Installation opening: 91 × 91 mm
-
Installation altitude: < 2000 m
-
Weight: 325 g
Application
-
Protection of submersible pumps against dry running and overload
-
Water level control in tanks and wells
-
Monitoring and safe operation of domestic and industrial pumps
Important instructions
-
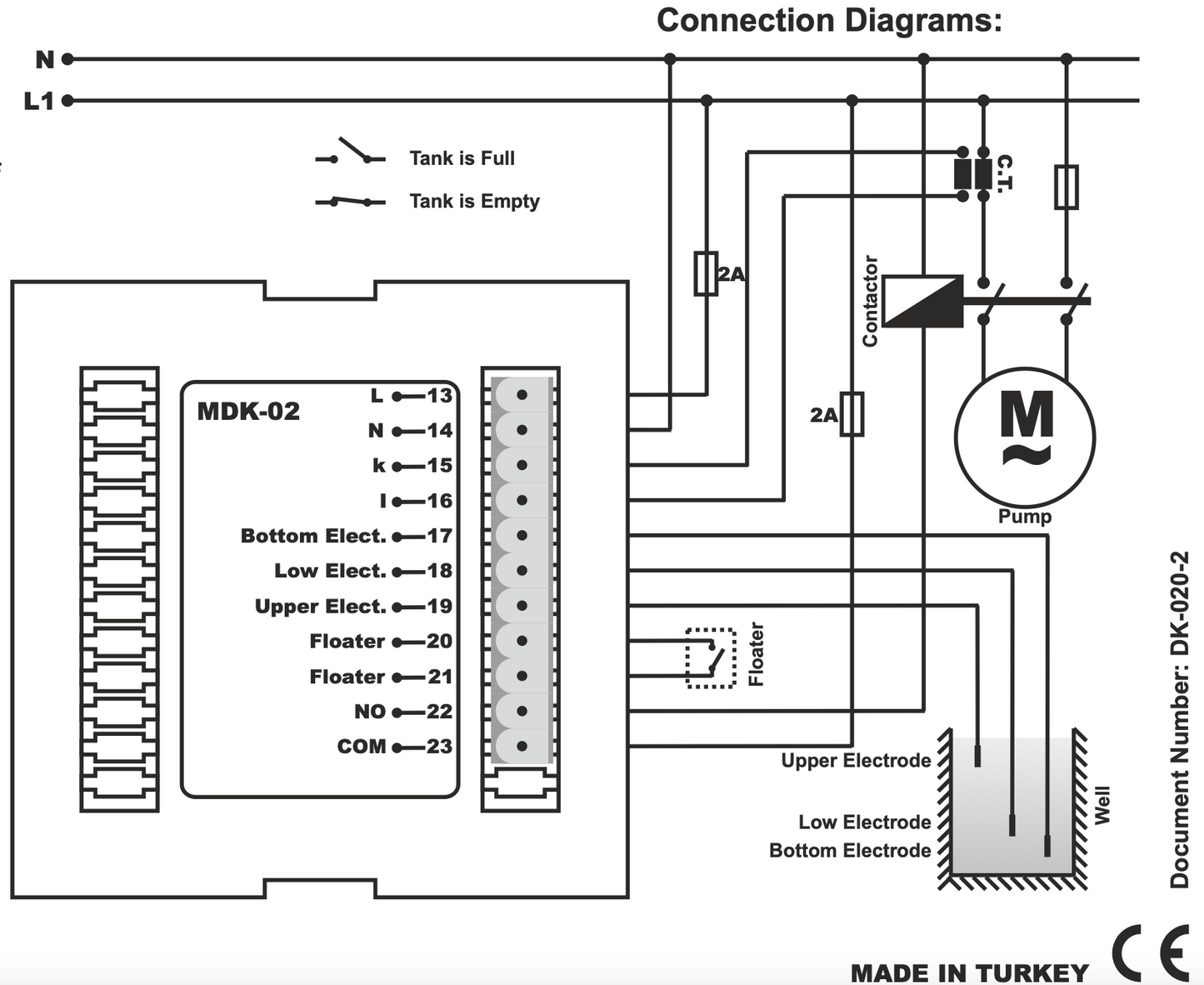
Electrodes/water level sensors are not included in the scope of delivery - they must be ordered separately.
-
The control unit must be connected according to the manufacturer's wiring diagram.
-
The liquid must not be flammable or explosive.
-
The installation temperature must be > 0 °C
-
The pump must be grounded.
-
The use of two level sensors requires the correct connection of the upper and middle sensors.
Online payment by card – after completing your order, you will be redirected to the payment portal. You will receive payment confirmation by email.
Payment by cash on delivery – you pay the amount specified on the payment order to the courier of the delivery service.
Payment by bank transfer – You will receive a pro forma invoice by email no later than the next working day, which will include the account number that you must enter when making the payment.
Payment by invoice – this option is available to partners who have concluded a framework agreement with our company.
If you wish to use the last two options, please contact our manager who will give you instructions on how to obtain an invoice with or without VAT.
The electrical appliances we supply meet high quality standards, have a 24-month warranty and comply with all EU requirements.
We also offer free shipping (for orders over €100), a flexible discount system, and special offers. The technical knowledge and experience of our staff enable us to provide high-quality advice and, if needed, offer alternatives to electrical products.
The electrical equipment we supply meets high quality standards, comes with a 24-month warranty and complies with all EU requirements.
In the event of a complaint, the return of the goods is free of charge.
