
Notified by email when this product becomes available
Pre-order product
- Description
- Instructions
- Payment methods
- Warranty
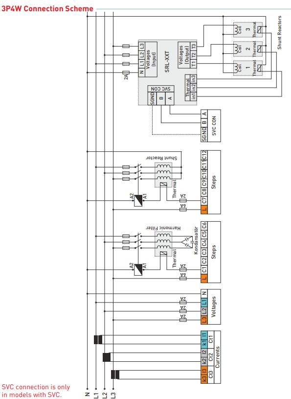
Reactive power controller 12 stages + TCR with 2.9" graphic LCD display (TENSE) - RGT-12E
The RGT-12E reactive power controller from TENSE is a fully automatic and high-precision controller for the optimal control of compensation stages in power grids. With digital data acquisition, intelligent algorithms, and a graphic LCD display, it ensures a stable power factor, efficient reactive power control, and the protection of the compensation systems.
Key features and functions
Automatic detection of compensation systems
The controller configures itself automatically after being switched on:
-
It automatically detects the size of the connected capacitor stages.
-
It is also possible to enter the parameters manually.
-
The system continuously checks the status of each stage.
Intelligent switching control
The controller switches the stages on and off in such a way that:
-
A stable power factor is achieved with a minimal number of circuits.
-
The individual steps are evenly loaded.
-
The capacitors with the lowest residual charge are preferred.
-
The status of each stage is checked simultaneously (failures, performance changes, removal and reactivation)
TCR (Thyristor Switched Reactor) support
The controller enables compensation control with thyristor-switched chokes, which is ideal for:
-
Industrial applications
-
dynamic compensation
-
Systems with frequent load changes
Advanced Measurement and Analysis
-
Measurement of harmonic voltages and currents up to the 31st harmonic
-
Monitoring of total energy (import/export)
-
Measurement of THD-V and THD-I for each phase
-
Generation of performance analyses ( 20 samples of 9999 min ) - very useful in the planning of compensation systems. Flexible wiring of compensation elements.
Possible applications:
-
single-phase capacitors
-
two-phase capacitors
-
three-phase capacitors
-
shunt chokes
Adjustable time functions
Can be configured:
-
Switch-on time
-
unloading time
-
Settling time
This allows for precise adaptation of the control system to the type of operation.
Generator functions
The controller features:
-
Control input for the generator
-
Generator supply compensation function
Technical specifications (brief overview)
-
12 relay compensation outputs
-
TCR support
-
2.9" graphic LCD display
-
Automatic step detection
-
Harmonic measurement up to the 31st order
-
Energy statistics and history
-
THD-V / THD-I
-
Support for single-phase, two-phase and three-phase stages
-
Programmable off, on and off times
-
Interference protection in stages
Online payment by card – after completing your order, you will be redirected to the payment portal. You will receive payment confirmation by email.
Payment by cash on delivery – you pay the amount specified on the payment order to the courier of the delivery service.
Payment by bank transfer – You will receive a pro forma invoice by email no later than the next working day, which will include the account number that you must enter when making the payment.
Payment by invoice – this option is available to partners who have concluded a framework agreement with our company.
If you wish to use the last two options, please contact our manager who will give you instructions on how to obtain an invoice with or without VAT.
The electrical appliances we supply meet high quality standards, have a 24-month warranty and comply with all EU requirements.
We also offer free shipping (for orders over €100), a flexible discount system, and special offers. The technical knowledge and experience of our staff enable us to provide high-quality advice and, if needed, offer alternatives to electrical products.
The electrical equipment we supply meets high quality standards, comes with a 24-month warranty and complies with all EU requirements.
In the event of a complaint, the return of the goods is free of charge.
