Regler für einphasige Pumpen bis zu 30A
Abholverfügbarkeit konnte nicht geladen werden
|
Einphasiger Unterwassermotorpumpenregler, 140 V-280 V AC, 60 A, Tense Art.Nr.: MDK-02 Elektroden (Füllstandssensoren) nicht enthalten.
Dieser Regler wurde entwickelt, um Unterwasserpumpen vor einer Vielzahl von potenziellen Problemen zu schützen, die während des Betriebs auftreten können, z. B. Spannungs- und Stromstöße, Wassermangel im Bohrloch oder Brunnen und Überlastung der Pumpe. Eingebaute Funktionen ermöglichen auch die Überwachung des Füllstands des Reservoirs, die Einstellung von Zeitverzögerungen für Notfallsituationen und die Regelung von Stoßströmen.
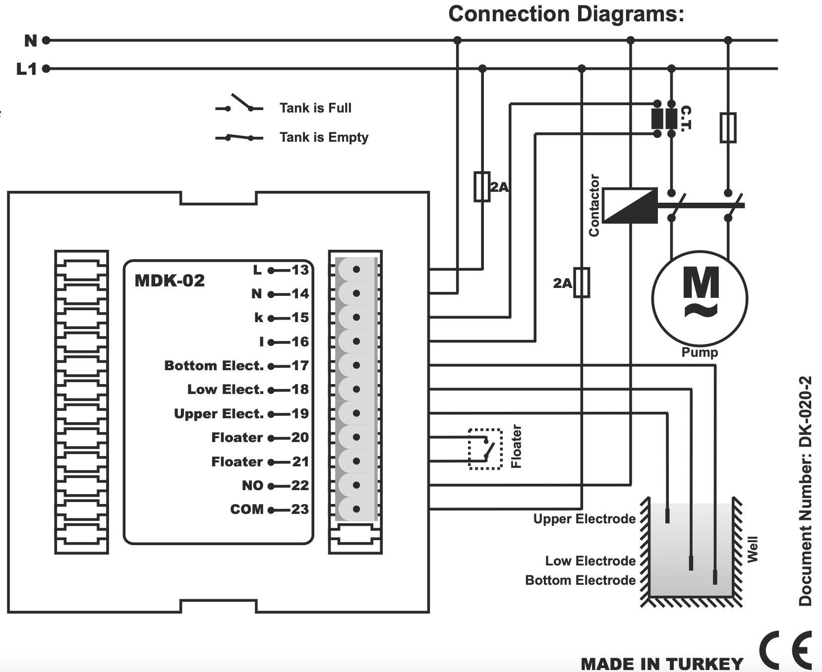
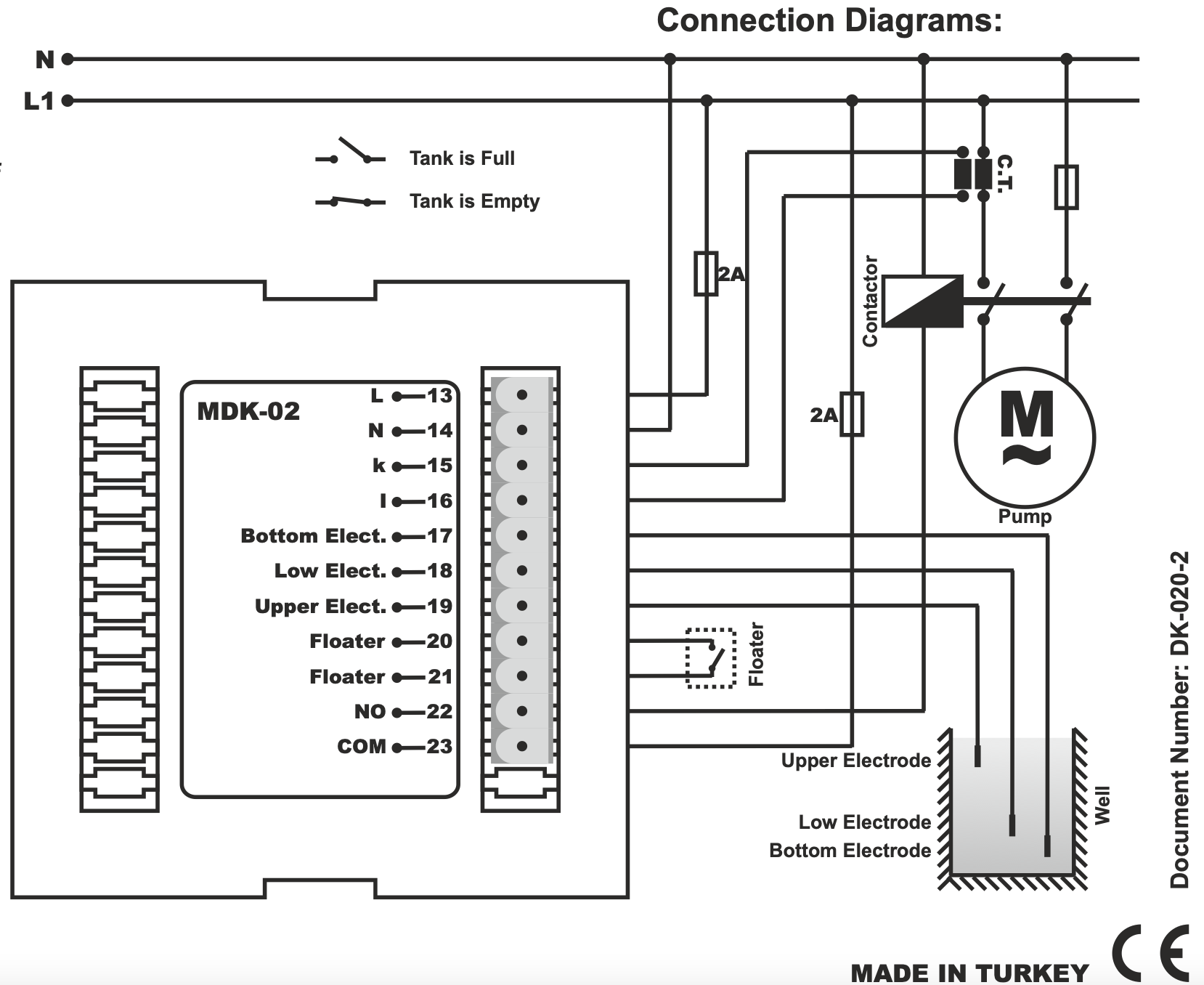
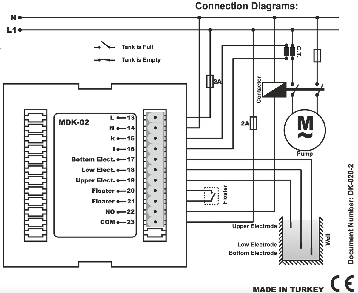
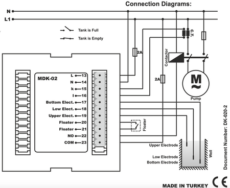
Funktionsprinzip des Reglers.
Bitte lesen Sie den Abschnitt "Wichtig!", bevor Sie das Gerät anschließen. Schließen Sie die Sensoren und den Stromwandler gemäß dem Schaltplan (Abb. 1) an das Gerät an und schließen Sie dann die Stromversorgung an. Überprüfen Sie, ob die werkseitig eingestellten Parameter mit den Betriebsparametern Ihrer Pumpe übereinstimmen. Falls erforderlich, können die folgenden Parameter geändert werden:
(P1) - maximal zulässiger Spannungswert
(P2) - maximal zulässiger Stromwert
(P3) - minimal zulässiger Spannungswert
(P4) - minimal zulässiger Stromwert
(P5) - Verzögerung der Fehlerreaktion
(P6) - automatische Rückstellzeit nach Stromfehler
(P7) - Stromkoeffizient (Multiplikator) für das Anlaufintervall
(P8) - Anfahrintervallzeit
(P9) - Anzahl der automatischen Rücksetzungen eines Stromfehlers, nach denen das Gerät in den Notbetrieb übergeht und einen Bedienereingriff erfordert
(P10) - obere Ansprechverzögerungszeit des Sensors (längere Zeit - Pumpe schaltet weniger oft ein - verlängert die Lebensdauer der Pumpe)
Nach dem ersten Anschluss an die Stromversorgung wartet das Gerät 4 Sekunden, analysiert dann die Netzparameter und deren Übereinstimmung mit den eingestellten Parametern und prüft, ob sich Wasser im Brunnen befindet. Es prüft, ob genügend Platz im Vorratsbehälter im Brunnen vorhanden ist und wenn sich das Steuergerät im Modus "START" befindet (untere grüne Anzeige leuchtet), schalten sich die Steuerkontakte ein und die obere grüne Anzeige "Pumpe" leuchtet auf. Auf dem Display werden die aktuellen Spannungs- und Stromwerte angezeigt.
Um in diesen Modus zu gelangen, drücken Sie die START-Taste.
Um diesen Modus zu verlassen, drücken Sie die STOP-Taste. In diesem Modus führt das Gerät keine Regelung durch und startet die Pumpe nicht. Parametereinstellungen:
Drücken Sie die Taste MENU, um das Menü für die Parametereinstellungen aufzurufen. Sie gelangen auf die erste Parameterseite (P1). In der oberen Anzeige wird die Parameternummer und in der unteren Anzeige der Wert des Parameters angezeigt. Sie können die Parameterwerte durch Drücken der Tasten UP und DOWN ändern. Drücken Sie dann die Taste MENU, um den gewählten Wert zu speichern, oder die Taste RESET, um das Menü zu verlassen. Beachten Sie, dass durch Drücken der RESET-Taste der auf dem Display angezeigte Parameterwert nicht gespeichert wird, jedoch werden Änderungen an vorherigen Parametern gespeichert. Wenn 50 Sekunden lang keine Taste gedrückt wird, verlässt das Gerät das Menü, ohne den auf dem Display angezeigten Parameterwert zu speichern. Wichtig!!! Bitte lesen Sie diesen Abschnitt, bevor Sie das Gerät anschließen:
- Das Steuergerät der Tauchpumpe muss gemäß dem Schaltplan im Produktdatenblatt angeschlossen werden.
- Stellen Sie sicher, dass die von der Pumpe zu fördernde Flüssigkeit nicht brennbar oder explosiv ist.
- Bei einem System mit zwei Niveausensoren müssen die Eingänge des oberen und des mittleren Sensors angeschlossen werden.
- Die Temperatur am Installationsort des Reglers muss über 0 °C liegen.
- Legen Sie niemals Spannung an die Eingänge des Steuergeräts an, um den Schwimmerschalter anzuschließen.
- Vergewissern Sie sich, dass der Pumpenkörper geerdet ist, da sonst Schäden am Pumpensteuergerät auftreten können.
Technische Daten:
Betriebsspannung: 140-280 VAC. Frequenz: 50 Hz Strombereich: 0,5-60 A Leistungsaufnahme: <4 W Empfindlichkeit gegenüber Flüssigkeiten: <50 kOhm Schutzklasse: IP40 Betriebstemperaturbereich: -5 °C- +55 °C Kabelquerschnitt: max. 1,5 mm2 Gewicht: 0,325 kg Einbauöffnung: 91 x 91 |
Einbauhöhe: weniger als 2000 m
Online-Zahlung per Karte – Nach Abschluss der Bestellung werden Sie zum Zahlungsportal weitergeleitet. Eine Zahlungsbestätigung erhalten Sie per E-Mail.
Nachnahme – Sie zahlen den Betrag laut Zahlungsanweisung direkt an den Fahrer des Transportunternehmens.
Überweisung – Sie erhalten spätestens am nächsten Werktag eine Proforma-Rechnung per E-Mail. Darin finden Sie die Kontonummer, die Sie bei der Zahlung angeben.
Auf Rechnung – Diese Zahlungsmethode steht Partnern zur Verfügung, die mit unserem Unternehmen einen Rahmenvertrag abgeschlossen haben.
Wenn Sie eine der letzten beiden Zahlungsmethoden nutzen möchten, kontaktieren Sie bitte unseren Manager. Er gibt Ihnen Anweisungen, wie Sie eine Rechnung mit oder ohne MwSt. erhalten können.
Die von uns gelieferten elektrischen Geräte entsprechen hohen Qualitätsstandards, haben eine Garantie von 24 Monaten und erfüllen alle Anforderungen der EU. Im Reklamationsfall wird keine Rücksendegebühr erhoben.
