Asymmetrischer Cycler - Blinker am Anfang eines Impulses , Blinker am Anfang einer Pause
Abholverfügbarkeit konnte nicht geladen werden
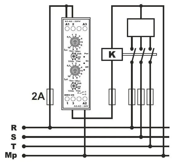
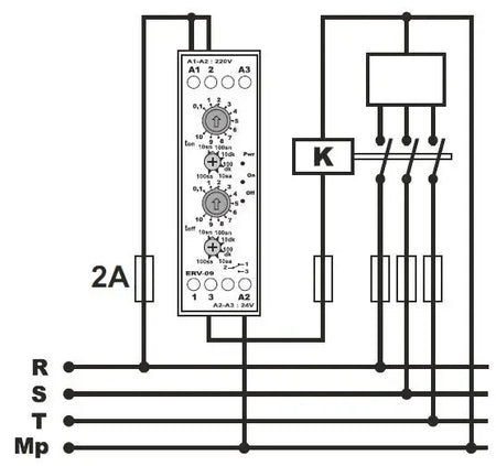
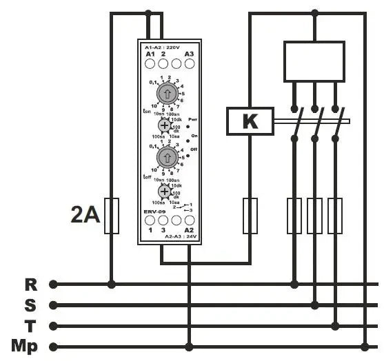
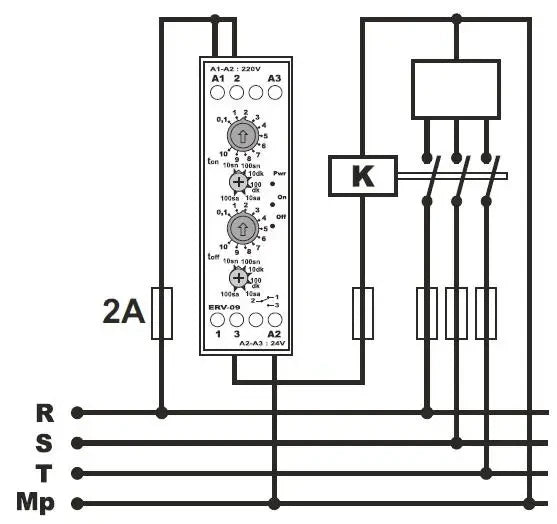
Zeitrelais - Blinker zu Beginn des Impulses , Blinker zu Beginn der Pause zyklisches Relais - symmetrischer / asymmetrischer Zyklus
Ein zyklisches Relais oder ein zyklisches Zeitrelais wird zum periodischen Einschalten von elektrischen Lasten (z. B. Beleuchtung, Ventilatoren usw.) oder zur Aktivierung von Steuersignalen in automatischen Überwachungs- oder Steuerungssystemen (z. B. Einschalten einer Notblinkleuchte oder eines akustischen Signals) verwendet. Diese zyklische Zeitschaltuhr kann nützlich sein, um automatische Lüftungsvorgänge zu organisieren, Fenster zu öffnen und zu schließen, die Heizung oder die Lüftung periodisch einzuschalten, Werbeschilder zu beleuchten oder zu drehen.
Wenn Sie das Relais so konfigurieren, dass seine Einschalt- und Pausenzeiten symmetrisch sind, können Sie es z. B. verwenden, um bestimmte elektrische Geräte bei Strom-/Leistungsbegrenzungen schrittweise einzuschalten (Heizungen, Wärmeerzeuger). Das Vorhandensein eines schaltenden Ausgangskontakts ermöglicht es, den Zyklus entweder gepulst oder mit einer Pause zu starten.
- Zeitrelais - Zyklisator mit unabhängig voneinander einstellbarer Ein- und Ausschaltzeit des Ausgangs
- verwendet für regelmäßige Raumlüftung, zyklische Feuchtetrocknung, Beleuchtungssteuerung, Umwälzpumpen, Lichtwerbung usw.
- Das Zeitrelais wird auf einer Standard 35mm DIN-Schiene montiert.
Online-Zahlung per Karte – Nach Abschluss der Bestellung werden Sie zum Zahlungsportal weitergeleitet. Eine Zahlungsbestätigung erhalten Sie per E-Mail.
Nachnahme – Sie zahlen den Betrag laut Zahlungsanweisung direkt an den Fahrer des Transportunternehmens.
Überweisung – Sie erhalten spätestens am nächsten Werktag eine Proforma-Rechnung per E-Mail. Darin finden Sie die Kontonummer, die Sie bei der Zahlung angeben.
Auf Rechnung – Diese Zahlungsmethode steht Partnern zur Verfügung, die mit unserem Unternehmen einen Rahmenvertrag abgeschlossen haben.
Wenn Sie eine der letzten beiden Zahlungsmethoden nutzen möchten, kontaktieren Sie bitte unseren Manager. Er gibt Ihnen Anweisungen, wie Sie eine Rechnung mit oder ohne MwSt. erhalten können.
Die von uns gelieferten elektrischen Geräte entsprechen hohen Qualitätsstandards, haben eine Garantie von 24 Monaten und erfüllen alle Anforderungen der EU. Im Reklamationsfall wird keine Rücksendegebühr erhoben.
