DAV-72D Digitales Strom- und Spannungsmessgerät für AC 100 Ampere, 150V für Schaltschrankmontage
Abholverfügbarkeit konnte nicht geladen werden
|
Digitales Einbau-Multimeter 72x72 mm (elektronisches Amperemeter-Voltmeter) 1-phasig, hergestellt von TENSE, mit Stromwandler.
Das DAV-72D ist eine digitale Kombination aus Voltmeter und Amperemeter, die für die kontinuierliche Überwachung konzipiert ist:
Wechselspannung zwischen Phase und Nullleiter, und des Laststroms (AC), der von einem externen Stromwandler (CT) gemessen wird. Das Gerät wird in elektrischen Schalttafeln, in der Fertigung, in der Verteilung und in Energieüberwachungssystemen eingesetzt.
Funktionsprinzip und Verwendung
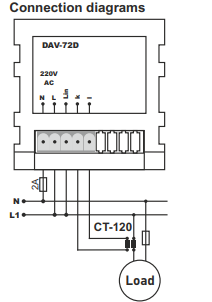
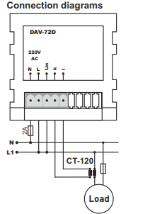
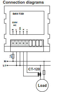
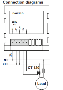
Das Gerät wird über Klemmen an den zu messenden Phasen- und Neutralleiter angeschlossen - dies ermöglicht Spannungsmessungen. Der entnommene Strom wird mit einem externen Stromwandler CT-120 gemessen, der im Lieferumfang enthalten ist. Die Leitungen der Sekundärwicklung des Stromwandlers werden an die Klemmen K und L auf der Rückseite des Geräts angeschlossen. Wenn das Gerät an die Stromversorgung angeschlossen ist, zeigt das Display an: Tatsächliche Phasenspannung (in Volt), Laststrom (in Ampere). Installation und Einrichtung
Installieren Sie das Gerät auf der Frontplatte (Schalttafeleinbau), die Ausschnittmaße betragen 68 × 68 mm. Schließen Sie den CT-120 gemäß dem Schaltplan an: Der Lastdraht wird durch den Transformator gezogen und sein Ausgang wird an K und L angeschlossen. Wenn die Stromversorgung eingeschaltet wird, zeigt das Gerät automatisch die Strom- und Spannungswerte an. (Verwenden Sie keine Stromwandler anderer Typen oder Hersteller - die Werte sind werksseitig speziell für das CT-120 kalibriert)
Technische Daten
Betriebsspannung: 140 bis 270 V Wechselstrom (AC) Netzfrequenz: 50/60 Hz Angezeigter Spannungsbereich: 5 V bis 300 V AC Gemessener Strombereich: 1 A bis 100 A (über CT-120-Transformator) Messgenauigkeit: Spannung: ±1 % Strom: ±3 % Anzeige: 2 Zeilen, 3 Ziffern, Zeichenhöhe - 14 mm Strommessung: über CT-120, angeschlossen an die Klemmen K und L Leistung: weniger als 6 VA Betriebstemperatur: von -20 °C bis +55 °C Aufstellhöhe: bis zu 2000 m über dem Meeresspiegel Anschluss: steckbare Klemmen Kabelquerschnitt: bis zu 1,5 mm² Montage: Schalttafel, Frontseite Gewicht: bis zu 220 g |
Online-Zahlung per Karte – Nach Abschluss der Bestellung werden Sie zum Zahlungsportal weitergeleitet. Eine Zahlungsbestätigung erhalten Sie per E-Mail.
Nachnahme – Sie zahlen den Betrag laut Zahlungsanweisung direkt an den Fahrer des Transportunternehmens.
Überweisung – Sie erhalten spätestens am nächsten Werktag eine Proforma-Rechnung per E-Mail. Darin finden Sie die Kontonummer, die Sie bei der Zahlung angeben.
Auf Rechnung – Diese Zahlungsmethode steht Partnern zur Verfügung, die mit unserem Unternehmen einen Rahmenvertrag abgeschlossen haben.
Wenn Sie eine der letzten beiden Zahlungsmethoden nutzen möchten, kontaktieren Sie bitte unseren Manager. Er gibt Ihnen Anweisungen, wie Sie eine Rechnung mit oder ohne MwSt. erhalten können.
Die von uns gelieferten elektrischen Geräte entsprechen hohen Qualitätsstandards, haben eine Garantie von 24 Monaten und erfüllen alle Anforderungen der EU. Im Reklamationsfall wird keine Rücksendegebühr erhoben.
