Elektronischer Impulszähler / Impulszähler
Abholverfügbarkeit konnte nicht geladen werden
|
Ausführliche Beschreibung Impulszähler für DS-48 Panel (2x 4-stellige Anzeige: 1x Zähler, 1x Sollwert)
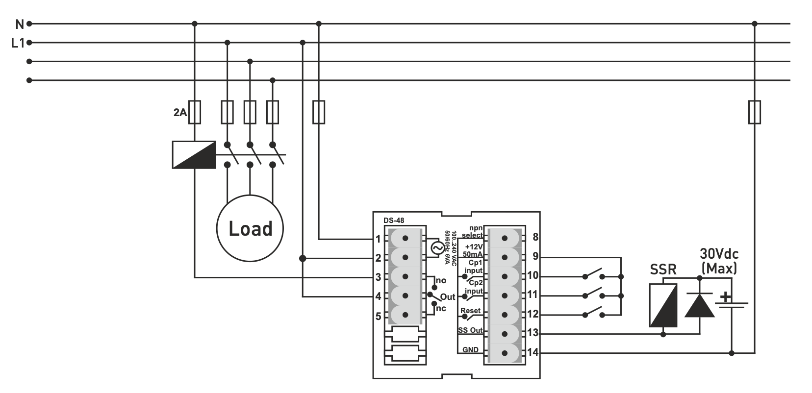
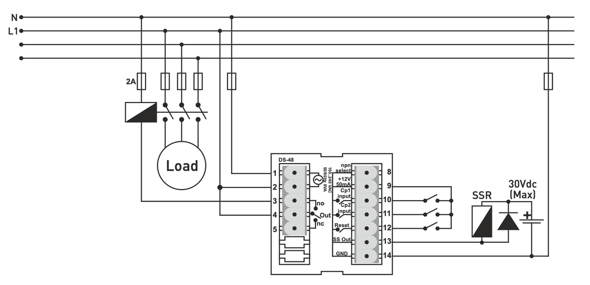
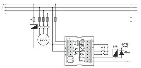
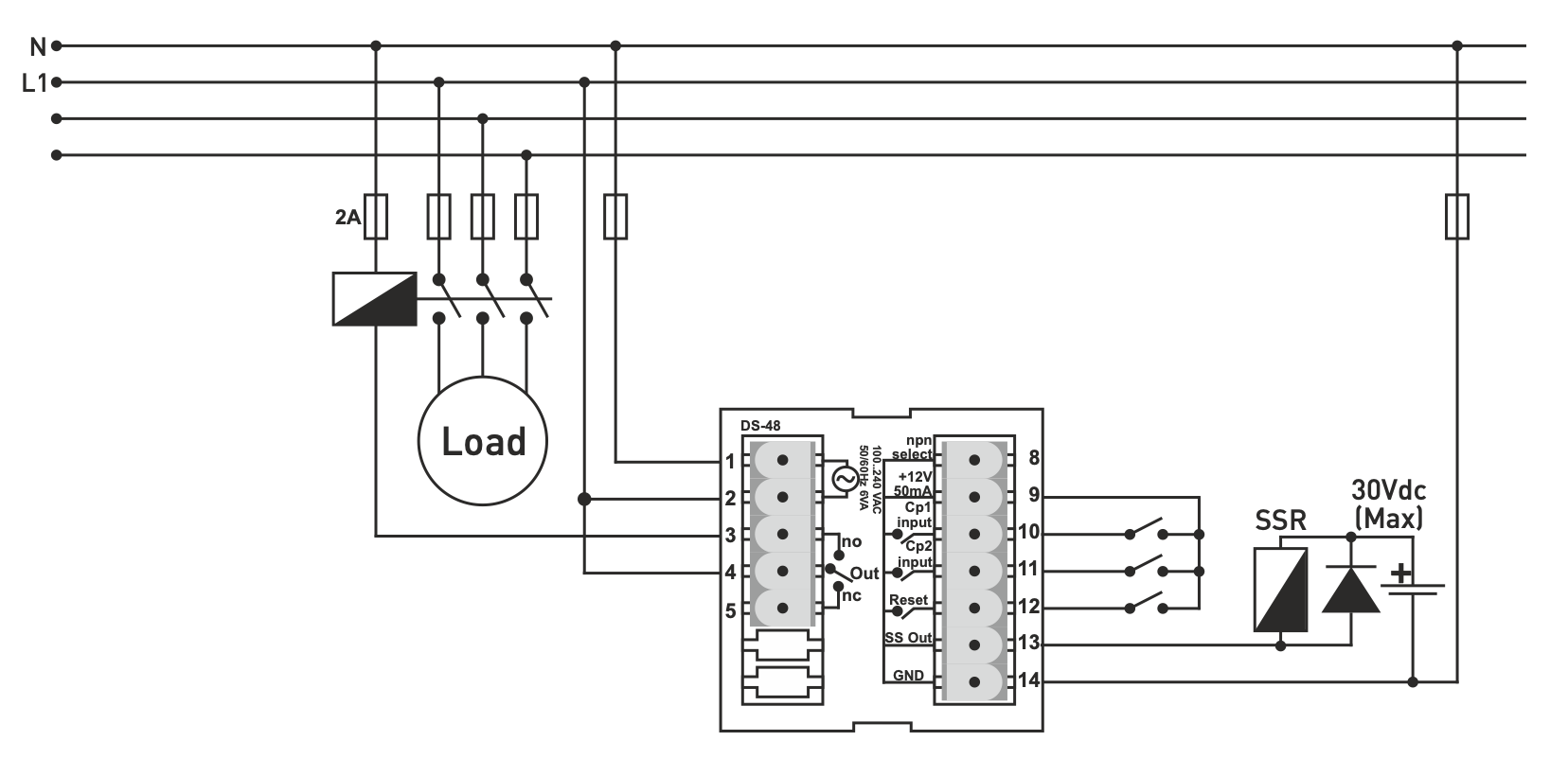
Allgemeine Spezifikation des DS-48 Impulszählers: 2x 4-stellige Anzeige, 1x Vorgabewert, 1x Ausgangsrelais OUT, Takt-/Rückwärtszähler Zählt Signale von mechanischen Schaltern, induktiven PNP/NPN-Näherungssensoren und Inkrementalgebereingängen. Passwortschutz. Wählbare Eingangsfrequenz: 20, 50, 2500, 7500 Hz Kalibrierungskonstante: 0,001.....9,999 Wählbarer Dezimalpunkt: 0, 0.0, 0.00, 0.000
7 Eingangsfunktionen / 9 Ausgangsfunktionen: - Zählen, - Abwärtszählen, - Addition/Zählung von zwei Eingängen gleichzeitig, - Zählung/Zählpause gesteuert durch den zweiten Eingang, - Eingangsnegation gesteuert durch den zweiten Eingang, - Addieren/Subtrahieren von der steigenden Flanke / fallenden Flanke / beiden Flanken gleichzeitig, - Addition der steigenden Flanke / Subtraktion der fallenden Flanke / Negation der Funktion mit dem zweiten Eingang
Einstellbarer "OFFSET" des berechneten Wertes OUTPUT-Relais: schaltet ein, wenn der Wert erreicht ist und hält bis zum RESET oder Impuls im Bereich von 0,1.....999,9 Sekunden Speichert den Impulszählwert und den Status des OUTPUT-Relais während des letzten Stromausfalls und kann nach dem ersten Einschalten zurückgesetzt werden. RESET durch Taste an der Frontplatte oder Signal an der RESET-Klemme (12). EEPROM-Speicher für die Speicherung von Einstellungen.
Hinweise zur Installation:
Verwenden Sie abgeschirmte und verdrillte Signalkabel und erden Sie die Abschirmung. Halten Sie alle Signalkabel von Leistungsschaltern, induktiven Lasten, Geräten/Kabeln, die elektrische Störungen aussenden, und Netzkabeln fern. Vermeiden Sie Umwelteinflüsse wie Feuchtigkeit, Vibration, Schmutz und hohe/niedrige Temperaturen. Verwenden Sie eine Sicherung (F250mA 250VAC) am Netz-/Stromeingang des Geräts. Verwenden Sie ein geeignetes Kabel für die Stromversorgung. Beachten Sie bei der Installation die Sicherheitsvorschriften. Vor dem Encoder, vorzugsweise mit der Option (Inpt = Phs1), wählen Sie (Frequenz = 20) zur Zählung der Impulse des mechanischen ON-OFF-Schalters, wählen Sie die optimale Mindesteingangsfrequenz, die für Ihre Anwendung geeignet ist. Für Inpt = 1u2u, 1u2d, Phs2; die Eingangssignalfrequenz darf nicht mehr als ½ der gewählten Eingangsfrequenz betragen, wenn beide Eingänge verwendet werden.
Vor Inpt = Phs4; die Frequenz des Eingangssignals darf nicht mehr als 1/4 der gewählten Eingangsfrequenz betragen, wenn beide Eingänge verwendet werden.
Technische Parameter: Abmessungen / Öffnung: 48x48x96 mm / 44x44 mm Anzeige: 2x4-stellige 7-Segment-LED-Anzeige. Anzahl der Eingänge: 2 x (Max: 7500 Hz, 5-30 V) Eingangstyp: mechanischer Schalter, induktiver Sensor PNP/NPN, Encoderausgang NPN/PNP/Totalpol Eingangsfrequenzen: 20, 50, 2500, 7500 Hz. Auswahl des NPN-Sensors. Der Reset-Eingang ist immer PNP. Vor Totem- oder PNP-Sensoren wird kein "npn select" angeschlossen. Rücksetzsignal: Klemme (12), mindestens 10 ms, + Signal (nur PNP) (5.....30 V) Versorgungsspannung: 100...240 V AC, 50-60 Hz. Leistungsaufnahme: < 8 VA Ausgang (OUT): 1x SPDT-Relais 250VAC, 2A, ohmsche Last, Klemmen 4=COM, 3=NO, 5=NC, 1x SSR-Steuerung - NPN, 30V, max 100mA, Klemme 13=SSout, 14=GND Spannungsversorgung des Sensors: Klemme (9) 12 VDC, 50 mA (max.), ungeregelt Umwandlungstemperatur: -20°C ... +55°C |
Aufseher-Höhe: <2000m
Online-Zahlung per Karte – Nach Abschluss der Bestellung werden Sie zum Zahlungsportal weitergeleitet. Eine Zahlungsbestätigung erhalten Sie per E-Mail.
Nachnahme – Sie zahlen den Betrag laut Zahlungsanweisung direkt an den Fahrer des Transportunternehmens.
Überweisung – Sie erhalten spätestens am nächsten Werktag eine Proforma-Rechnung per E-Mail. Darin finden Sie die Kontonummer, die Sie bei der Zahlung angeben.
Auf Rechnung – Diese Zahlungsmethode steht Partnern zur Verfügung, die mit unserem Unternehmen einen Rahmenvertrag abgeschlossen haben.
Wenn Sie eine der letzten beiden Zahlungsmethoden nutzen möchten, kontaktieren Sie bitte unseren Manager. Er gibt Ihnen Anweisungen, wie Sie eine Rechnung mit oder ohne MwSt. erhalten können.
Die von uns gelieferten elektrischen Geräte entsprechen hohen Qualitätsstandards, haben eine Garantie von 24 Monaten und erfüllen alle Anforderungen der EU. Im Reklamationsfall wird keine Rücksendegebühr erhoben.
