Elektronischer Impulszähler / Impulszähler + -
Abholverfügbarkeit konnte nicht geladen werden
|
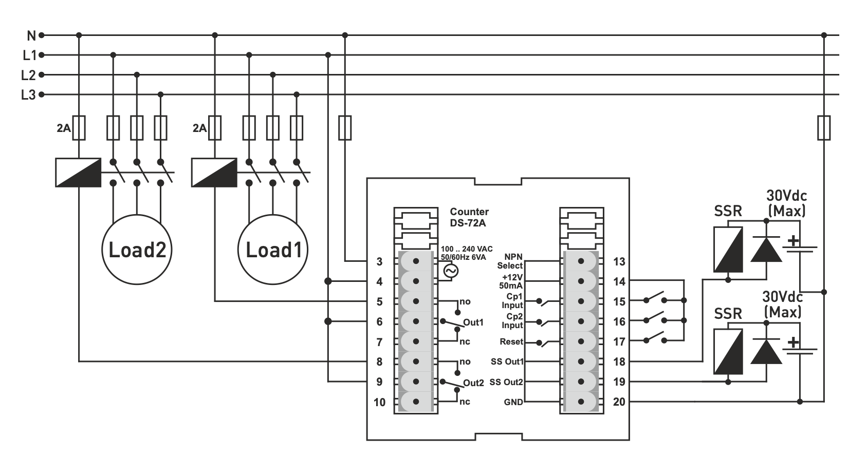
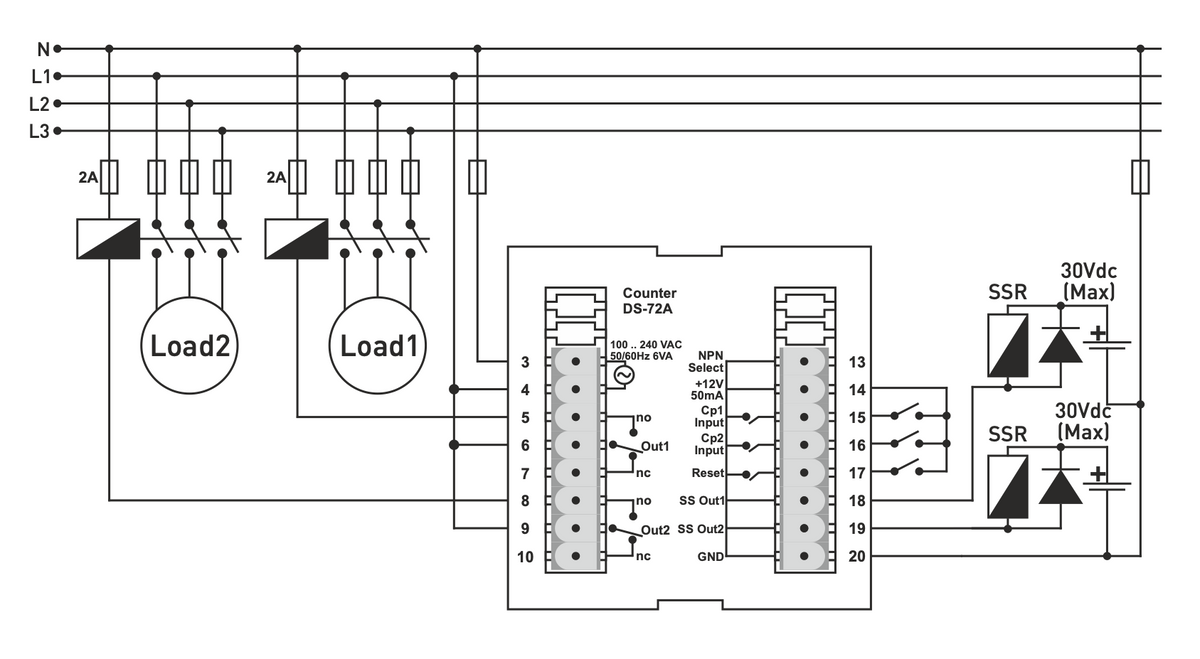
Ausführliche Beschreibung Allgemeine Spezifikation des DS-72A Impulszählers: 2x 6-stellige Anzeige, 2x PRESET-Wert, 2x OUT Ausgangsrelais, 2x SSout für SSR-Relaissteuerung.
Zählt Signale von mechanischen Schaltern, Endschaltern, induktiven PNP/NPN-Näherungssensoren und Inkrementalgebereingängen. Vorwärts-/Rückwärtszählung. Passwortschutz. Wählbare Eingangsfrequenz: 20, 50, 2500, 7500 Hz. Kalibrierungskonstante: 0,00001.....9,99999 Wählbarer Dezimalpunkt: 0 / 0.0 / 0.00 / 0.000
Kombinationsmöglichkeiten der Funktionen: 7 Eingangsfunktionen / 10 Ausgangsfunktionen: Addition, Countdown, Addition/Subtraktion von zwei Eingängen gleichzeitig, Zähl-/Abzählpause, gesteuert durch den zweiten Eingang, Eingangsnegation gesteuert durch den zweiten Eingang, Addition/Subtraktion von der führenden Flanke / fallenden Flanke / beiden Flanken gleichzeitig, Addieren mit der führenden Flanke / Subtrahieren mit der fallenden Flanke / Negieren der Funktion mit dem zweiten Eingang.
Einstellbarer "OFFSET" des berechneten Wertes. PRESET1 mit Option absoluter/relativer Wert. OUT 2x Relais: Einschalten bei Erreichen des Wertes und Halten bis RESET, oder Impuls im Bereich 0,1.....999,9 Sekunden. Erinnert sich an den Impulszählwert und den Zustand des OUT-Relais beim letzten Stromausfall und kann zurückgesetzt werden, wenn die Stromversorgung wieder eingeschaltet wird. RESET über Drucktaste an der Frontplatte oder Signal an RESET(17)-Klemme. Kann voreingestellte ½ Werte anzeigen. EEPROM-Speicher zum Speichern von Einstellungen.
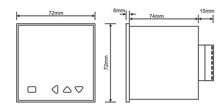
Technische Merkmale: Abmessungen / Öffnung : 72x72x94 mm / 67x67 mm Anzeige : 2x 6-stellige 7-Segment-LED-Anzeige. AnzeigeLED: 5x: OUT1, OUT2, Finger1, Finger2, Batch. Eingänge: 2x (Max: 7500 Hz, 5-30 V) NPN-Auswahl: Verbinden Sie die Klemme "npn select" (13) mit der Klemme "+12V" (14), um den NPN-Sensor an den Eingang Cp1 (15) und Cp2 (16) anzuschließen. Der Reset-Eingang ist immer PNP. Bei Totemfeld- oder PNP-Drehgebern wird "npn select" nicht angeschlossen. Eingangsarten: mechanischer Schalter, induktiver Encoder PNP/NPN, Encoderausgang NPN/PNP/Totem-Pol. Eingangsfrequenzen: 20, 50, 2500, 7500 Hz. Rücksetzsignal: RESET-Klemme (17), mindestens 10 ms, + Signal (nur PNP) (5...30 V). Ausgänge (OUT): 2x SPDT-Relais 250VAC, 2A, ohmsche Last, OUT1: Klemmen 6=COM, 5=NO, 7=NC OUT2: Klemmen 9=COM, 8=NO, 10=NC SSout 2x SSR-Steuerung - NPN, 30V, 100mA max, Klemme 18=SSout1, 19=SSout2, 20=GND
Spannungsversorgung des Sensors: Klemme (14) 12 VDC, 50 mA (max.), ungeregelt. Versorgungsspannung: 100...240VAC, 50-60Hz. Leistungsaufnahme: < 8 VA Betriebstemperatur: -20°C ... +55°C Höhenlage: <2000m
Hinweise zur Installation: Verwenden Sie abgeschirmte und verdrillte Signalkabel und verbinden Sie die Abschirmung mit der Erde. Halten Sie alle Signalkabel von Leistungsschaltern, induktiven Lasten, elektrischen Störquellen und Stromkabeln fern. Treffen Sie Vorkehrungen gegen Umwelteinflüsse wie Feuchtigkeit, Vibration, Verschmutzung und hohe/niedrige Installationstemperaturen. Verwenden Sie eine Sicherung (F250mA 250VAC) am Netz-/Stromeingang des Geräts. Verwenden Sie geeignete Kabel für die Stromversorgung. Beachten Sie bei der Installation die Sicherheitsvorschriften. Verwenden Sie für Encoder vorzugsweise die Option (Inpt = Phs1), Wählen Sie (Freq = 20) für die Zählung der Impulse des mechanischen ON-OFF-Schalters. Wählen Sie immer die für Ihre Anwendung geeignete Mindest-Eingangsfrequenzoption. Für Inpt = 1u2u, 1u2d, Phs2; die Eingangssignalfrequenz darf nicht mehr als ½ der gewählten Eingangsfrequenzoption betragen, wenn beide Eingänge verwendet werden. |
Für Inpt = Phs4; die Eingangssignalfrequenz darf nicht mehr als 1/4 der gewählten Eingangsfrequenzoption betragen, wenn beide Eingänge verwendet werden.
Online-Zahlung per Karte – Nach Abschluss der Bestellung werden Sie zum Zahlungsportal weitergeleitet. Eine Zahlungsbestätigung erhalten Sie per E-Mail.
Nachnahme – Sie zahlen den Betrag laut Zahlungsanweisung direkt an den Fahrer des Transportunternehmens.
Überweisung – Sie erhalten spätestens am nächsten Werktag eine Proforma-Rechnung per E-Mail. Darin finden Sie die Kontonummer, die Sie bei der Zahlung angeben.
Auf Rechnung – Diese Zahlungsmethode steht Partnern zur Verfügung, die mit unserem Unternehmen einen Rahmenvertrag abgeschlossen haben.
Wenn Sie eine der letzten beiden Zahlungsmethoden nutzen möchten, kontaktieren Sie bitte unseren Manager. Er gibt Ihnen Anweisungen, wie Sie eine Rechnung mit oder ohne MwSt. erhalten können.
Die von uns gelieferten elektrischen Geräte entsprechen hohen Qualitätsstandards, haben eine Garantie von 24 Monaten und erfüllen alle Anforderungen der EU. Im Reklamationsfall wird keine Rücksendegebühr erhoben.
