RGT-12E - Blindleistungsregler 12 Stufen +TCR
Abholverfügbarkeit konnte nicht geladen werden
12 Stufen + TCR-Blindleistungsregler mit 2,9" Grafik-LCD-Display (TENSE)
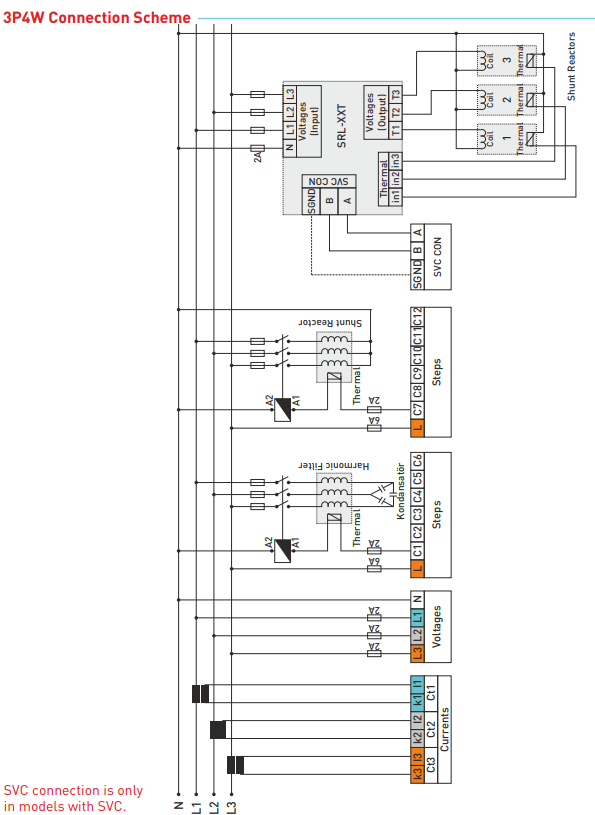
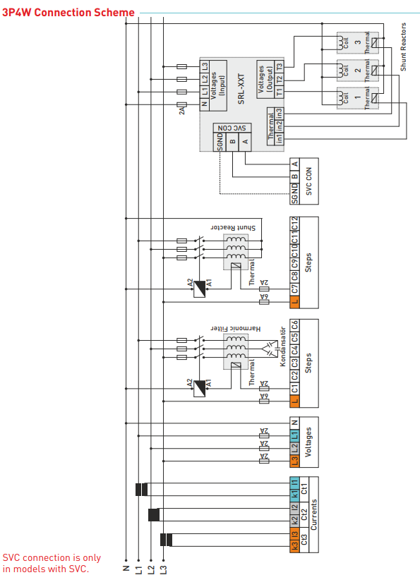
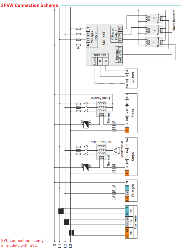
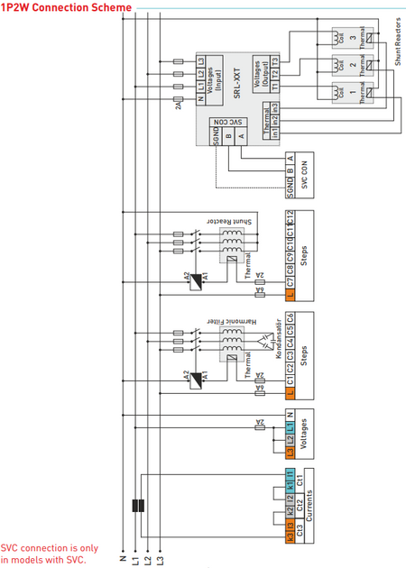
Der Blindleistungsregler RGT-12E (TENSE) ist ein vollautomatisches Gerät zur optimalen Schaltung von Kompensationsstufen.
Die digitale Verarbeitung der vom Regler gemessenen Werte gewährleistet eine hohe Genauigkeit bei der Auswertung von Effektivspannung, Strom und Leistungsfaktor.
Die Installation des Gerätes erfolgt vollautomatisch - der Regler bestimmt selbst die Größe der einzelnen angeschlossenen Kompensationsstufen. Diese Parameter können auch direkt manuell eingegeben werden.
Der Regler schaltet die Kompensationsstufen so zu und ab, dass die Blindleistung mit einer minimalen Anzahl von Schaltvorgängen geregelt wird. Dabei berücksichtigt der Regler die gleichmäßige Belastung der einzelnen Stufen und schaltet bevorzugt die Stufen, die am längsten stromlos waren und deren Restladung minimal ist. Während des Regelvorgangs werden die Kompensationsstufen ständig parallel überwacht - Ausfälle und Wertänderungen werden erkannt, vorübergehend herausgenommene Stufen periodisch geprüft und bei Bedarf wieder in den Regelvorgang einbezogen.
Generatoreingang und Generatorkompensation
Einschalt-, Entlade- und Ausregelzeiten einstellbar
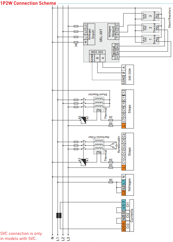
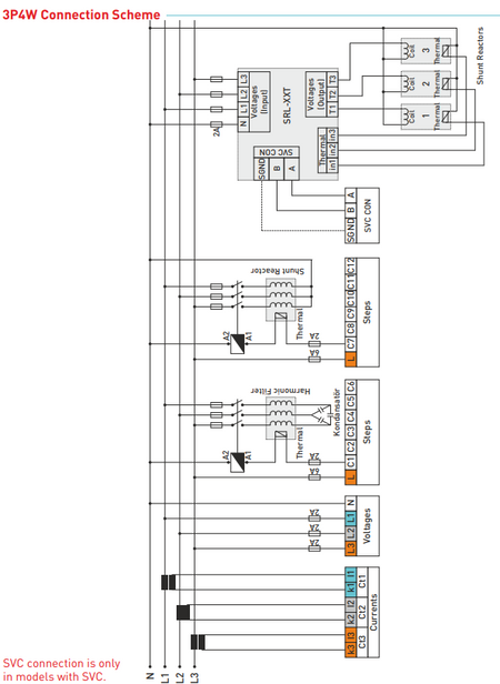
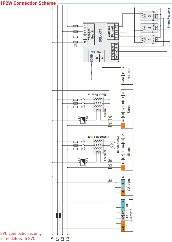
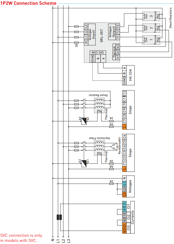
Einphasige, zweiphasige und dreiphasige Kondensatoren und Nebenschlussdrosseln können angeschlossen werden
Oberschwingungsspannung und -strom können bis zur 31. Oberschwingung überwacht werden
Gesamtenergie kann überwacht werden (Import/Export)
THD-V und THD-I Werte jeder Phase können beobachtet werden
Erstellen einer Leistungsanalyse (20 Proben 9999 Min.) - für die Kondensatorauswahl
Online-Zahlung per Karte – Nach Abschluss der Bestellung werden Sie zum Zahlungsportal weitergeleitet. Eine Zahlungsbestätigung erhalten Sie per E-Mail.
Nachnahme – Sie zahlen den Betrag laut Zahlungsanweisung direkt an den Fahrer des Transportunternehmens.
Überweisung – Sie erhalten spätestens am nächsten Werktag eine Proforma-Rechnung per E-Mail. Darin finden Sie die Kontonummer, die Sie bei der Zahlung angeben.
Auf Rechnung – Diese Zahlungsmethode steht Partnern zur Verfügung, die mit unserem Unternehmen einen Rahmenvertrag abgeschlossen haben.
Wenn Sie eine der letzten beiden Zahlungsmethoden nutzen möchten, kontaktieren Sie bitte unseren Manager. Er gibt Ihnen Anweisungen, wie Sie eine Rechnung mit oder ohne MwSt. erhalten können.
Die von uns gelieferten elektrischen Geräte entsprechen hohen Qualitätsstandards, haben eine Garantie von 24 Monaten und erfüllen alle Anforderungen der EU. Im Reklamationsfall wird keine Rücksendegebühr erhoben.
