RGT-MT18 - Blindleistungsregler 18 Stufen +TCR mit RS485 ModBus

Nur noch 1 übrig
Artikelnummer: RGT-MT18
Gemeinsamer Preis €334,08 inkl. USt

18 Stufen + TCR Blindleistungsregler für symmetrische/asymmetrische Netze mit 5 Zoll Touchscreen und RS-485 (TENSE)

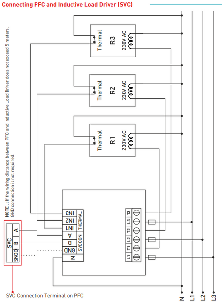
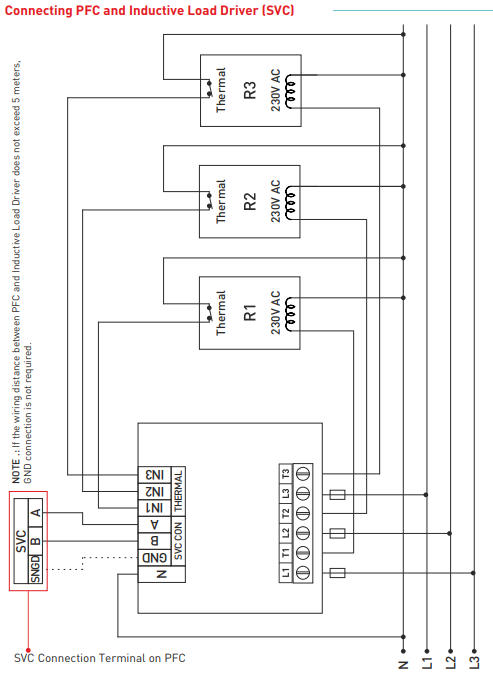
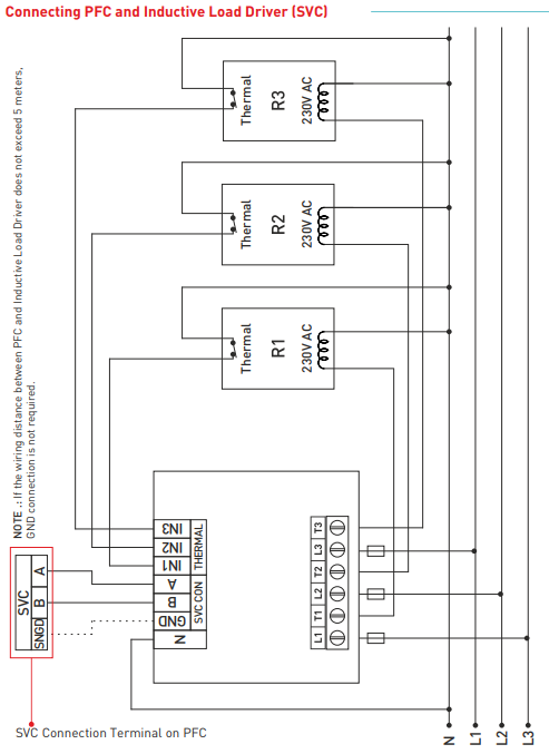
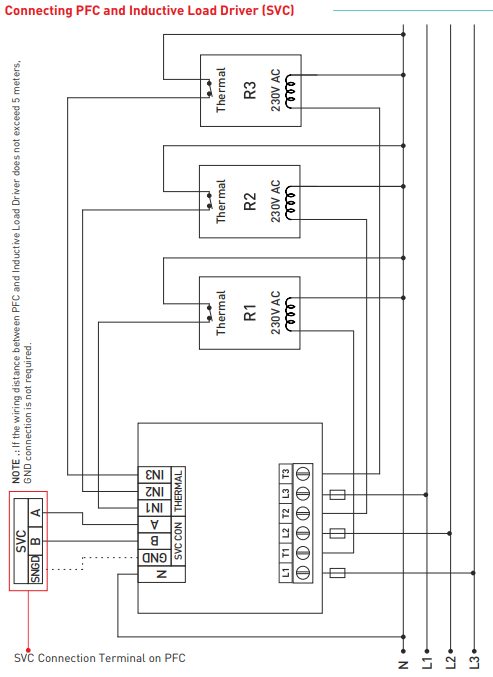
Blindleistungsrelais dienen zur Reduzierung der Blindleistung (induktiv und kapazitiv), die von der Last nicht genutzt und dem Netz entnommen wird. Wenn induktive Leistung aus dem Netz entnommen wird, greift es ein, indem es einen Kondensator mit einem geeigneten Wert entfernt. Wird die kapazitive Leistung aus dem Netz entnommen, greift er ein, indem er eine Shunt-Induktivität mit dem entsprechenden Wert entnimmt. Auf diese Weise wird versucht, die induktiv/aktive und kapazitiv/aktive Geschwindigkeit des Systems zu reduzieren. Er wurde entwickelt, um eine vernünftige Kompensation in unsymmetrischen induktiven und kapazitiven Systemen mit der TCR-Stufe RGT-MT18 zu ermöglichen.

  • Generatoreingang und Generatorkompensation

  • Spannung, Oberschwingungsstrom/-spannung, induktiver und kapazitiver Alarmausgang

  • Einschalt-, Entlade- und Einschwingzeiten können eingestellt werden

  • Fernkommunikation mit RS485 (RS485 ModBus RTU)

  • Einphasige, zweiphasige und dreiphasige Kondensatoren und Nebenschlussdrosseln können angeschlossen werden

  • Oberschwingungsspannung und -strom können bis zur 61. Oberschwingung beobachtet werden

  • Gesamtenergie (Import/Export) kann überwacht werden

  • THD-V und THD-I Werte jeder Phase können beobachtet werden

  • Erstellen einer Leistungsanalyse (20 Proben 9999 Min.) - für die Auswahl von Kondensatoren

  • Temperatur-Alarmausgang

  • Bedarfserfassung (Wirk- und Blindleistung, Scheinleistung und Strombedarf)

  • Minimale, maximale und durchschnittliche Strom- und Spannungswerte jeder Phase können überwacht werden

  • aktuelles Datum und Uhrzeit

Online-Zahlung per Karte – Nach Abschluss der Bestellung werden Sie zum Zahlungsportal weitergeleitet. Eine Zahlungsbestätigung erhalten Sie per E-Mail.

Nachnahme – Sie zahlen den Betrag laut Zahlungsanweisung direkt an den Fahrer des Transportunternehmens.

Überweisung – Sie erhalten spätestens am nächsten Werktag eine Proforma-Rechnung per E-Mail. Darin finden Sie die Kontonummer, die Sie bei der Zahlung angeben.

Auf Rechnung – Diese Zahlungsmethode steht Partnern zur Verfügung, die mit unserem Unternehmen einen Rahmenvertrag abgeschlossen haben.

Wenn Sie eine der letzten beiden Zahlungsmethoden nutzen möchten, kontaktieren Sie bitte unseren Manager. Er gibt Ihnen Anweisungen, wie Sie eine Rechnung mit oder ohne MwSt. erhalten können.

Die von uns gelieferten elektrischen Geräte entsprechen hohen Qualitätsstandards, haben eine Garantie von 24 Monaten und erfüllen alle Anforderungen der EU. Im Reklamationsfall wird keine Rücksendegebühr erhoben.